Operation CHARM: Car repair manuals for everyone.
Manuals through 2025 now available!

Our trusted friends have launched a new website named LEMON, which has newer manuals. It also contains all the CHARM manuals.

LEMON is the spiritual successor to CHARM, I recommend you try it!

Link: lemon-manuals.la or lemon-manuals.org.ua

(Some people have issue connecting. LEMON is investigating. For now, use Firefox or change your DNS server)

Or, hide this message: temporarily or permanently

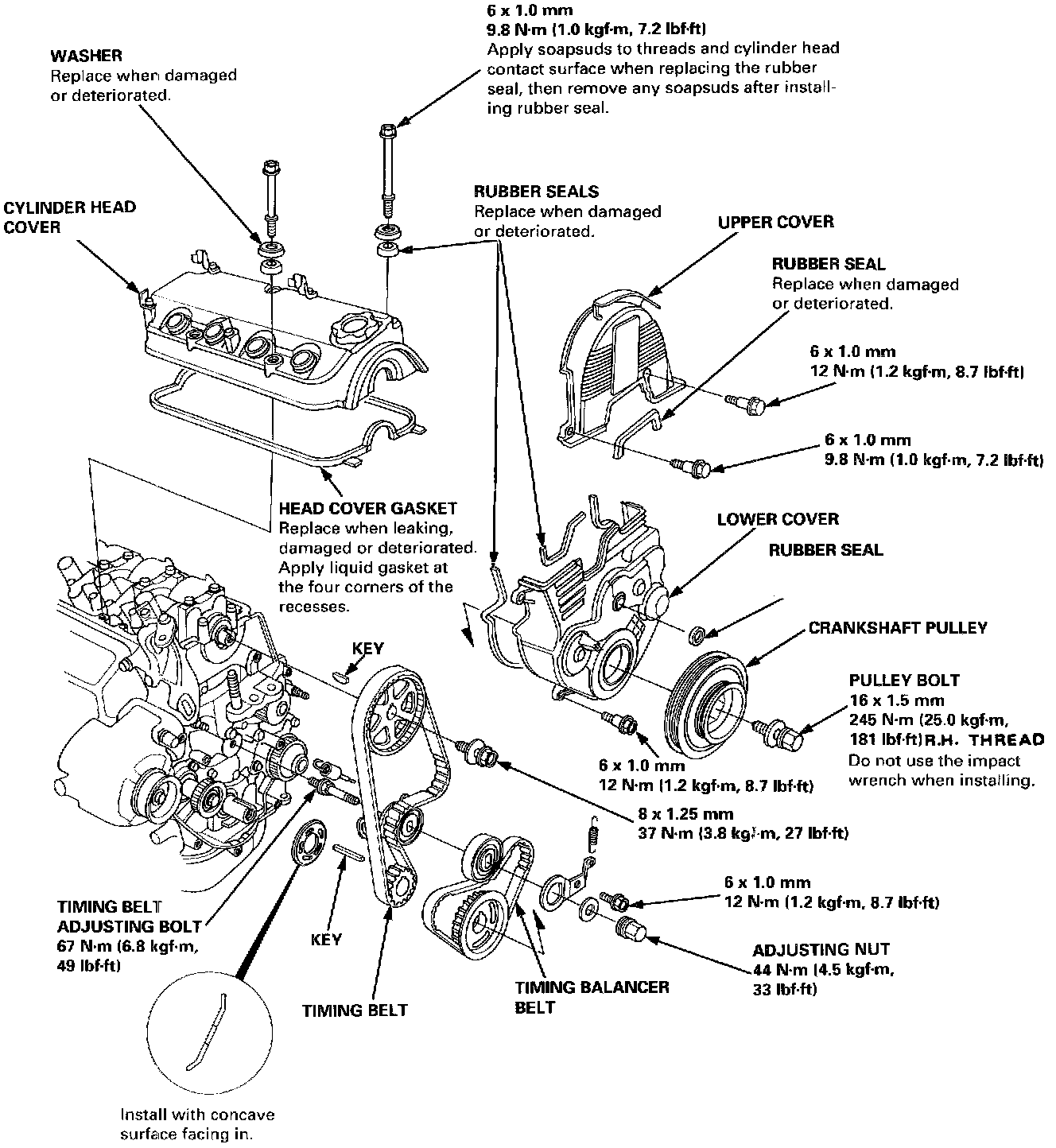
Torque Specifications

Intake:






Exhaust Manifold:






Cylinder Head:






Camshaft And Rocker Arm:






Fig. 11 Cylinder Head Bolt Loosening Sequence:






Cylinder Head Torque Sequence:







Torque cylinder head attaching bolts in three steps; first step to 29 ft. lbs., second step to 51 ft. lbs., third step to 72 ft. lbs.



Cam Holder Torque Sequence:






Timing Components:






Lower Block:






Main Bearing Cap Loosening Sequence:






Main Bearing Cap Torque Sequence:






Balance Shaft:






Balance Shaft Drive:






Lubrication System:






Oil Pan:






Oil Pan Sequence:






Flywheel Torque And Sequence:






Flexplate Torque And Sequence: