Operation CHARM: Car repair manuals for everyone.
Manuals through 2025 now available!

Our trusted friends have launched a new website named LEMON, which has newer manuals. It also contains all the CHARM manuals.

LEMON is the spiritual successor to CHARM, I recommend you try it!

Link: lemon-manuals.la or lemon-manuals.org.ua

(Some people have issue connecting. LEMON is investigating. For now, use Firefox or change your DNS server)

Or, hide this message: temporarily or permanently

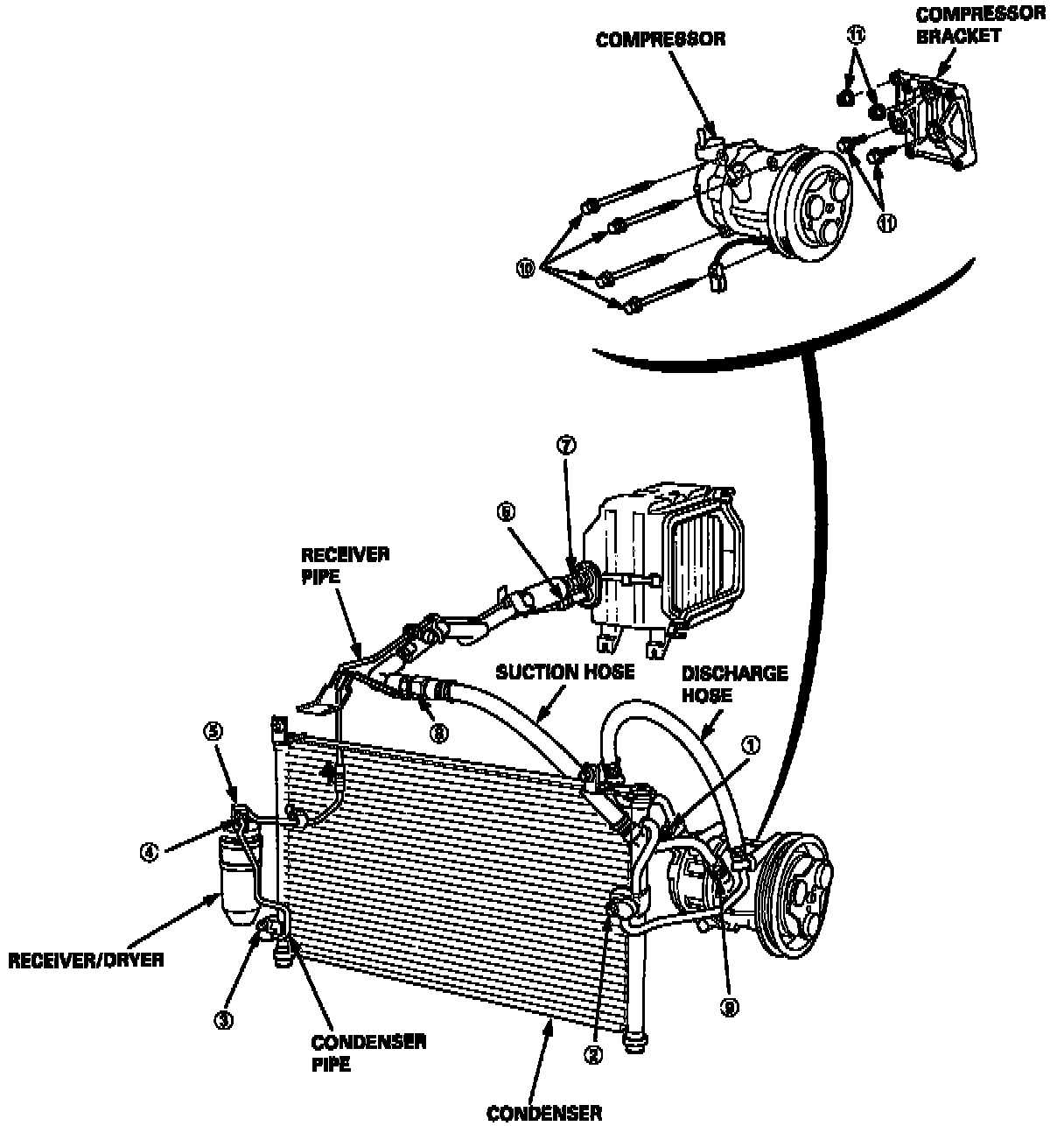
System Specifications





COMPONENT TORQUE VALUES
(1) Discharge Hose To Compressor: 9.8 Nm (7.2 lb ft)
(2) Discharge Hose To Condenser: 9.8 Nm (7.2 lb ft)
(3) Condenser Pipe To Condenser: 9.8 Nm (7.2 lb ft)
(4) Condenser Pipe To Receiver/Dryer: 13 Nm (9.4 lb ft)
(5) Receiver Pipe To Receiver/Dryer: 13 Nm (9.4 lb ft)
(6) Receiver Pipe To Evaporator: 13 Nm (9.4 lb ft)
(7) Suction Pipe To Evaporator: 31 Nm (23 lb ft)
(8) Suction Hose To Suction Pipe: 31 Nm (23 lb ft)
(9) Suction Hose To Compressor: 9.8 Nm (7.2 lb ft)
(10) Compressor To Compressor Bracket: 22 Nm (16 lb ft)
(11) Compressor Bracket To Cylinder Block: 48 Nm (36 lb ft)


Refer to item number in illustration.