Operation CHARM: Car repair manuals for everyone.
Manuals through 2025 now available!

Our trusted friends have launched a new website named LEMON, which has newer manuals. It also contains all the CHARM manuals.

LEMON is the spiritual successor to CHARM, I recommend you try it!

Link: lemon-manuals.la or lemon-manuals.org.ua

(Some people have issue connecting. LEMON is investigating. For now, use Firefox or change your DNS server)

Or, hide this message: temporarily or permanently

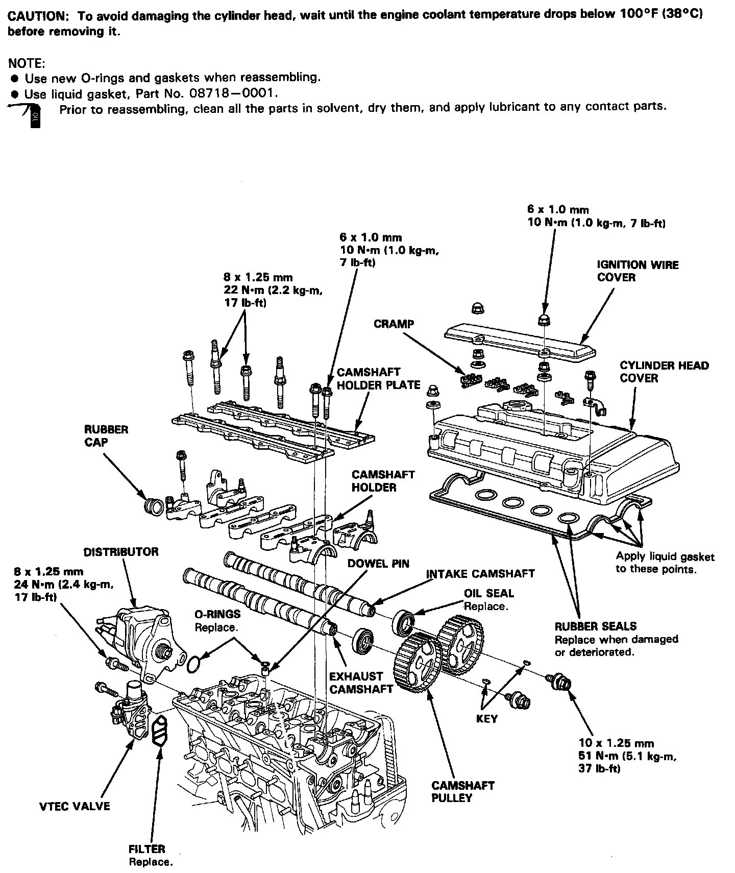
Torque Specifications

Intake:






Exhaust Manifold:






Upper Engine:











Cam Holder Torque/Sequence:











Tighten cylinder head bolts in sequence in two steps:

1st step: 30 N.m (3.0 kg-m, 22 lb.ft)
2nd step: 85 N.m (8.5 kg-m, 61 lb.ft)



Timing Components:






Lower Engine:











Main Bolt Torque Sequence:





















Flywheel (M/T) Torque/Sequence:






Drive Plate (A/T) Torque: