Operation CHARM: Car repair manuals for everyone.
Manuals through 2025 now available!

Our trusted friends have launched a new website named LEMON, which has newer manuals. It also contains all the CHARM manuals.

LEMON is the spiritual successor to CHARM, I recommend you try it!

Link: lemon-manuals.la or lemon-manuals.org.ua

(Some people have issue connecting. LEMON is investigating. For now, use Firefox or change your DNS server)

Or, hide this message: temporarily or permanently

Timing Belt: Service and Repair

CAUTION: Inspect the water pump when replacing the timing belt.

REPLACEMENT

NOTE: Turn the crankshaft so that the No.1 piston is at TDC.




1. Remove the splash shield.




2. Disconnect the connector, then remove the cruise control actuator.

NOTE:
- Do not disconnect the control cable.
- Take care not to bend the cable when removing the actuator. Always replace a kinked cable with a new one.




3. Remove the mounting bolts, nuts and belt from the power steering (P/S) pump.

NOTE:
- Do not disconnect the P/S pipe and hose.
- After installing, adjust the tension of the P/S pump belt.




4. Disconnect the alternator terminal and the connector, then remove the engine wire harness from the body side.
5. Loosen the alternator mounting bolt, nut and the adjusting nut, then remove the alternator belt.

NOTE: After installing, adjust the tension of the alternator belt.

6. Remove the cylinder head cover.
7. Remove the middle cover.




8. Remove the side engine mount.




9. Remove the dipstick and the pipe
10. Remove the crankshaft bolt and the pulley. Remove the two rear bolts from the center beam to allow the engine to drop down and give clearance to remove the lower cover.
11. Remove the adjuster rubber seal. Do not loosen the adjusting nut.
12. Remove the lower cover.




13. Loosen the adjusting nut. Push on the pulley to remove tension from the timing balancer belt, then tighten the adjusting nut.

NOTE: Mark direction of rotation before removing.

14. Remove the timing balancer belt.
15. Remove the timing belt.
16. Remove the auto tensioner.




17. Install the timing belt in the reverse order of removal.







NOTE: Before installing the timing belt position the crankshaft and camshaft pulleys as shown

18. Hold the auto-tensioner with the maintenance bolt pointing up. Loosen and remove the maintenance bolt.

NOTE: Handle the auto-tensioner carefully so the oil inside does not spill or leak. Replenish the auto-tensioner with oil if any spills or leaks. The total capacity is 8cc (1/4 fl.oz.).




19. Clamp the boss of the auto-tensioner in a vise. Use pieces of wood or a cloth to protect the boss.

NOTE: Do not grip the housing of the auto-tensioner.

20. Insert a flat blade screwdriver into the maintenance hole. Place the stopper (P/N 14540-P13-003( on the auto tensioner while turning the screwdriver clockwise to compress the bottom.

NOTE: Take care not to damage the threads or the gasket contact surface with the screwdriver.




21. Remove the screwdriver and reinstall the maintenance bolt.

NOTE: Be sure to use a new gasket.




22. Make sure no oil is leaking around the maintenance bolt. Install the auto tensioner on the engine.

NOTE: Make sure the stopper stays in place.




23. Remove the stopper.
24. Make sure the crankshaft is positioned with the No.1 cylinder at TDC.




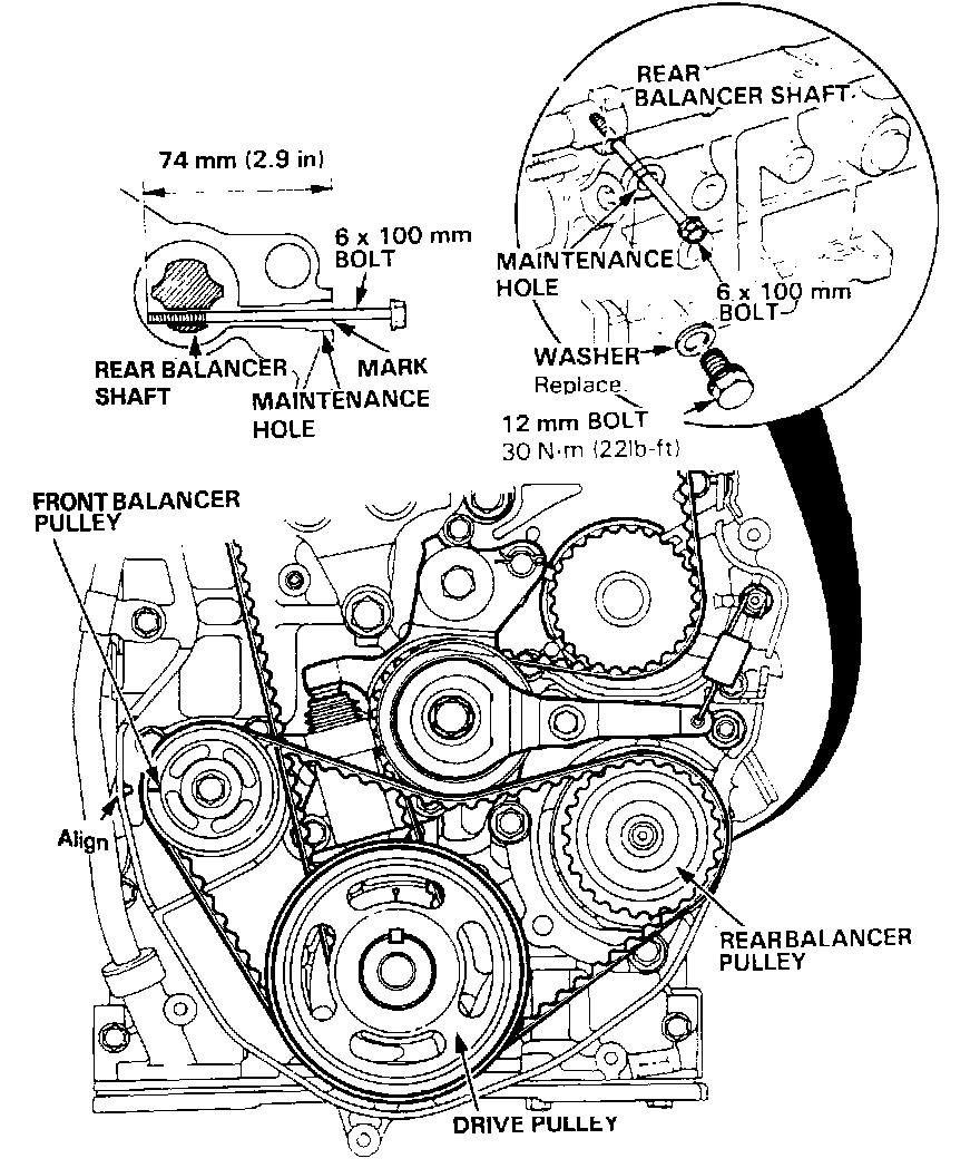
25. Align the groove on the front balancer shaft pulley with the pointer on the oil pump housing as shown.
26. Align the rear balancer shaft pulley by using a 6 x 100 mm bolt or equivalent as an alignment tool. Scribe a line 74 mm (2.9 ml from the end of the bolt. Insert the bolt into the maintenance hole to the scribed line.
27. Loosen the adjusting nut and verify that the timing balancer belt adjuster moves freely.
28. Install the timing balancer belt. Remove the 6 x 100 mm bolt from the rear balancer shaft.
29. Turn the crankshaft pulley about one turn, then tighten the adjusting nut to the specified torque.

NOTE: Both belt adjusters are spring-loaded to properly tension the belts. Do not apply any extra pressure to the pulleys or tensioners while performing the adjustment.




30. Install the lower cover.
31. Install a rubber seal around the adjusting nut. Do not loosen the nut.
32. Install the middle cover.
33. Install the crankshaft pulley.
34. Coat the threads and seating face of the pulley bolt with engine oil. Install and tighten to the specified torque.

Specified Torque: 250 Nm (181 ft.lbs.)