Operation CHARM: Car repair manuals for everyone.
Manuals through 2025 now available!

Our trusted friends have launched a new website named LEMON, which has newer manuals. It also contains all the CHARM manuals.

LEMON is the spiritual successor to CHARM, I recommend you try it!

Link: lemon-manuals.la or lemon-manuals.org.ua

(Some people have issue connecting. LEMON is investigating. For now, use Firefox or change your DNS server)

Or, hide this message: temporarily or permanently

Torque Specifications

Intake Components:






Exhaust Manifold:






Outer Engine Components:






Camshaft Components:






Cylinder Heads:






Valvetrain Components:






Head Bolt Loosening Sequence:






Camshaft Bolt Torque Sequence:







Head Bolt Torque Sequence:






Tighten cylinder head bolts in two steps. First torque all bolts in sequence, to 29 ft. lbs., then torque all bolts in sequence to 56 ft. lbs.







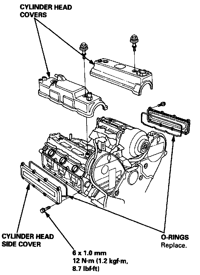
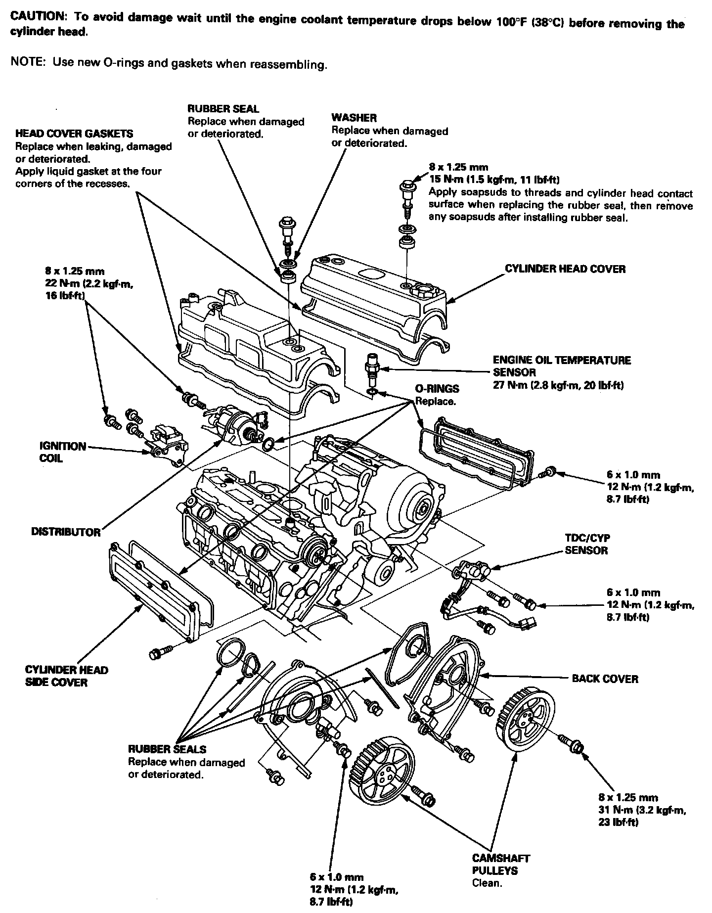
Cylinder Head Side And Upper Covers:






Intake Manifold:






Timing Components:






Water Passage Housing:






Cylinder Block Components:











Main Bearing Torque:






Main Bearing Torque Sequence:






Rear Crankshaft Seal: