Operation CHARM: Car repair manuals for everyone.
Manuals through 2025 now available!

Our trusted friends have launched a new website named LEMON, which has newer manuals. It also contains all the CHARM manuals.

LEMON is the spiritual successor to CHARM, I recommend you try it!

Link: lemon-manuals.la or lemon-manuals.org.ua

(Some people have issue connecting. LEMON is investigating. For now, use Firefox or change your DNS server)

Or, hide this message: temporarily or permanently

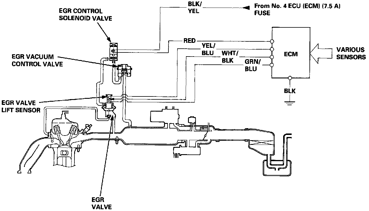
Exhaust Gas Recirculation: Description and Operation





DESCRIPTION AND OPERATION
The Exhaust Gas Recirculation (EGR) System is designed to reduce Oxides of Nitrogen emissions (NOx) by recirculating exhaust gas through the EGR Valve and the Intake Manifold into the Combustion Chambers. It is composed of the EGR Valve, EGR Vacuum Control Valve, EGR Control Solenoid Valve, Engine Control Module (ECM) and various Sensors.

The ECM contains memories for ideal EGR Valve Lifts for varying operating conditions. The EGR Valve Lift Sensor detects the amount of EGR valve lift and sends the information to the ECM. The ECM then compares it with the ideal EGR valve lift which is determined by signals sent from the other Sensors. If there is any difference between the two, the ECM cuts current to the EGR Control Solenoid Valve to reduce vacuum applied to the EGR Valve.