Operation CHARM: Car repair manuals for everyone.
Manuals through 2025 now available!

Our trusted friends have launched a new website named LEMON, which has newer manuals. It also contains all the CHARM manuals.

LEMON is the spiritual successor to CHARM, I recommend you try it!

Link: lemon-manuals.la or lemon-manuals.org.ua

(Some people have issue connecting. LEMON is investigating. For now, use Firefox or change your DNS server)

Or, hide this message: temporarily or permanently

Torque Specifications

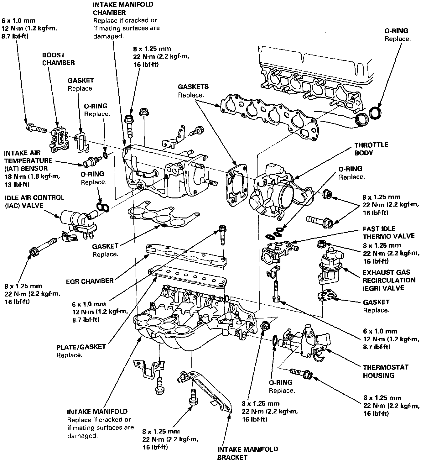
Intake:






Exhaust Manifold:






Upper Engine:
















Cam Holder Torque/Sequence - Tighten 2 Turns At A Time:






Head Bolt Torque Sequence:






Tighten cylinder head bolts, in sequence, in three steps:

1st step: 39 N.m (4.0 kgf-m, 29 lb.ft)
2nd step: 69 N.m (7.0 kgf-m, 51 lb.ft)
3rd step: 98.1 N.m (10.0 kgf-m, 72.3 lb.ft)


Timing Components:






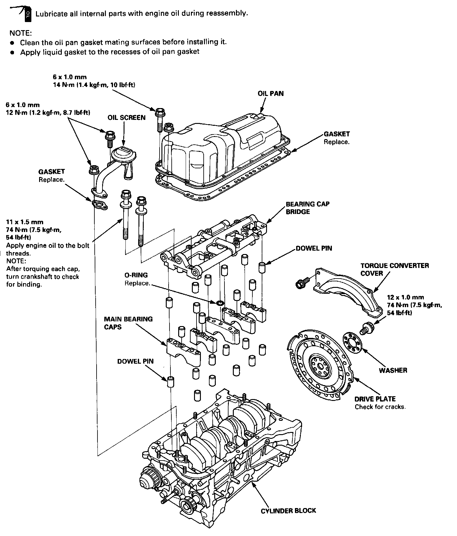
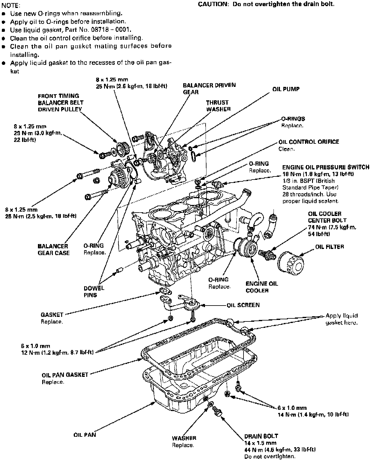
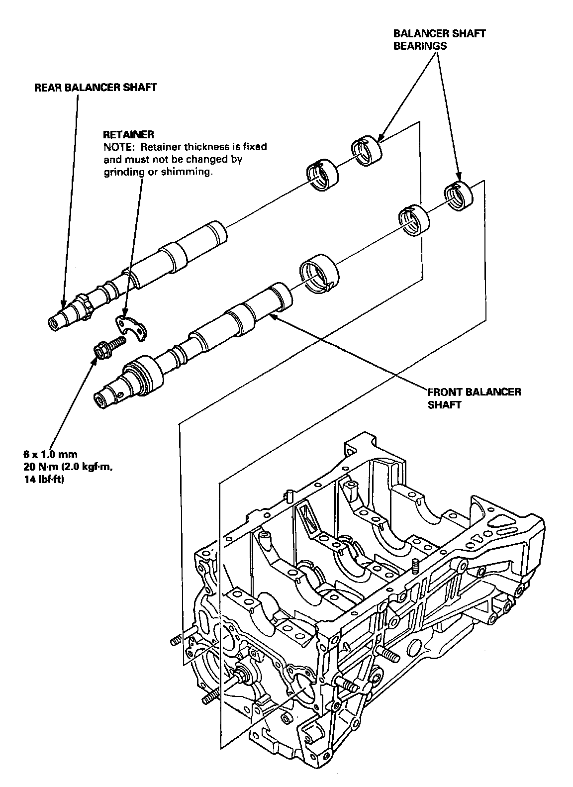
Lower Engine:






Engine Lubrication:


























Main Bearing Loosening Sequence:






Main Bolt Torque Sequence:
















Drive Plate Torque/Sequence: