Operation CHARM: Car repair manuals for everyone.
Manuals through 2025 now available!

Our trusted friends have launched a new website named LEMON, which has newer manuals. It also contains all the CHARM manuals.

LEMON is the spiritual successor to CHARM, I recommend you try it!

Link: lemon-manuals.la or lemon-manuals.org.ua

(Some people have issue connecting. LEMON is investigating. For now, use Firefox or change your DNS server)

Or, hide this message: temporarily or permanently

Timing Belt: Service and Repair

Timing Components:





TIMING BELT AND TIMING BALANCER BELT REPLACEMENT

CAUTION: Inspect the water pump when replacing the timing belt.

NOTE: Turn the crankshaft so that the No.1 piston is at TDC.





1. Remove the splash shield.





2. Disconnect the connector, then remove the cruise control actuator.

NOTE:
- Do not disconnect the control cable.
- Take care not to bend the cable when removing the actuator. Always replace a kinked cable with a new one.





3. Remove the mounting bolts, nuts and P/S pump belt from the power steering (P/S) pump.

NOTE:
- Do not disconnect the P/S pipe and hose.
- After installing, adjust the tension of the P/S pump belt.

4. Disconnect the alternator terminal and the connector, then remove the engine wire harness from the cylinder head cover.





5. Loosen the alternator mounting bolt/nut and adjusting bolt, then remove the alternator belt.

NOTE: After installing, adjust the tension of the alternator belt.





6. Remove the cylinder head cover.
7. Remove the side engine mount bracket (standard for some types).
8. Remove the upper cover.
9. Remove the side engine mount.
10. Remove the dipstick and the pipe.
11. Remove the pulley bolt and the crankshaft pulley. Remove the two rear bolts from the center beam to allow the engine to drop down and give clearance to remove the lower cover.
12. Remove the rubber seal around the adjusting nut. Do not loosen the adjusting nut.
13. Remove the lower cover.





14. Lock the timing belt adjuster arm in place by installing one of the 6 x 1.0 mm lower cover mounting bolts.





15. Loosen the timing belt adjusting nut. Push on the pulley to remove tension from the timing balancer belt, then tighten the adjusting nut.

16. Remove the timing balancer belt.

NOTE: If you are removing only the timing balancer belt, go to step 22. If you are removing both belts, continue with this procedure.

17. Loosen the 6 x 1.0 mm lock bolt and the adjusting nut. Push on the timing belt adjuster pulley to remove tension from the belt, then tighten the adjusting nut.
18. Remove the timing belt.

19. Install the timing belt in the reverse order of removal. Adjust the valve clearances.

NOTE: Before installing the timing belt, position the crankshaft and camshaft pulleys

TDC Mark: Camshaft Pulley:




TDC Mark: Manual Transmission:




TDC Mark: Automatic Transmission:





Positioning Crankshaft Before Installing Timing Belt
- Install the timing belt with the No.1 piston at TDC.
- After installing retorque the crankshaft pulley bolt to 250 N.m (25.0 kg-m, 181 lb-ft).

NOTE: When turning the crankshaft with a socket wrench, install the crankshaft pulley and the pulley bolt.

20. Perform the timing belt tension adjustment.
Adjustments

21. Tighten the 6 x 1.0 mm bolt to lock the timing belt adjuster arm.





22. Make sure the crankshaft is positioned with the No.1 piston at TDC.
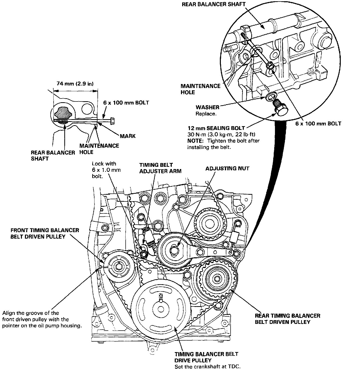
23. Align the groove on the front balancer after pulley with the pointer on the oil pump housing as shown.
24. Align the rear balancer shaft pulley by using a 6 x 100 mm bolt or equivalent as an alignment tool. Scribe a line 74 mm (2.9 in) from the end of the bolt. Insert the bolt into the maintenance hole to the scribed line.
25. Loosen the adjusting nut and verify that the timing balancer belt adjuster moves freely.
26. Install the timing balancer belt. Remove the 6 x 100 mm bolt from the rear balancer shaft.
27. Turn the crankshaft pulley about one turn counterclockwise, then tighten the adjusting nut to the specified torque.

NOTE: Both belt adjusters are spring-loaded to properly tension the belts. Do not apply any extra pressure to the pulleys or tensioners while performing the adjustment.

28. Remove the 6 x 1.0 mm bolt from the timing belt adjuster arm.
29. Remove the crankshaft pulley.





30. Install the lower cover.
31. Install a rubber seal around the adjusting nut. Do not loosen the nut.
32. Install the upper cover.
33. Install the crankshaft pulley.
34. Coat the threads and seating face of the pulley bolt with engine oil. Install and tighten to the specified torque.

Specified torque: 250 N.m (25.0 kg-m, 181 lb-ft)