Operation CHARM: Car repair manuals for everyone.
Manuals through 2025 now available!

Our trusted friends have launched a new website named LEMON, which has newer manuals. It also contains all the CHARM manuals.

LEMON is the spiritual successor to CHARM, I recommend you try it!

Link: lemon-manuals.la or lemon-manuals.org.ua

(Some people have issue connecting. LEMON is investigating. For now, use Firefox or change your DNS server)

Or, hide this message: temporarily or permanently

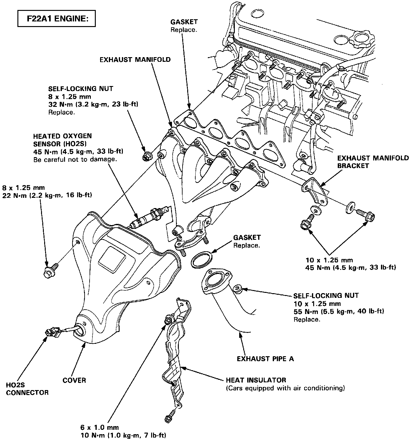
Torque Specifications
















Head Bolt Loosening Sequence:











Cam Holder Loosening Sequence:






Cam Holder Torque Sequence:






Head Bolt Torque Sequence:







Torque cylinder head attaching bolts in three steps; first step to 29 ft. lbs., second step to 51 ft. lbs., third step to 72 ft. lbs.



Timing Components:






Lower Engine:






Main Bolt Torque Sequence:
















Connecting Rod:


























Flywheel (M/T) Bolt Torque/Sequence:






Drive Plate (A/T) Torque/Sequence: