Operation CHARM: Car repair manuals for everyone.
Manuals through 2025 now available!

Our trusted friends have launched a new website named LEMON, which has newer manuals. It also contains all the CHARM manuals.

LEMON is the spiritual successor to CHARM, I recommend you try it!

Link: lemon-manuals.la or lemon-manuals.org.ua

(Some people have issue connecting. LEMON is investigating. For now, use Firefox or change your DNS server)

Or, hide this message: temporarily or permanently

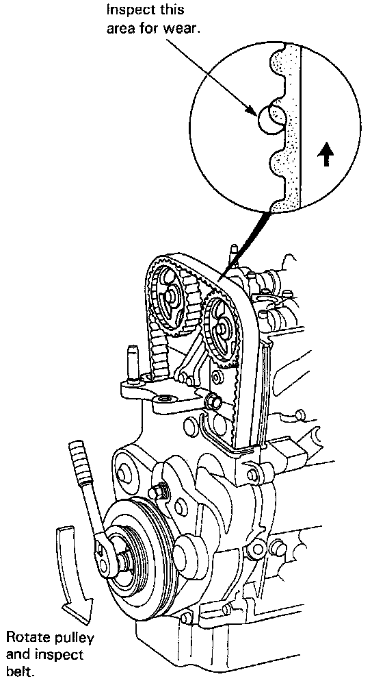
Timing Belt: Testing and Inspection





TIMING BELT INSPECTION

1. Disconnect the alternator terminal and the connector, then remove the engine wire harness from the cylinder head cover.
2. Remove the cylinder head cover.
3. Remove the middle cover.
4. Inspect the timing belt for cracks and oil or coolant soaking.

NOTE:
- Replace the belt if oil or coolant soaked.
- Remove any oil or solvent that gets on the belt.

5. After inspecting, retorque the crankshaft pulley bolt to 250 N.m (25.0 kg-m, 181 lb-ft).





TIMING BALANCER BELT INSPECTION

1. Disconnect the alternator terminal and the connector, then remove the engine wire harness from the cylinder head cover.
2. Remove the cylinder head cover.
3. Remove the middle cover.
4 Remove the crankshaft pulley.
5. Remove the lower cover.
6. Install the crankshaft pulley.
7. Inspect the timing belt for cracks and oil or coolant soaking.

NOTE:
- Replace the belt if oil or coolant soaked.
- Remove any oil or solvent that gets on the belt.

8. After inspecting, retorque the crankshaft pulley bolt to 250 N.m (25.0 kg-m, 181 lb-ft).