Operation CHARM: Car repair manuals for everyone.
Manuals through 2025 now available!

Our trusted friends have launched a new website named LEMON, which has newer manuals. It also contains all the CHARM manuals.

LEMON is the spiritual successor to CHARM, I recommend you try it!

Link: lemon-manuals.la or lemon-manuals.org.ua

(Some people have issue connecting. LEMON is investigating. For now, use Firefox or change your DNS server)

Or, hide this message: temporarily or permanently

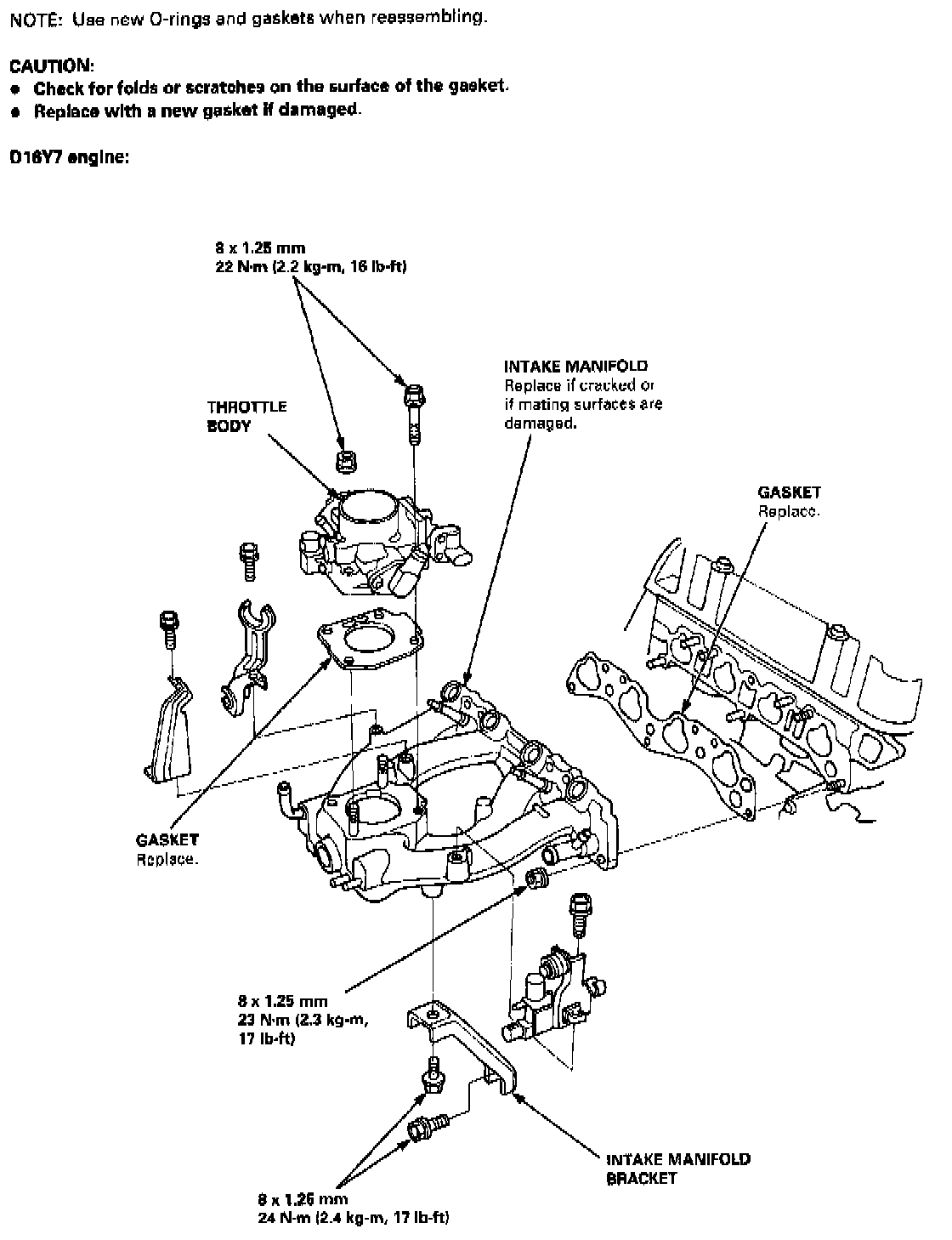
Torque Specifications

Torque Sequence:






Tighten the cylinder head bolts sequentially in four steps:

1st step: Tighten bolts 1-10 20 Nm (14 ft. lbs.)
2nd step: Tighten bolts 1-10 50 Nm (36 ft. lbs.)
3rd step: Tighten bolts 1-10 68 Nm (49 ft. lbs.)
4th step: Tighten bolts 1 and 2 68 Nm (49 ft. lbs.)







Intake:






Exhaust Manifold:



















Timing Components:






Lower Engine: