Operation CHARM: Car repair manuals for everyone.
Manuals through 2025 now available!

Our trusted friends have launched a new website named LEMON, which has newer manuals. It also contains all the CHARM manuals.

LEMON is the spiritual successor to CHARM, I recommend you try it!

Link: lemon-manuals.la or lemon-manuals.org.ua

(Some people have issue connecting. LEMON is investigating. For now, use Firefox or change your DNS server)

Or, hide this message: temporarily or permanently

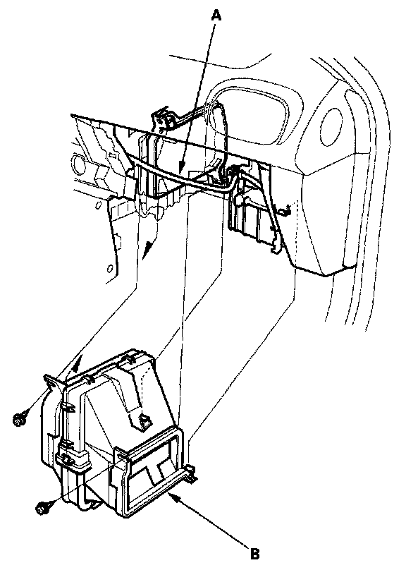
Air Duct: Service and Repair

Heater Duct Removal and Installation

1. Remove the glove box and the center lower cover.




2. Cut the plastic cross brace in the glove box opening with diagonal cutters in the area shown, and discard it.




3. Remove the bolts and the glove box frame.




4. Remove the wire harness (A) from the heater duct (B), then remove the self-tapping screws and the heater duct.
5. Install the duct in the reverse order of removal. Make sure that there is no air leakage.