Operation CHARM: Car repair manuals for everyone.
Manuals through 2025 now available!

Our trusted friends have launched a new website named LEMON, which has newer manuals. It also contains all the CHARM manuals.

LEMON is the spiritual successor to CHARM, I recommend you try it!

Link: lemon-manuals.la or lemon-manuals.org.ua

(Some people have issue connecting. LEMON is investigating. For now, use Firefox or change your DNS server)

Or, hide this message: temporarily or permanently

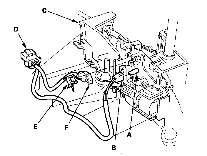
Park Pin Switch Replacement

Park Pin Switch Replacement
1. Remove the front console.





2. Remove the A/T gear position indicator panel light, and remove the bulb (A) from the socket (B).
3. Separate the A/T gear position indicator panel from the shift lever bracket base (C).
4. Disconnect the park pin switch connector (D), and remove it from the bracket base.
5. Remove the park pin switch clamp (E) and the park pin switch (F).
6. Install the new park pin switch in the shift lever bracket base, and install the park pin switch clamp to secure it.
7. Install the removed parts in the reverse order of removal.