Operation CHARM: Car repair manuals for everyone.
Manuals through 2025 now available!

Our trusted friends have launched a new website named LEMON, which has newer manuals. It also contains all the CHARM manuals.

LEMON is the spiritual successor to CHARM, I recommend you try it!

Link: lemon-manuals.la or lemon-manuals.org.ua

(Some people have issue connecting. LEMON is investigating. For now, use Firefox or change your DNS server)

Or, hide this message: temporarily or permanently

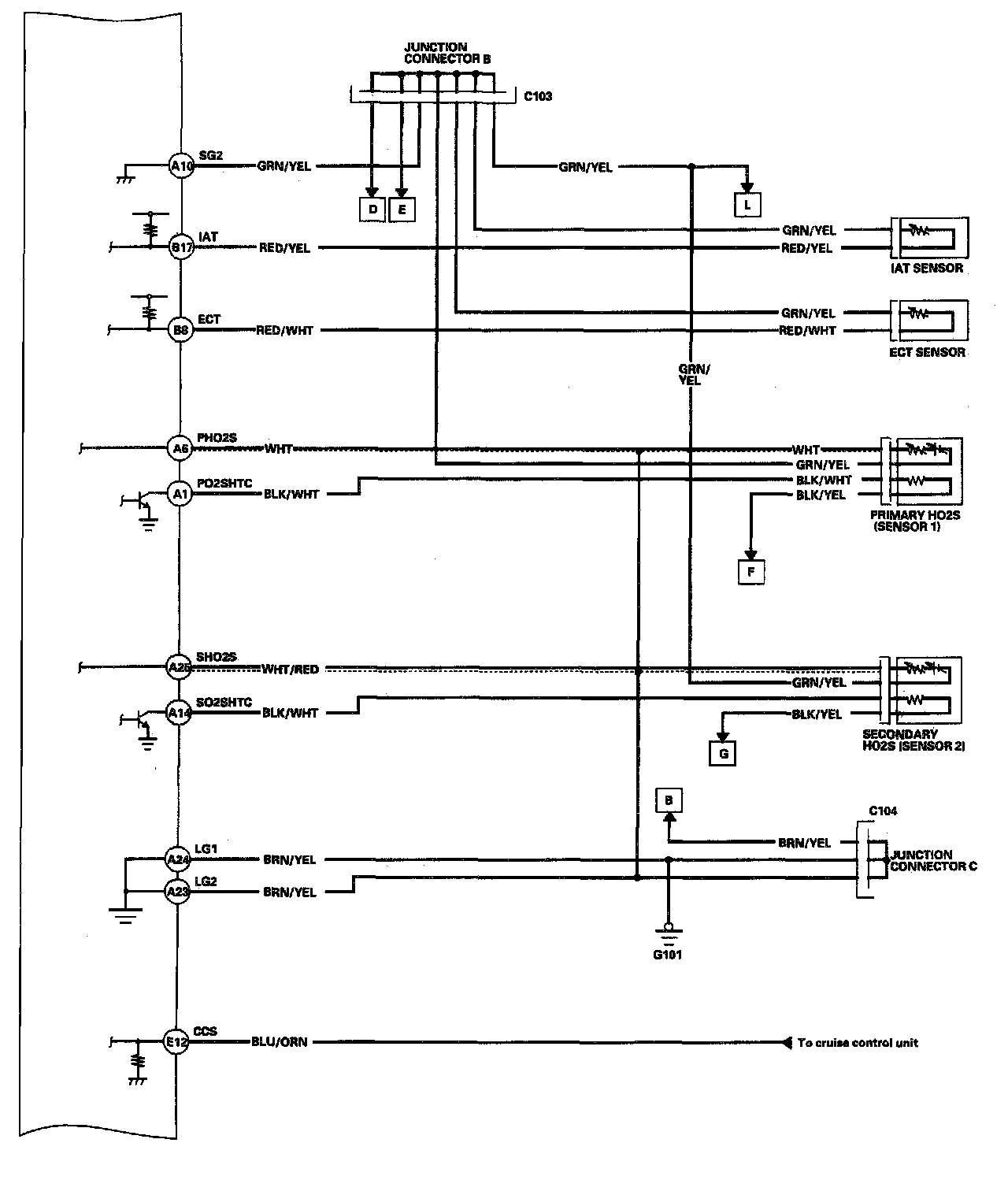
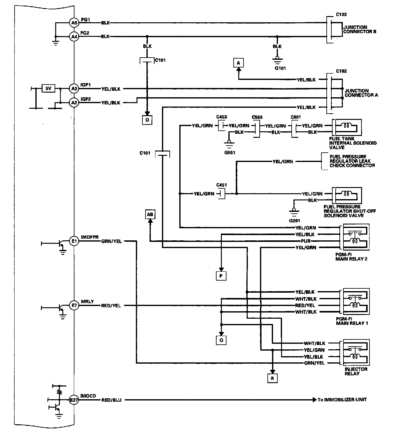
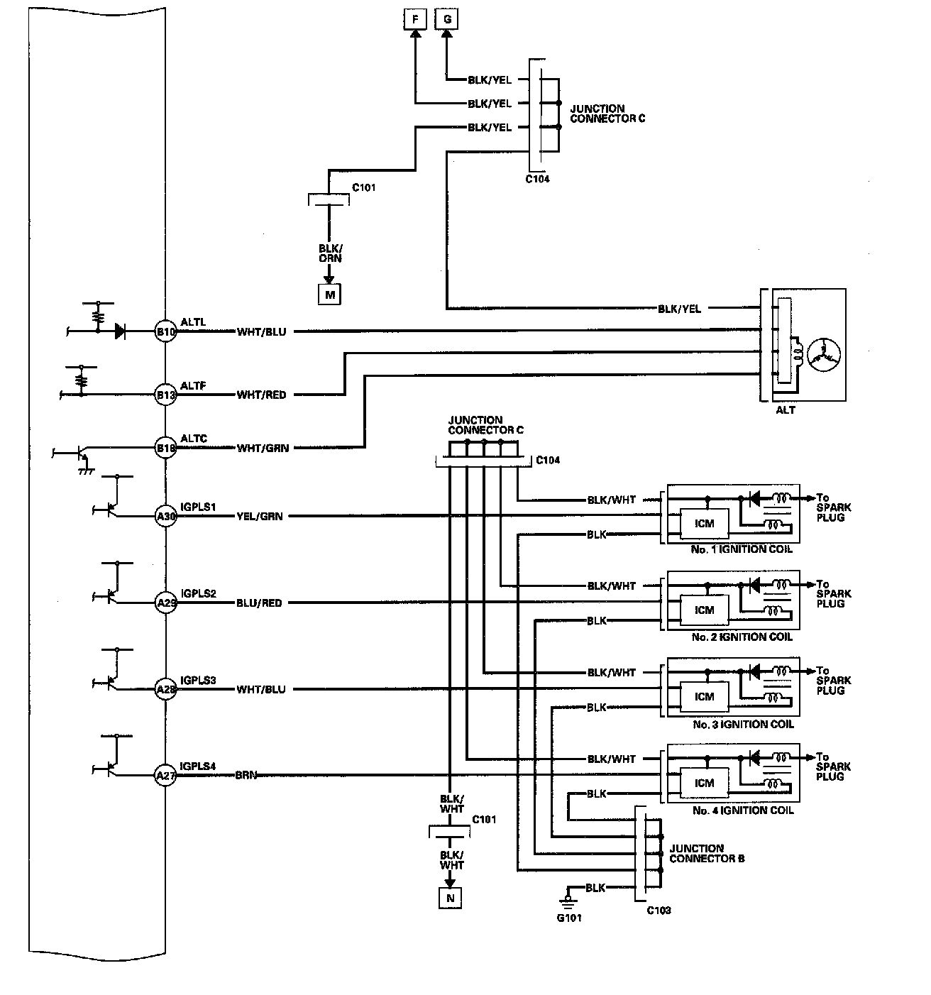
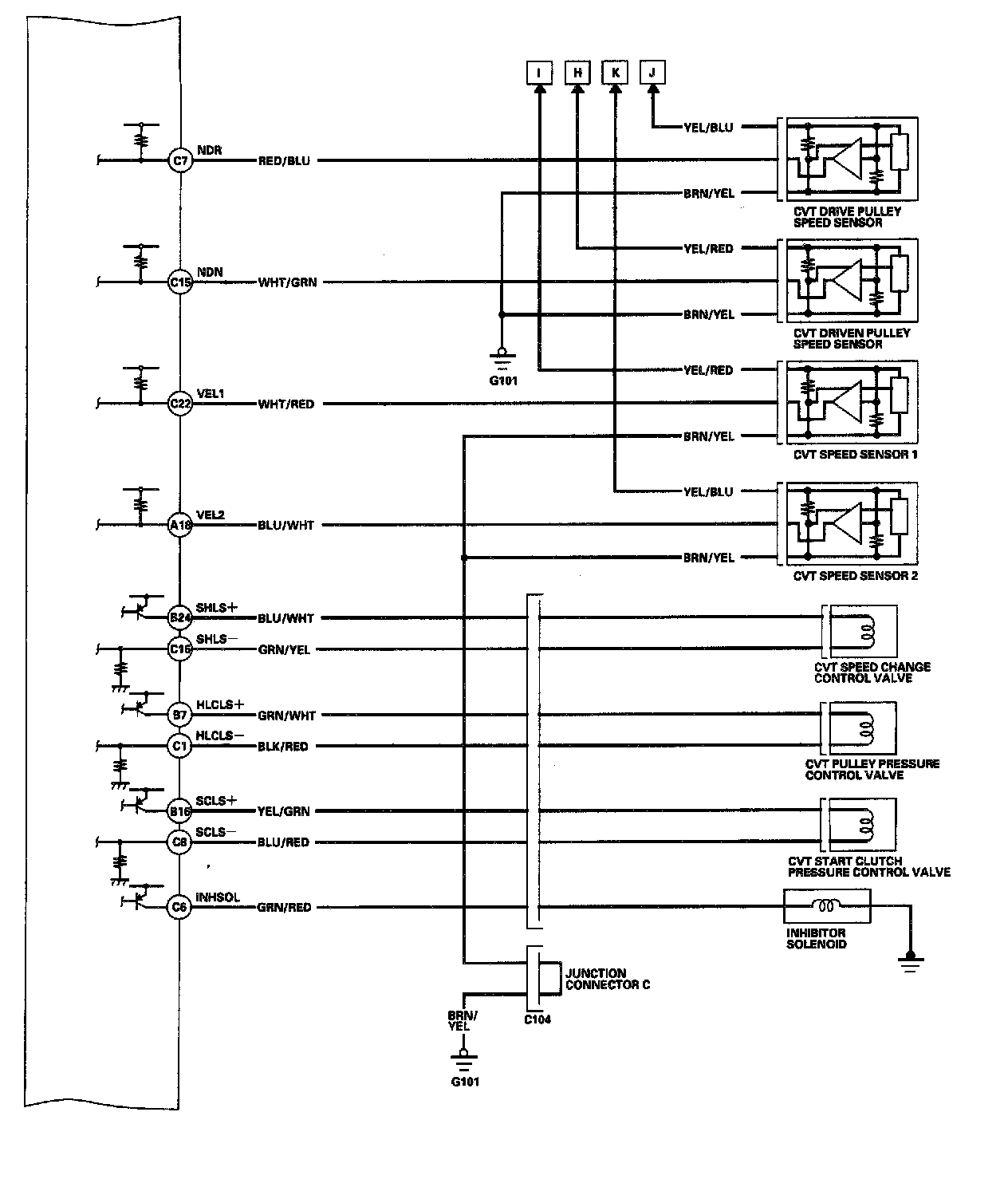
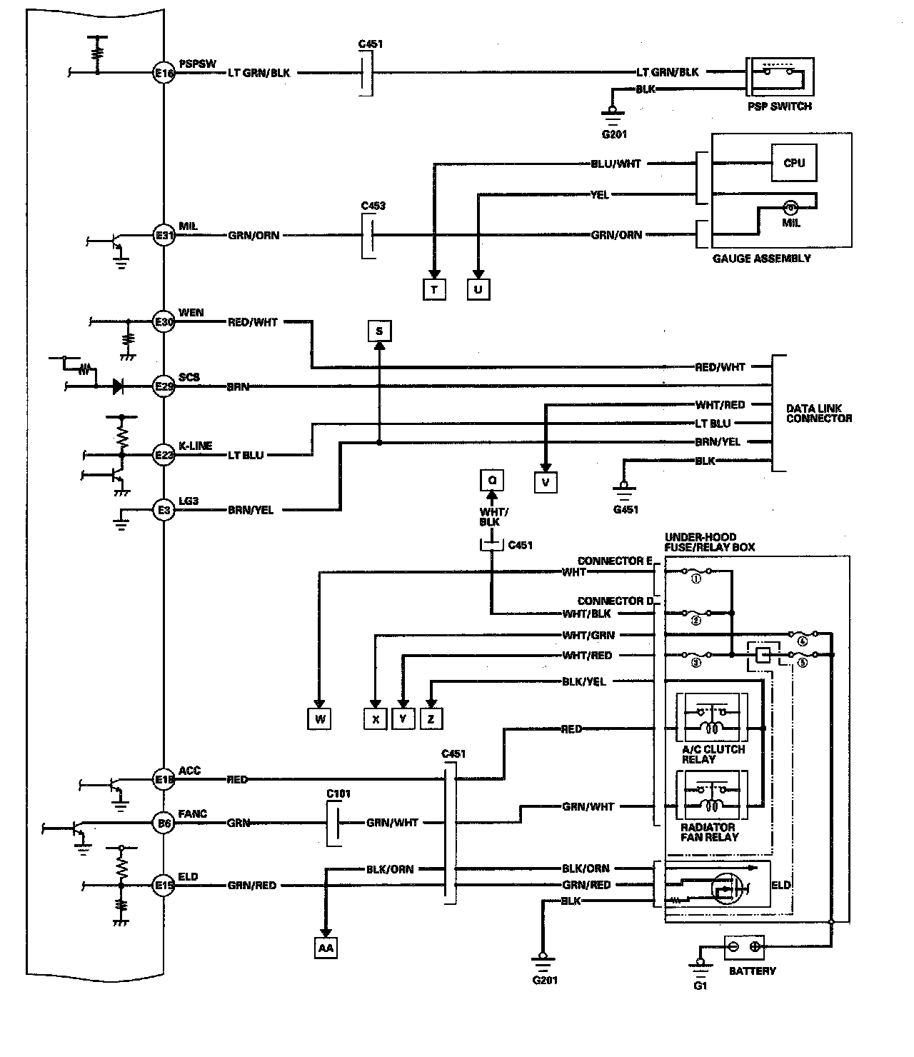
ECM/PCM Circuit Diagrams

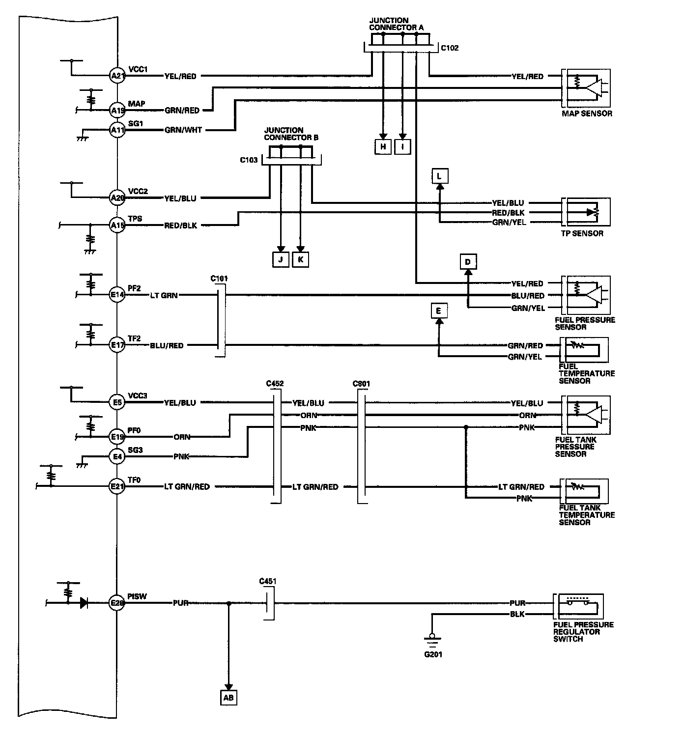
PCM Circuit Diagram Image 11-39:



PCM Circuit Diagram Image 11-40:



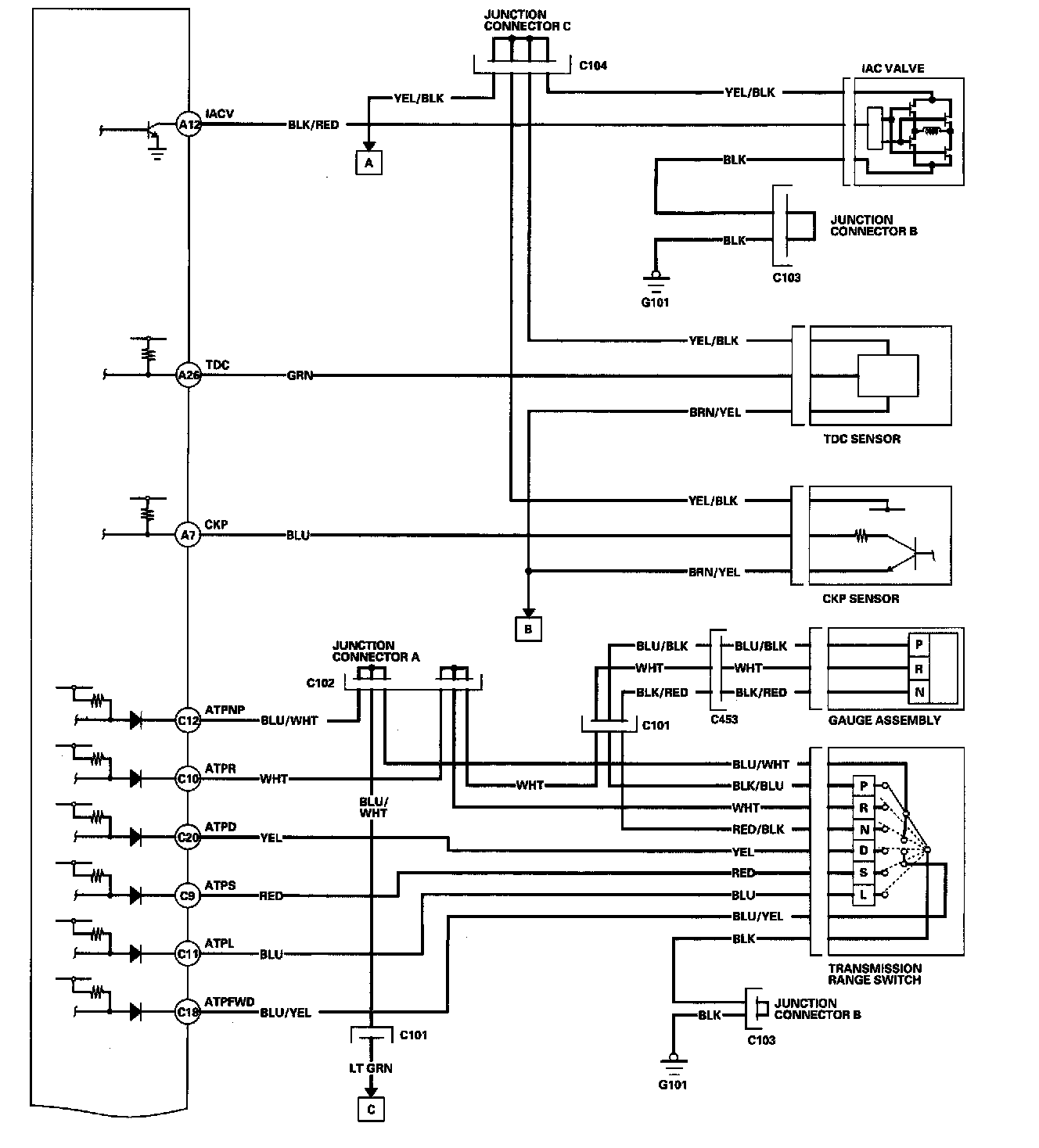
PCM Circuit Diagram Image 11-41:



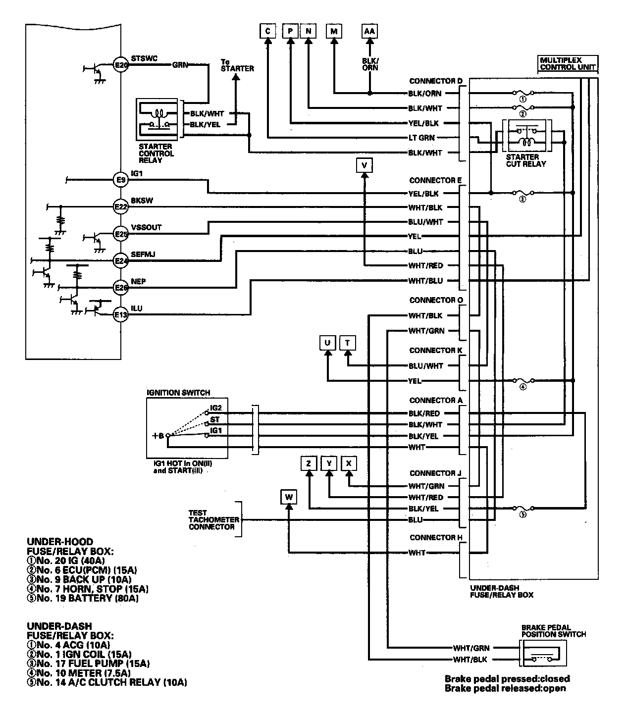
PCM Circuit Diagram Image 11-42:



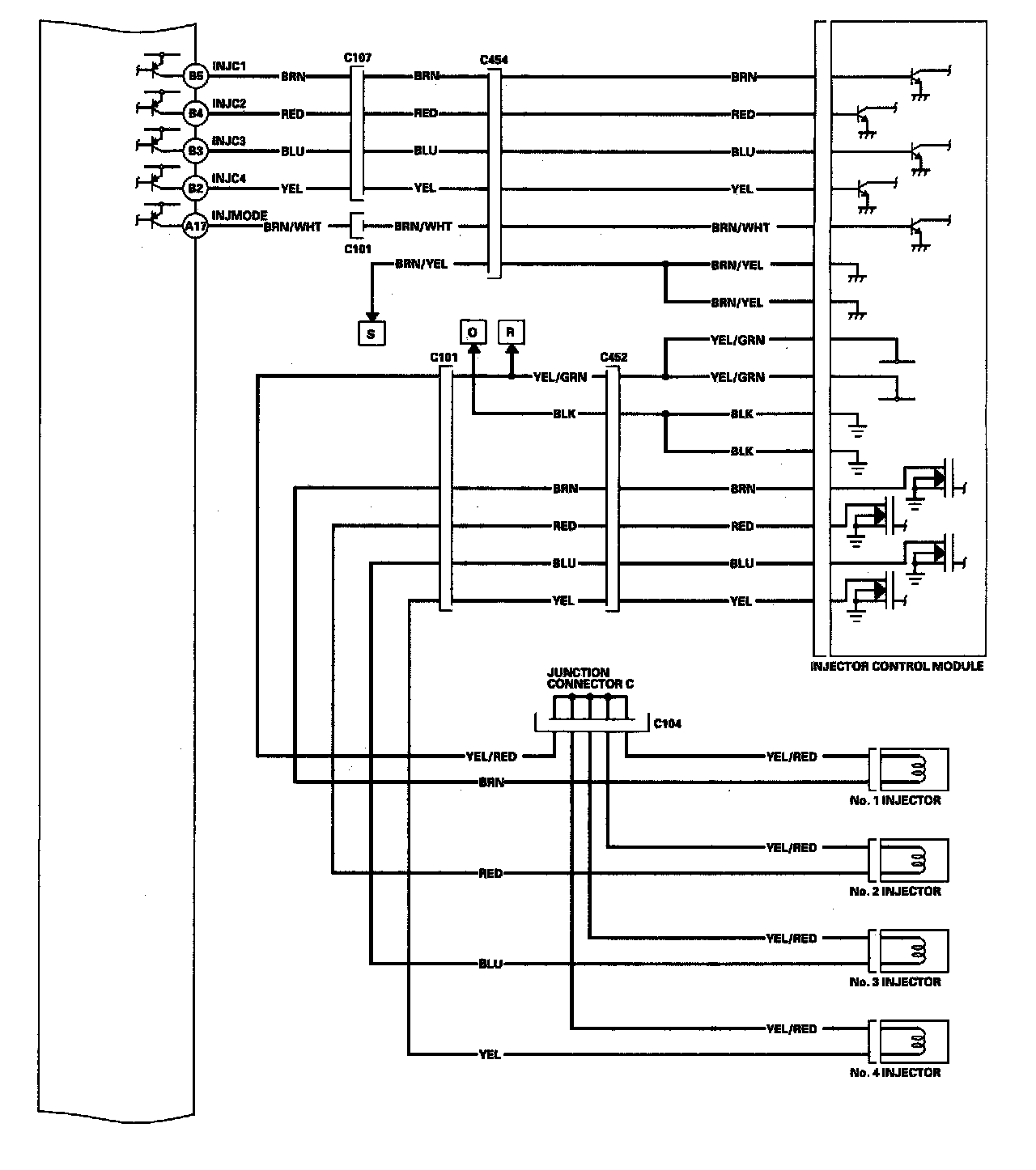
PCM Circuit Diagram Image 11-43:



PCM Circuit Diagram Image 11-44:



PCM Circuit Diagram Image 11-45:



PCM Circuit Diagram Image 11-46:



PCM Circuit Diagram Image 11-47: