Operation CHARM: Car repair manuals for everyone.
Manuals through 2025 now available!

Our trusted friends have launched a new website named LEMON, which has newer manuals. It also contains all the CHARM manuals.

LEMON is the spiritual successor to CHARM, I recommend you try it!

Link: lemon-manuals.la or lemon-manuals.org.ua

(Some people have issue connecting. LEMON is investigating. For now, use Firefox or change your DNS server)

Or, hide this message: temporarily or permanently

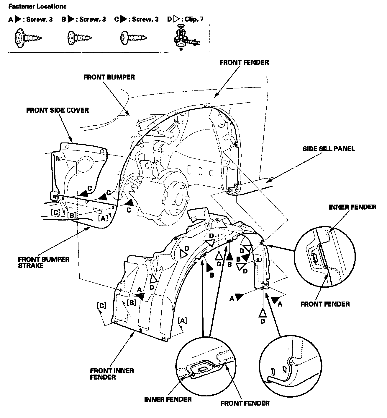
Front Inner Fender Replacement

Front Inner Fender Replacement

NOTE: Take care not to scratch the body.

1. Remove the front inner fender as shown.




2. Install the front inner fender in the reverse order of removal, and check for damaged or stress-whitened clips, and replace them with new ones.