Operation CHARM: Car repair manuals for everyone.
Manuals through 2025 now available!

Our trusted friends have launched a new website named LEMON, which has newer manuals. It also contains all the CHARM manuals.

LEMON is the spiritual successor to CHARM, I recommend you try it!

Link: lemon-manuals.la or lemon-manuals.org.ua

(Some people have issue connecting. LEMON is investigating. For now, use Firefox or change your DNS server)

Or, hide this message: temporarily or permanently

Engine: Service and Repair

Removal

NOTE:
^ Use fender covers to avoid damaging painted surfaces.
^ To avoid damage, unplug the wiring connectors carefully while holding the connector portion.
^ Mark all wiring and hoses to avoid misconnection. Also, be sure that they do not contact other wiring or hoses, or interfere with other parts.

1. Turn the battery module switch OFF, and measure the voltage.





2. Secure the hood in a vertical position by moving the support rod to the left side of the hood.
3. Write down the frequencies for the radio's preset buttons.
4. Disconnect the negative cable from the battery first, then disconnect the positive cable.
5. Remove the battery.





6. Remove the battery box.





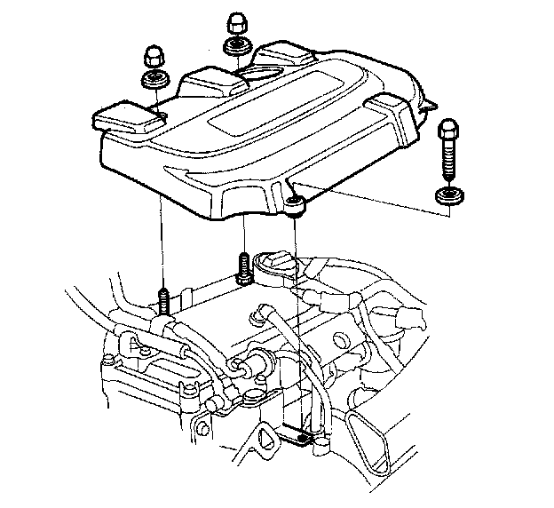
7. Remove the engine cover.





8. Remove the breather pipe (A) and brake booster vacuum hose bracket (B) from the air cleaner housing, then remove the air cleaner housing/ intake air duct assembly (C).





9. Remove the throttle cover (A), then remove the throttle cable (B) by loosening the locknut (C), then slipping the cable end out of the accelerator linkage. Take care not to bend the cable when removing it. Always replace any kinked cable with a new one.





10. Remove the brake booster vacuum hose (A) and the evaporative emission (EVAP) control canister hose (B).





11. Remove the ground cable (A), starter cable (B), and harness clamp (C).
12. Remove the IPU lid.
13. Remove the motor power cables.





14. Remove the engine control module (ECM) cover (A), then disconnect the ECM connectors (B) and the main wire harness connectors (C).





15. Remove the grommet mounting bolts (A) and harness clamps (B), then pull out the ECM connectors.
16. Relieve fuel pressure.





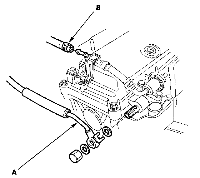
17. Remove the fuel feed hose (A) and the fuel return hose (B).





18. Loosen the idler pulley center nut (A), then turn the adjusting bolt clockwise (B). Remove the water pump-A/C compressor belt (C) (with ARC).
19. Remove the clutch slave cylinder/line assembly.
20. Remove the shift cables, manual transmission (M/T), continuously variable transmission (CVT).





21. Remove the motor power cable clamps.
22. Remove the radiator cap.
23. Raise the hoist to full height.
24. Remove the front tires/wheels.





25. Remove the splash shields.





26. Remove the splash shield bracket.
27. Loosen the drain plug in the radiator, and drain the engine coolant.
28. Drain the transmission fluid, manual transmission fluid (MTF), automatic transmission fluid (ATF). Reinstall the drain plug using a new washer.
29. Drain the engine oil. Reinstall the drain bolt using a new washer.
30. Disconnect the suspension lower arm ball joints.
31. Remove the driveshafts. Coat all precision finished surfaces with clean engine oil. Tie plastic bags over the driveshaft ends.





32. Remove the A/C compressor without disconnecting the A/C hoses.





33. Disconnect the third heated oxygen sensor (third HO2S) connector (A) ('02-03 M/T models), then remove the NOX adsorptive three way catalyst (NOX adsorptive TWC) (B).





34. Remove the left under-cover.





35. Remove the grommet mounting bolts (A), then pull out the motor power cable (B).





36. Remove the motor power cable holder from the underbody.
37. Lower the hoist.





38. Remove the upper radiator hose (A), lower radiator hose (B), and heater hoses (C).





39. Remove the ATF cooler hoses, then plug the ATF cooler hoses and lines (CVT).





40. Attach the chain hoist to the engine as shown.





41. Remove the rear mount mounting bolts.





42. Remove the side engine mount mounting nuts and mounting bolt.








43. Remove the transmission mount bracket mounting nuts and mounting bolt.
44. Check that the engine/motor/transmission is completely free of vacuum hoses, fuel and coolant hoses, and electrical wiring.
45. Slowly lower the engine about 150 mm (6 inch). Check once again that all hoses and wires are disconnected from the engine/motor/transmission.
46. Lower the engine all the way. Remove the chain hoist from the engine.
47. Remove the engine from under the vehicle.

Installation





1. Install the engine mount and the idler pulley, and tighten their bolts to the specified torques.
2. Install the engine into position in the vehicle.

NOTICE: Reinstall the mounting bolts/support nuts in the sequence given. Failure to follow this sequence may cause excessive noise and vibration, and reduce bushing life.








3. Tighten the transmission mount bracket mounting bolt/nuts (A), then loosen the transmission mount bolt (B).





4. Tighten the side engine mount mounting nuts (A) and mounting bolt (B), then loosen the side engine mount bolt (C).
5. Raise the hoist to full height.





6. Tighten the rear mount mounting bolts (A), then loosen the rear mount bolt (B).
7. Lower the hoist.
8. Remove the chain hoist from the engine.








9. Tighten the transmission mount bolt.





10. Tighten the side engine mount bolt.
11. Raise the hoist to full height.





12. Tighten the rear mount bolt.





13. Install the motor power cable holder.





14. Push the motor power cable through the hole, then install the grommet (A).





15. Install the left under-cover.





16. Install the NOX adsorptive three way catalyst (NOX adsorptive TWC) (A); use new gaskets (B) and new self-locking nuts (C), then connect the third heated oxygen sensor (third HO2S) connector (D) ('02 - 03 M/T models).





17. Install the A/C compressor.
18. Install a new spring clip on the end of each driveshaft, then install the driveshafts. Make sure each clip "clicks" into place in the differential.
19. Connect the suspension lower arm ball joints. Use new cotter pins.





20. Install the splash shield bracket.





21. Install the splash shields.
22. Lower the hoist.





23. Install the motor power cable clamps.
24. Install the shift cables, manual transmission (M/T), continuously variable transmission (CVT).
25. Install and adjust the water pump-A/C compressor belt (with ARC).





26. Install the automatic transmission fluid (ATF) cooler hoses (CVT).





27. Install the upper radiator hose (A), lower radiator hose (B), and heater hoses (C).





28. Push the engine control module (ECM) connectors through the bulkhead, then install the grommet (A) and harness clamps (B).





29. Connect the main wire harness connectors (A) and ECM connectors (B), then install the ECM cover (C).





30. Install the fuel feed hose (A) with new washers (B).
31. Install the motor power cables.
32. Install the IPU lid.





33. Install the starter cable (A), ground cable (B), and harness clamp (C).





34. Install the evaporative emission (EVAP) control canister hose (A) and brake booster vacuum hose (B).
35. Install the throttle cable, then adjust the cable.





36. Install the air cleaner housing/intake air duct assembly (A), then install the breather pipe (B) and brake booster vacuum hose bracket (C) on the air cleaner housing.





37. Install the battery box.
38. Clean the battery posts and cable terminals with sandpaper, then assemble them and apply grease to prevent corrosion.
39. Refill the engine with engine oil.
40. Refill the transmission, with manual transmission fluid (MTF), with ATF.
41. Refill the radiator with engine coolant, and bleed air from the cooling system with the heater valve open.





42. Install the engine cover.
43. Check that the transmission shifts into gear smoothly.
44. Inspect for fuel leaks. Turn ON (II) the ignition switch (do not operate the starter) so that the fuel pump runs for about 2 seconds and pressurizes the fuel line. Repeat this operation two or three times, then check for fuel leakage at any point in the fuel line.
45. Start the engine. Hold the engine at 3,500 rpm with no load for 10 minutes.
46. The IMA Battery Level indicator should read full.
47. Perform the ECM idle learn procedure.
48. Enter the customer's radio station presets.
49. Set the clock.