Operation CHARM: Car repair manuals for everyone.
Manuals through 2025 now available!

Our trusted friends have launched a new website named LEMON, which has newer manuals. It also contains all the CHARM manuals.

LEMON is the spiritual successor to CHARM, I recommend you try it!

Link: lemon-manuals.la or lemon-manuals.org.ua

(Some people have issue connecting. LEMON is investigating. For now, use Firefox or change your DNS server)

Or, hide this message: temporarily or permanently

System Description





System Description
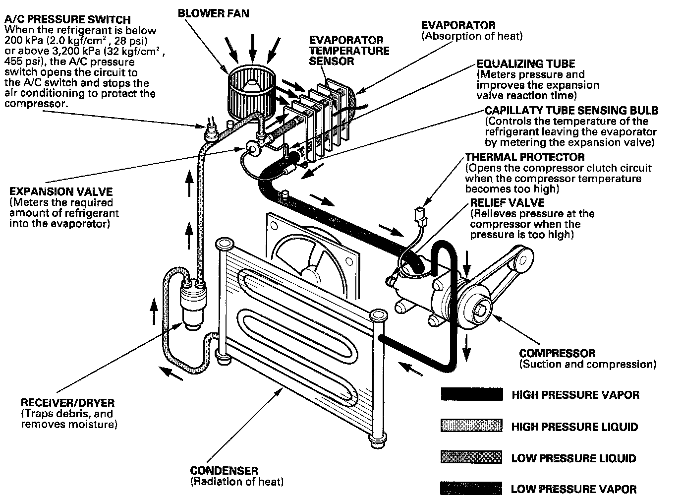
The air conditioning system removes heat from the passenger compartment by circulating refrigerant through the system as shown below.

This vehicle uses HFC-134a (R-134a) refrigerant which does not contain chlorofluorocarbons. Pay attention to the following service items :
- Do not mix refrigerants CFC-12 (R-12) and HFC-134a (R-134a). They are not compatible.
- Use only the recommended polyalkyleneglycol (PAG) refrigerant oil (SANDEN SP-10) designed for the R-134a compressor. Intermixing the recommended (PAG) refrigerant oil with any other refrigerant oil will result in compressor failure.
- All A/C system parts (compressor, discharge line, suction line, evaporator, condenser, receiver/dryer, expansion valve, O-rings for joints) have to be proper for refrigerant R-134a. Do not confuse with R-12 parts.
- Use a halogen gas leak detector designed for refrigerant R-134a.
- R-12 and R-134a refrigerant servicing equipment are not interchangeable. Use only a recovery/recycling/charging station that is U.L.-listed and is certified to meet the requirements of SAE J22110 to service R-134a air conditioning system.
- Always recover the refrigerant R-134a with an approved recovery/recycling/charging station before disconnecting any A/C fitting.