Operation CHARM: Car repair manuals for everyone.
Manuals through 2025 now available!

Our trusted friends have launched a new website named LEMON, which has newer manuals. It also contains all the CHARM manuals.

LEMON is the spiritual successor to CHARM, I recommend you try it!

Link: lemon-manuals.la or lemon-manuals.org.ua

(Some people have issue connecting. LEMON is investigating. For now, use Firefox or change your DNS server)

Or, hide this message: temporarily or permanently

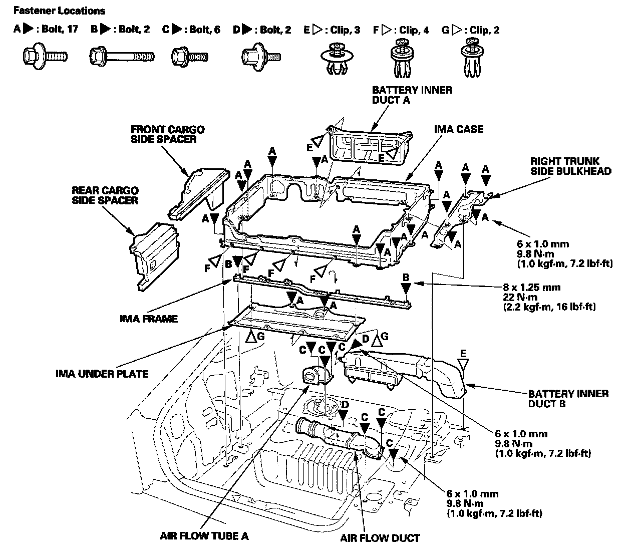
IMA Case Replacment

IMA Case Replacement

NOTE: IMA wires are located in this area. Make sure you read the Service Precautions before performing repairs or service.

NOTE:
- Put on gloves to protect your hands.
- Take care not to scratch the body.

1. Remove these items:
- Battery module
- PCU
- Rear trim panel
- Quarter trim panel
- Middle floor panel

2. Remove the IMA case as shown.




3. Install the IMA case in the reverse order of removal, and replace any damaged clips.