Operation CHARM: Car repair manuals for everyone.
Manuals through 2025 now available!

Our trusted friends have launched a new website named LEMON, which has newer manuals. It also contains all the CHARM manuals.

LEMON is the spiritual successor to CHARM, I recommend you try it!

Link: lemon-manuals.la or lemon-manuals.org.ua

(Some people have issue connecting. LEMON is investigating. For now, use Firefox or change your DNS server)

Or, hide this message: temporarily or permanently

Removal And Installation

1. Write down the frequencies for the radio's preset buttons.
2. Disconnect the battery negative cable, then disconnect the positive cable, and wait at least three minutes.




3. Remove the breather pipe (A) and brake booster vacuum hose bracket (B) from the air cleaner housing, then remove the air cleaner housing/intake air duct assembly.




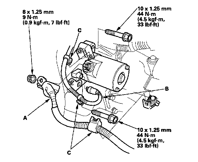
4. Disconnect the starter cable (A) and BLK/WHT wire (B), then remove the wire harness clamps (C).
5. Remove the two bolts holding the starter, then remove the starter.




6. Install the starter in the reverse order of removal. Make sure the crimped side of the ring terminal is facing out.
7. Connect the battery positive cable and negative cable to the battery.
8. Enter the customer's radio station preset.
9. Remove the No.15 (40 A) fuse from the under-hood fuse box.
10. Start the engine. Hold the engine at 3,000 - 3,500 rpm with no load for 10 minutes.
11. The IMA Battery Level indicator should read full.
12. Reinstall the No.15 (40 A) fuse in the under-hood fuse box.