Operation CHARM: Car repair manuals for everyone.
Manuals through 2025 now available!

Our trusted friends have launched a new website named LEMON, which has newer manuals. It also contains all the CHARM manuals.

LEMON is the spiritual successor to CHARM, I recommend you try it!

Link: lemon-manuals.la or lemon-manuals.org.ua

(Some people have issue connecting. LEMON is investigating. For now, use Firefox or change your DNS server)

Or, hide this message: temporarily or permanently

Transmission Installation

Transmission Installation
1. Flush the ATF cooler.
2. Remove the used grease in the flywheel hub cap and flywheel splines.





3. Push out about 2 grams (0.07 oz.) of Super High Temp Urea Grease (P/N 41211-PY5-305) using a ruler. One gram equals 40 mm of ruler length





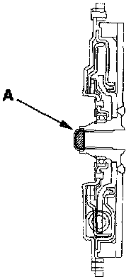
4. Fill the inside of the flywheel hub cap (A) with measured grease. Do not use more than 2.5 gram (0.086 oz.) or you will damage the transmission.





5. Install a new rubber sealing ring (A) on the input shaft (B), and install the 14 mm dowel pins (C) in the flywheel housing.
6. Install the flywheel (D) on the input shaft.
7. Place the transmission on a jack, and raise it to the engine level.





8. Install the transmission housing mounting bolts.
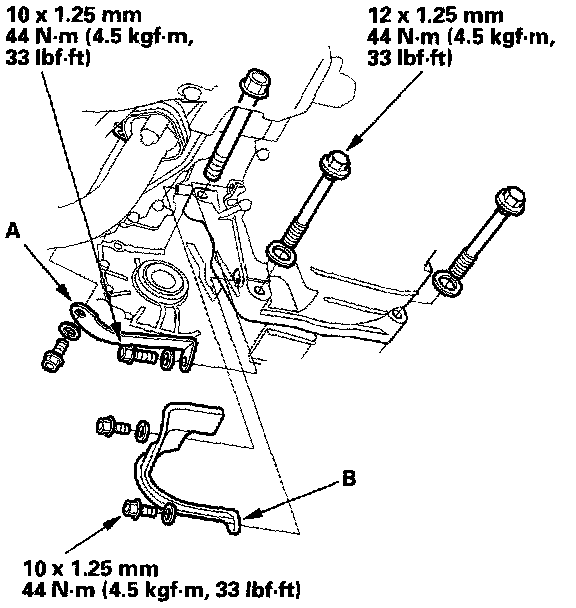
9. Install the exhaust manifold bracket (A) and heat shield (B).





10. Install the transmission mount bracket (A). Tighten the bolt (B) loosely, and tighten the nuts (C) to the specified torque, then tighten the bolt to the specified torque.
11. Install the transmission ground cable (D) on the transmission mount bracket.





12. Install the transmission housing mounting bolts.





13. Install the rear mount/bracket.
14. Remove the engine hanger.





15. Attach the flywheel to the drive plate with eight bolts. Rotate the crankshaft pulley as necessary to tighten the bolts to 1/2 of the specified torque, then to the final torque, in a cries-cross pattern. After installing the last bolt, check that the crankshaft rotate freely.





16. Connect the ATF cooler hoses (A) to the ATF cooler lines (B).





17. Install new set rings (A) on the driveshafts (B).
18. Install the right and left driveshaft. While installing the driveshafts in the differential, be sure not to allow dust or other foreign particles to enter the transmission.

NOTE:
^ Clean the areas where the driveshafts contact the transmission (differential) with solvent or carburetor cleaner, and dry with compressed air.
^ Turn the right and left steering knuckle fully outward, and slide the driveshafts into the differential until you feel its set ring engages the side gear.





19. Connect the ball joints (A) to the knuckles (B), and install the castle nuts (C) and new cotter pins (D).
20. Install the spindle nuts (E) on the driveshaft.





21. Install the engine under cover and its bracket.





22. Connect the CVT driven pulley speed sensor connector (A), CVT speed sensor connector (B), and vehicle speed sensor connector (C).
23. Connect the transmission range switch connector (D), and install it on the connector bracket, then install the harness clamps (E) on the brackets (F).





24. Install the shift cable bracket (A).
25. Install the shift cable end (B) on the control lever (C). Install the shift cable on its bracket, and tighten the locknut (D). Do not bend the shift cable excessively.
26. Install the plastic washer (E), then the steel washer (F), and install the spring clip (G) in the direction shown.





27. Connect the solenoid harness connector (8P) (A) and CVT drive pulley speed sensor connector (B).
28. Install the transmission ground cable (C).





29. Install the starter and starter cable.
30. Refill transmission with the recommended fluid into the filler hole.
31. Install the battery tray and battery, then secure the battery with its hold-down bracket.
32. Install the resonator and air cleaner housing.





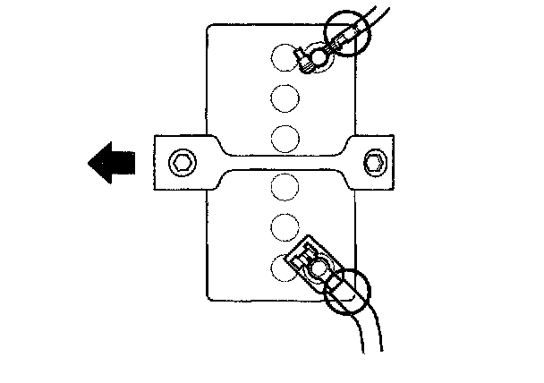
33. Connect the battery terminals in the direction shown.
34. Apply grease to the battery terminals.
35. Check the ignition timing.
36. Apply parking brake, and start the engine.
37. Shift the transmission through all gears three times, and check the shift lever operation, A/T gear position indicator operation, and shift cable adjustment.
38. Check and adjust the front wheel alignment.
39. Start the engine and let it reach normal operating temperature (the radiator fan comes on) with the transmission in the [P] or [N] position, then turn it off and check the ATF level.
40. Install the engine cover.
41. Calibrate the start clutch control system.
42. Perform a road test.
43. Enter the anti-theft code for the radio, then enter the radio station presets, and set the clock.