Operation CHARM: Car repair manuals for everyone.
Manuals through 2025 now available!

Our trusted friends have launched a new website named LEMON, which has newer manuals. It also contains all the CHARM manuals.

LEMON is the spiritual successor to CHARM, I recommend you try it!

Link: lemon-manuals.la or lemon-manuals.org.ua

(Some people have issue connecting. LEMON is investigating. For now, use Firefox or change your DNS server)

Or, hide this message: temporarily or permanently

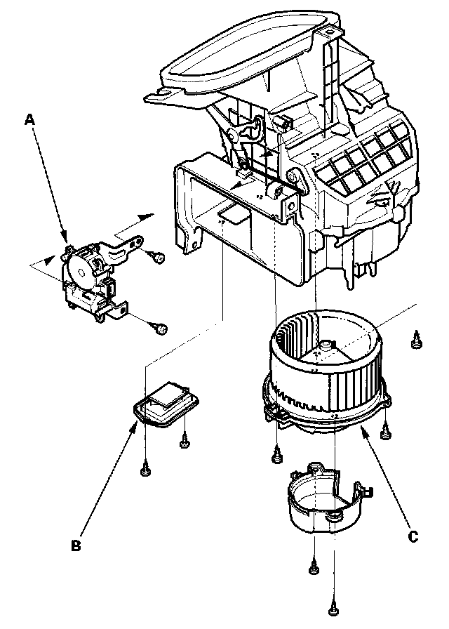
Components Replacement

Blower Unit Components Replacement

Note these items when overhauling the blower unit:




- The recirculation control motor (A), the blower resistor or power transistor (B) and the blower motor (C) can be replaced without removing the blower unit.
- Before reassembly, make sure that the recirculation control linkage and doors move smoothly without binding.
- After reassembly, make sure the recirculation control motor runs smoothly.