Operation CHARM: Car repair manuals for everyone.
Manuals through 2025 now available!

Our trusted friends have launched a new website named LEMON, which has newer manuals. It also contains all the CHARM manuals.

LEMON is the spiritual successor to CHARM, I recommend you try it!

Link: lemon-manuals.la or lemon-manuals.org.ua

(Some people have issue connecting. LEMON is investigating. For now, use Firefox or change your DNS server)

Or, hide this message: temporarily or permanently

Overhaul

Starter Overhaul

Starting System - Starter Overhaul:




Disassembly/Reassembly

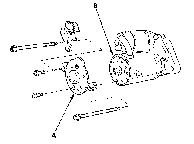
1. Remove the starter.
2. Disassemble the starter as shown at the beginning of this procedure.

Armature Inspection and Test




3. Inspect the armature for wear or damage from contact with the permanent magnet. If there is wear or damage, replace the armature.




4. Check the commutator (A) surface. If the surface is dirty or burnt, resurface with emery cloth or a lathe within the given specifications, or recondition with # 500 or # 600 sandpaper (B).




5. Check the commutator diameter. If the diameter is below the service limit, replace the armature.




6. Measure the commutator runout.
- If the commutator runout is within the service limit, check the commutator for carbon dust or brass chips between the segments.
- If the commutator runout is not within the service limit, replace the armature.




7. Check the mica depth (A) If the mica is too high (B), undercut the mica with a hacksaw blade to the proper depth. Cut away all the mica (C) between the commutator segments. The undercut should not be too shallow, too narrow, or V-shaped (D).




8. Check for continuity between the segments of the commutator. If an open circuit exists between any segments, replace the armature.




9. Place the armature (A) on an armature tester (B). Hold a hacksaw blade (C) on the armature core. If the blade is attracted to the core or vibrates while the core is turned, the armature is shorted. Replace the armature.




10. Check with an ohmmeter that no continuity exists between the commutator (A) and armature coil core (B), and between the commutator and armature shaft (C) If continuity exists, replace the armature.

Starter Brush Inspection




11. Measure the brush length. If it is not within the service limit, replace the brush holder assembly.

Starter Brush Holder Test




12. Check that there is no continuity between the (+) brush holder (A) and (-) brush holder (B). If there is continuity, replace the brush holder assembly.




13. Insert the brush (A) into the brush holder, and bring the brush into contact with the commutator, then attach a spring scale (B) to the spring (C). Measure the spring tension at the moment the spring lifts off the brush.




14. Pry back each brush spring with a screwdriver, then position the brush about halfway out of its holder, and release the spring to hold it there.




15. Install the armature in the housing. Next, pry back each brush spring again, and push the brush down until it seats against the commutator, then release the spring against the end of the brush.

NOTE: To seat new brushes, slip a strip of # 500 or # 600 sandpaper, with the grit side up, between the commutator and each brush, and smoothly rotate the armature. The contact surface of the brushes will be sanded to the same contour as the commutator




16. Install the starter end cover (A) to retain the brush holder (B).

Overrunning Clutch Inspection

17. Slide the overrunning clutch along the shaft. Replace it if it does not slide smoothly.




18. Rotate the overrunning clutch (A) both ways. If it does not lock in either direction or it locks in both directions, replace it.
19. If the starter drive gear (B) is worn or damaged, replace the overrunning clutch assembly, the gear is not available separately.
Check the condition of the torque converter ring gear if the starter drive gear teeth are damaged

20. Reassemble the starter in reverse order of disassembly.