Operation CHARM: Car repair manuals for everyone.
Manuals through 2025 now available!

Our trusted friends have launched a new website named LEMON, which has newer manuals. It also contains all the CHARM manuals.

LEMON is the spiritual successor to CHARM, I recommend you try it!

Link: lemon-manuals.la or lemon-manuals.org.ua

(Some people have issue connecting. LEMON is investigating. For now, use Firefox or change your DNS server)

Or, hide this message: temporarily or permanently

Shift Cable: Service and Repair

Replacement
SRS components are located in this area. Review the SRS components locations, precautions, and procedures in SRS before performing repairs or service.
1. Raise the front of the vehicle, and make sure it is securely supported.
2. Set the parking brake, and block the rear wheels securely.
3. Remove the steering column covers.
4. Shift the transmission into the N position.





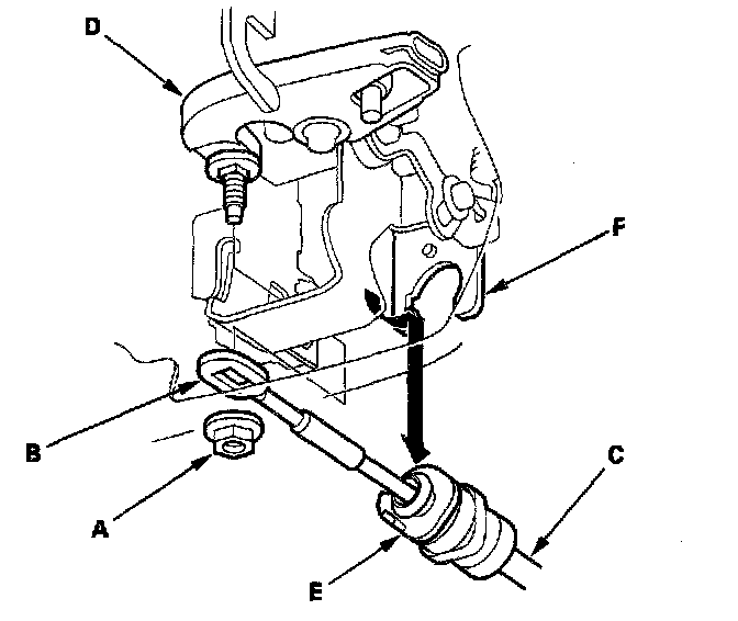
5. Remove the nut (A) securing the shift cable end (B), then separate the shift cable (C) from the shift lever assembly (D).
6. Rotate the socket holder (E) on the shift cable counterclockwise a quarter turn, then slide the holder to remove the shift cable from the shift cable bracket (F).





7. Remove the shift cable guide bracket (A) and grommet (B).





8. Remove the bolts securing the shift cable holder (A), then remove the shift cable cover (B).

NOTE: To prevent damage to the control lever joint, remove the bolts securing the shift cable holder before removing the bolts securing the shift cable cover.

9. Remove the lock bolt (C) securing the control lever (D), then remove the shift cable (E) with the control lever.
10. Insert the new shift cable through the grommet hole, then install the shift cable guide bracket.
11. Verify that the transmission is in the N position on the control shaft.





12. Install the control lever (A) with the shift cable (B) on the control shaft (C). Do not bend the shift cable excessively.
13. Install the lock bolt (D) with a new lock washer (E), then bend the lock washer tab against the bolt head.
14. Install the shift cable cover (F), then install the shift cable holder (G) on the shift cable cover.

NOTE: To prevent damage to the control lever joint, be sure to install the shift cable holder after installing the shift cable cover to the torque converter housing.

15. Turn the ignition switch ON (II), and verify that the N position indicator comes on.





16. If necessary, push the shift cable until it stops, then release it. Pull the shift cable back two steps so that the shift lever position is in N.
17. Turn the ignition switch OFF.





18. Insert a 6.0 mm (0.24 inch) pin (A) through the positioning hole (B) on the detent plate and into the positioning hole (C) on the control bracket.





19. Align the socket holder (A) on the shift cable (B) with the slot in the shift cable bracket (C), then slide the holder into the bracket. Install the shift cable end (D) over the mounting stud (E) by aligning its square hole (F) with the square fitting (G) at the bottom of the stud, and rotate the holder clockwise a quarter turn to secure the shift cable.

NOTE: Do not install the shift cable by twisting the shift cable guide (H).








20. Verify that the shift cable end (A) is properly installed on the mounting stud (B).
21. If improperly installed, remove the shift cable from the shift cable bracket, and reinstall the shift cable. Do not install the shift cable end on the mounting stud while the shift cable is on the shift cable bracket.





22. Install and tighten the nut.
23. Remove the 6.0 mm (0.24 inch) pin that was installed to hold the shift lever.
24. Move the shift lever to each gear and verify that the A/T gear position indicator follows the transmission range switch.
25. Start the engine, and check the shift lever operation.