Operation CHARM: Car repair manuals for everyone.
Manuals through 2025 now available!

Our trusted friends have launched a new website named LEMON, which has newer manuals. It also contains all the CHARM manuals.

LEMON is the spiritual successor to CHARM, I recommend you try it!

Link: lemon-manuals.la or lemon-manuals.org.ua

(Some people have issue connecting. LEMON is investigating. For now, use Firefox or change your DNS server)

Or, hide this message: temporarily or permanently

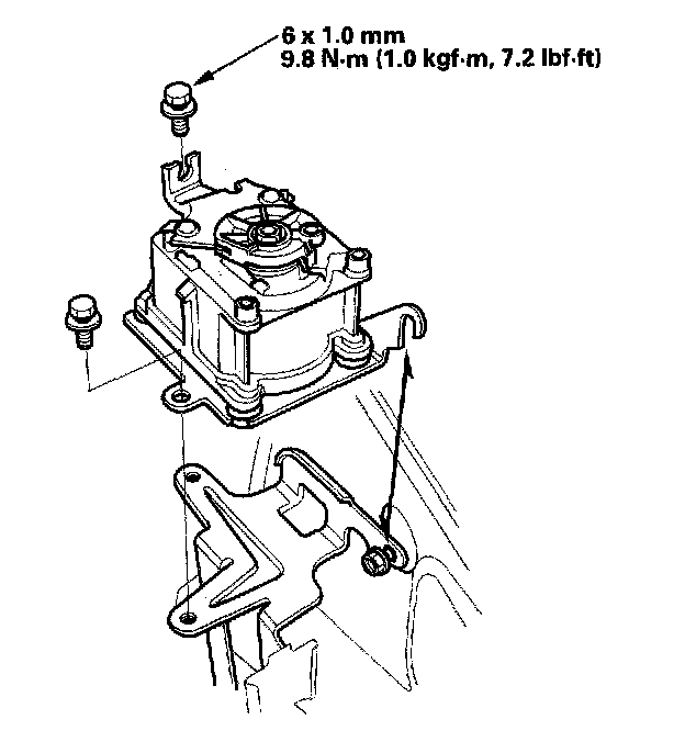
Cruise Control Servo: Service and Repair

Cruise Control Actuator Replacement




1. Remove the actuator cover, and disconnect the 4P connector from the cruise control actuator.




2. Disconnect the actuator cable end (A) from the output linkage (B), and remove the cable (C) from the cruise control actuator.




3. Remove the cruise control actuator assembly.
4. Replace the actuator, and install the new cruise control actuator in the reverse order of removal.
5. Adjust the actuator cable on the cruise control actuator side.