Operation CHARM: Car repair manuals for everyone.
Manuals through 2025 now available!

Our trusted friends have launched a new website named LEMON, which has newer manuals. It also contains all the CHARM manuals.

LEMON is the spiritual successor to CHARM, I recommend you try it!

Link: lemon-manuals.la or lemon-manuals.org.ua

(Some people have issue connecting. LEMON is investigating. For now, use Firefox or change your DNS server)

Or, hide this message: temporarily or permanently

Compressor HVAC: Service and Repair

Compressor Replacement

1. If the compressor is marginally operable, run the engine at idle speed, and let the air conditioning work for a few minutes, then shut the engine off.
2. Make sure you have the anti-theft code for the radio, then write down the frequencies for the radio's preset buttons.
3. Disconnect the negative cable from the battery.
4. Recover the refrigerant with a recovery/recycling/charging station.
5. Remove the air cleaner housing.
6. Remove the alternator.




7. Remove the nuts, then disconnect the suction line (A) and the discharge line (B) from the compressor. Plug or cap the lines immediately after disconnecting them to avoid moisture and dust contamination.




8. Disconnect the compressor clutch connector, then remove the mounting bolts and the compressor.




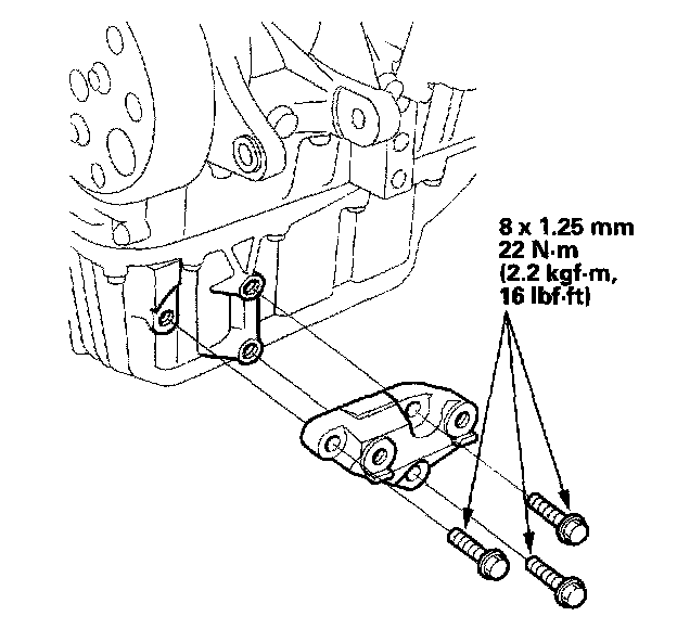
9. If necessary, remove the mounting bolts and the compressor bracket.
10. Install the compressor in the reverse order of removal, and note these items:
- If you're installing a new compressor, you must calculate the amount of refrigerant oil to be removed from it.
- Replace the O-rings with new ones at each fitting, and apply a thin coat of refrigerant oil before installing them. Be sure to use the correct O-rings for HFC-134a (R-134a) to avoid leakage.
- Use refrigerant oil (KEIHIN SP-10) for HFC-134a KEIHIN spiral type compressor only.
- To avoid contamination, do not return the oil to the container once dispensed, and never mix it with other refrigerant oils.
- Immediately after using the oil, reinstall the cap on the container, and seal it to avoid moisture absorption.
- Do not spill the refrigerant oil on the vehicle; it may damage the paint. If the refrigerant oil contacts the paint, wash it off immediately.
- Charge the system.
- Do the ECM idle learn procedure.
- Enter the anti-theft code for the radio, then enter the customer's radio station presets.
- For '01-03 models, reset the clock.