Operation CHARM: Car repair manuals for everyone.
Manuals through 2025 now available!

Our trusted friends have launched a new website named LEMON, which has newer manuals. It also contains all the CHARM manuals.

LEMON is the spiritual successor to CHARM, I recommend you try it!

Link: lemon-manuals.la or lemon-manuals.org.ua

(Some people have issue connecting. LEMON is investigating. For now, use Firefox or change your DNS server)

Or, hide this message: temporarily or permanently

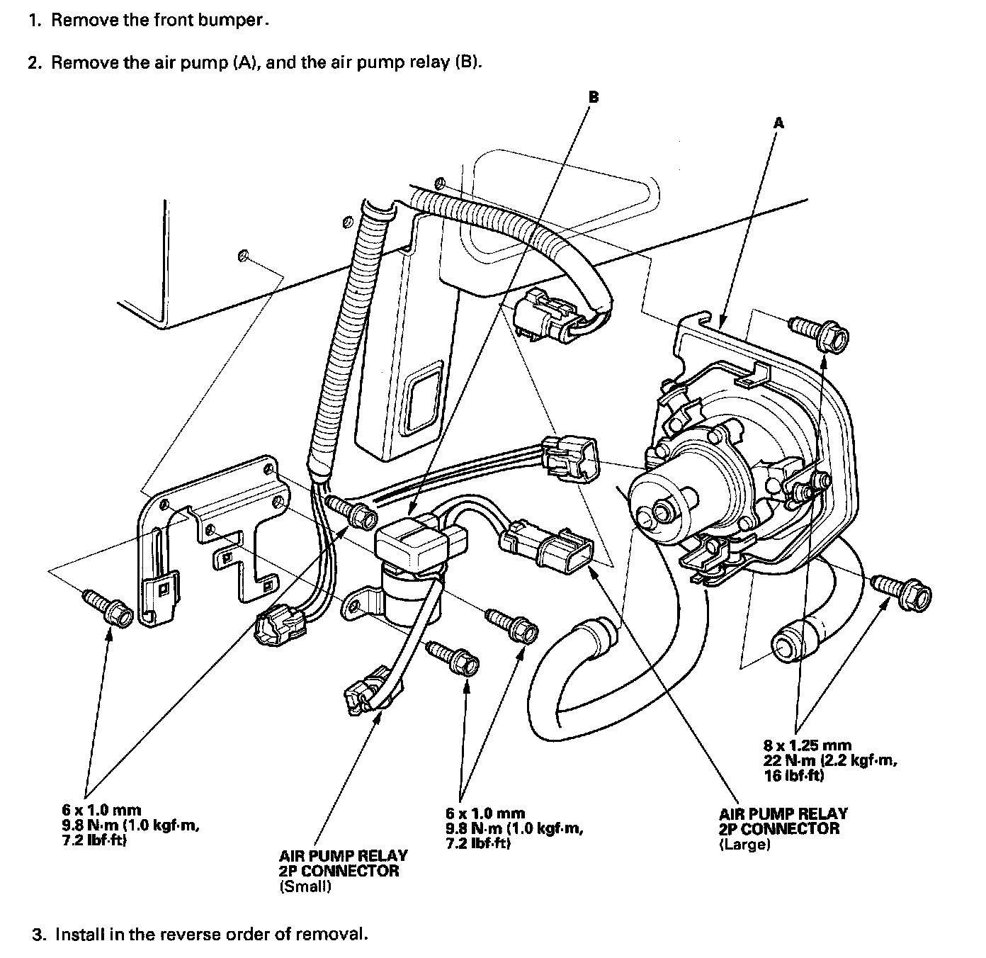
Air Injection: Service and Repair

Air Pump/Air Pump Relay

Air Pump/Air Pump Relay Removal/Installation:







Air Pump Electrical Current Sensor Removal/Installation






1. Pull away the left inner fender as necessary.
2. Disconnect the air pump electrical current sensor 2P connector (A), and remove the lower cover (B), then disconnect the air pump electrical current sensor 3P connector (C).
3. Remove the air pump electrical current sensor (D).
4. Install in the reverse order of removal.