Operation CHARM: Car repair manuals for everyone.
Manuals through 2025 now available!

Our trusted friends have launched a new website named LEMON, which has newer manuals. It also contains all the CHARM manuals.

LEMON is the spiritual successor to CHARM, I recommend you try it!

Link: lemon-manuals.la or lemon-manuals.org.ua

(Some people have issue connecting. LEMON is investigating. For now, use Firefox or change your DNS server)

Or, hide this message: temporarily or permanently

Replacement

Starter Replacement

1. Make sure you have the anti-theft code for the radio, and the navigation system, then write down the frequencies for the radio's preset buttons.
2. Disconnect the negative cable from the battery first, then disconnect the positive cable.
3. Remove the intake manifold.







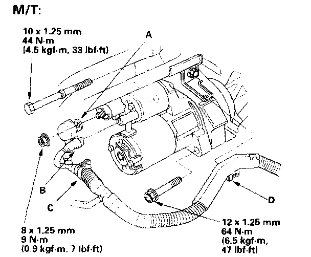
4. Disconnect the starter cable (A) from the B terminal, then disconnect the BLK/WHT wire (B) from the S terminal.
5. Remove the harness clamp (C).
6. Remove the harness holder (D).
7. Remove the two bolts holding the starter, then remove the starter.




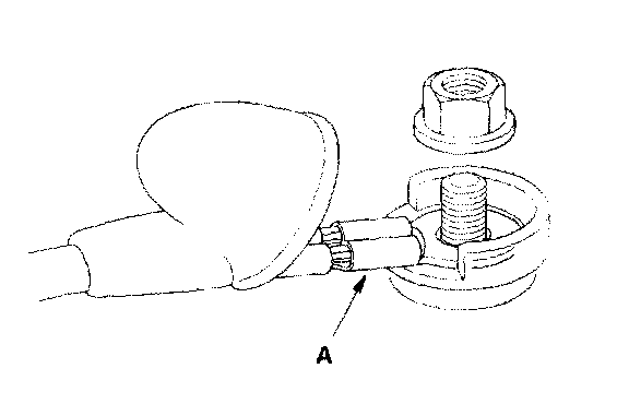
8. Install the reverse order of removal. Make sure the crimped side of the ring terminal (A) is facing out.
9. Connect the battery positive cable and negative cable to the battery.
10. Start the engine to make sure the starter works properly.
11. Enter the anti-theft codes for the radio and the navigation system, then enter the customer's radio station preset.
12. Set the clock.
13. Perform the power window control unit reset procedure.