Operation CHARM: Car repair manuals for everyone.
Manuals through 2025 now available!

Our trusted friends have launched a new website named LEMON, which has newer manuals. It also contains all the CHARM manuals.

LEMON is the spiritual successor to CHARM, I recommend you try it!

Link: lemon-manuals.la or lemon-manuals.org.ua

(Some people have issue connecting. LEMON is investigating. For now, use Firefox or change your DNS server)

Or, hide this message: temporarily or permanently

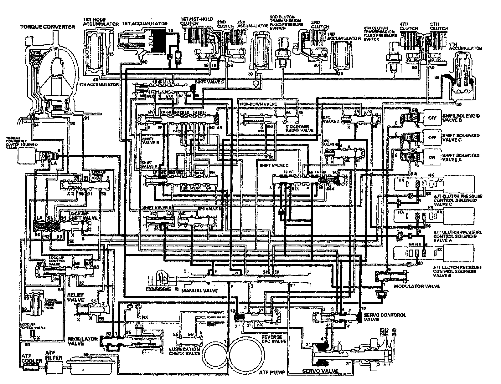
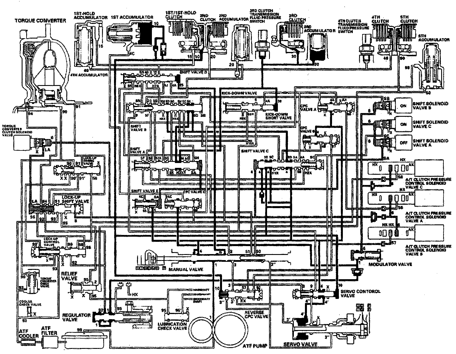
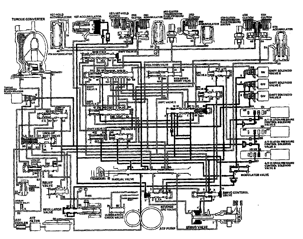
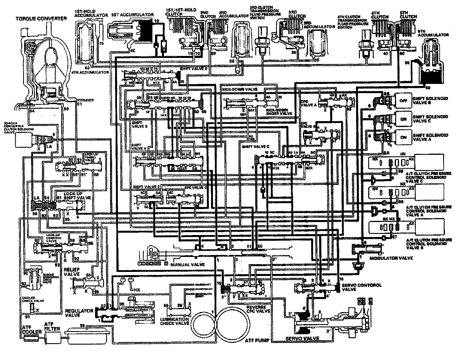
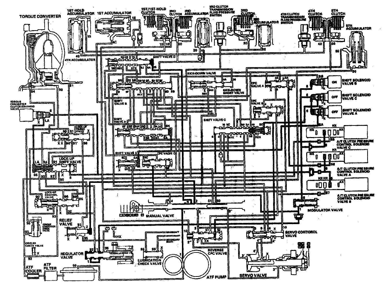
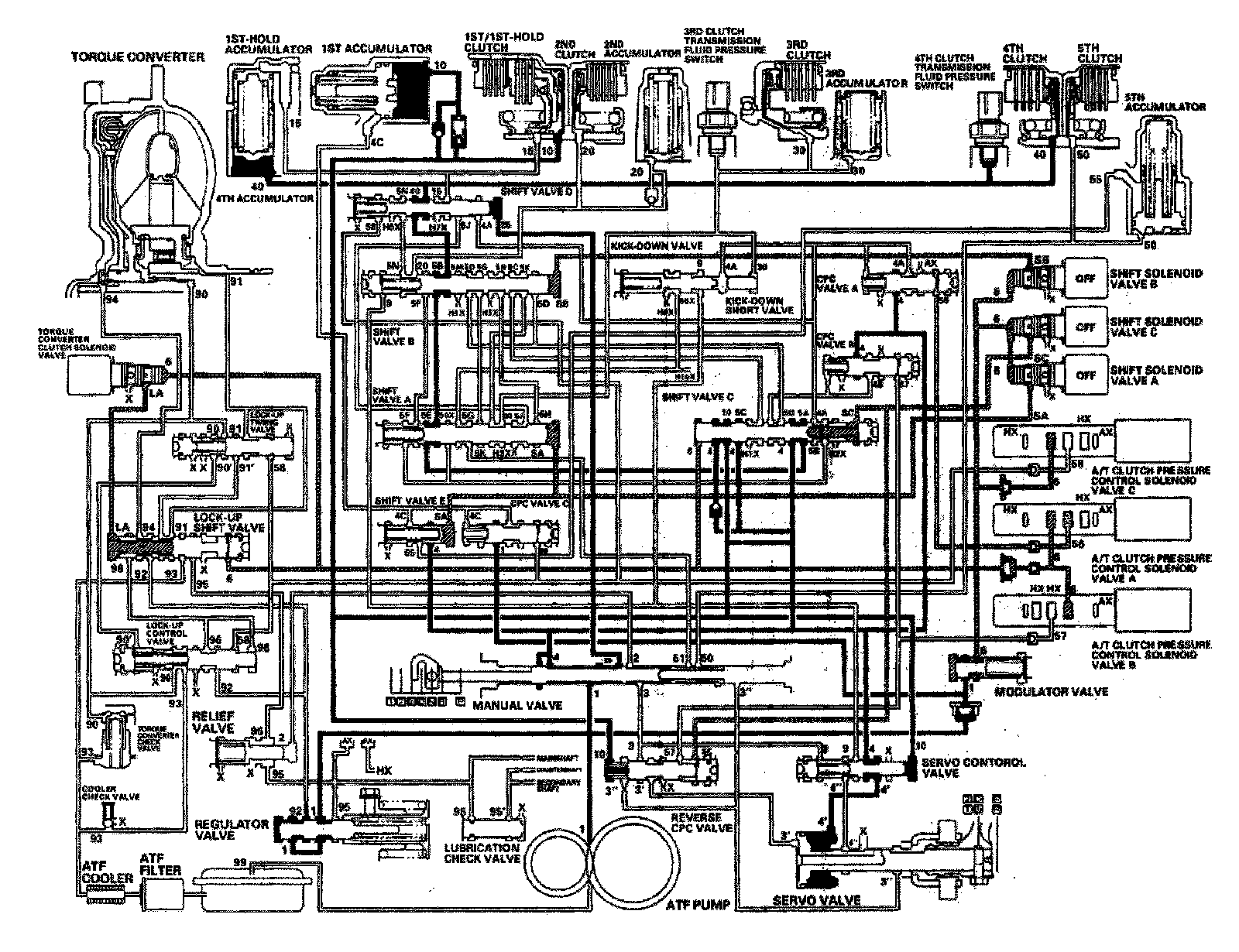
Automatic Transmission/Transaxle

Hydraulic Flow
Distribution of Hydraulic Pressure
As the engine runs, the ATF pump starts to operate. Automatic transmission fluid ([1][2]ATF) is drawn through the ATF strainer (filter) and discharged into the hydraulic circuit. Then, ATF flowing from the ATF pump becomes line pressure that's regulated by the regulator valve. Torque converter pressure from the regulator valve enters the torque converter through the lock-up shift valve and it is discharged from the torque converter. The torque converter check valve prevents torque converter pressure from rising.
The PCM controls the shift solenoid valves ON and OFF, and the shift solenoid valves control shift solenoid pressure to the shift valves. Applying shift solenoid pressure to the shift valves moves the position of the shift valve, and switches the port of hydraulic pressure. The PCM also controls A/T clutch pressure control solenoid valves A and B.
The A/T clutch pressure control solenoid valves A and B regulate the A/T clutch pressure control solenoid pressure and apply the A/T clutch pressure control solenoid pressure to CPC valves A and B,
When shifting between upper gear and lower gear, the clutch is engaged by pressure from the CPC pressure mode. The PCM controls one of the shift solenoid valves to move the position of the shift valve. This movement switches the port of the CPC and line pressure. Line pressure is then applied to the clutch, and the CPC pressure is intercepted.
Engaging the clutch with line pressure happens after CPC pressure mode has completed.





Hydraulic pressure at the ports is as follows:

NOTE:
^ CPC: Clutch Pressure Control pressure
^ SH: Shift Solenoid pressure
^ LS A: A/T Clutch Pressure Control Solenoid A pressure
^ LS B: A/T Clutch Pressure Control Solenoid B pressure
^ LS C: A/T Clutch Pressure Control Solenoid C pressure
^ LC: Torque Converter Clutch Solenoid pressure

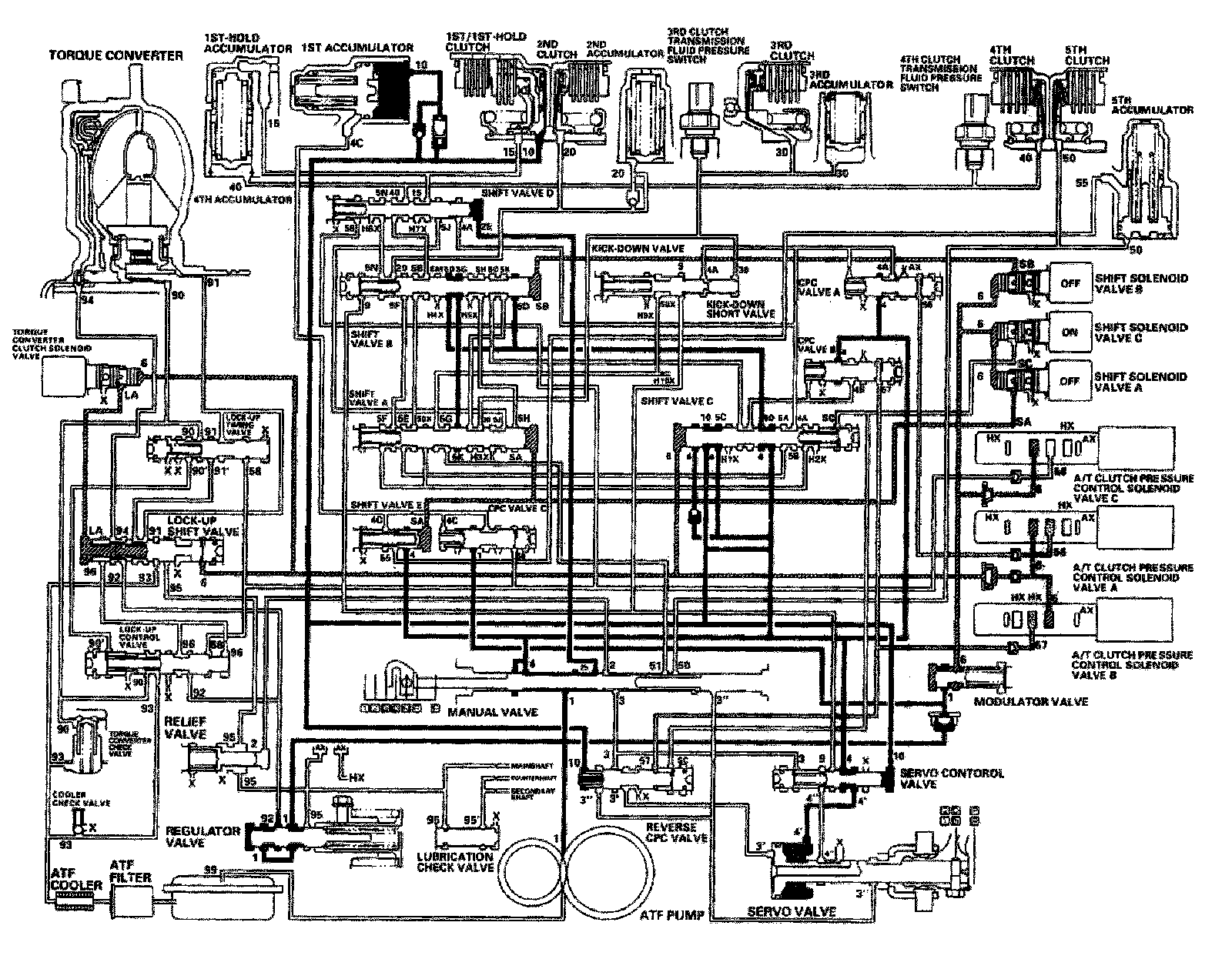
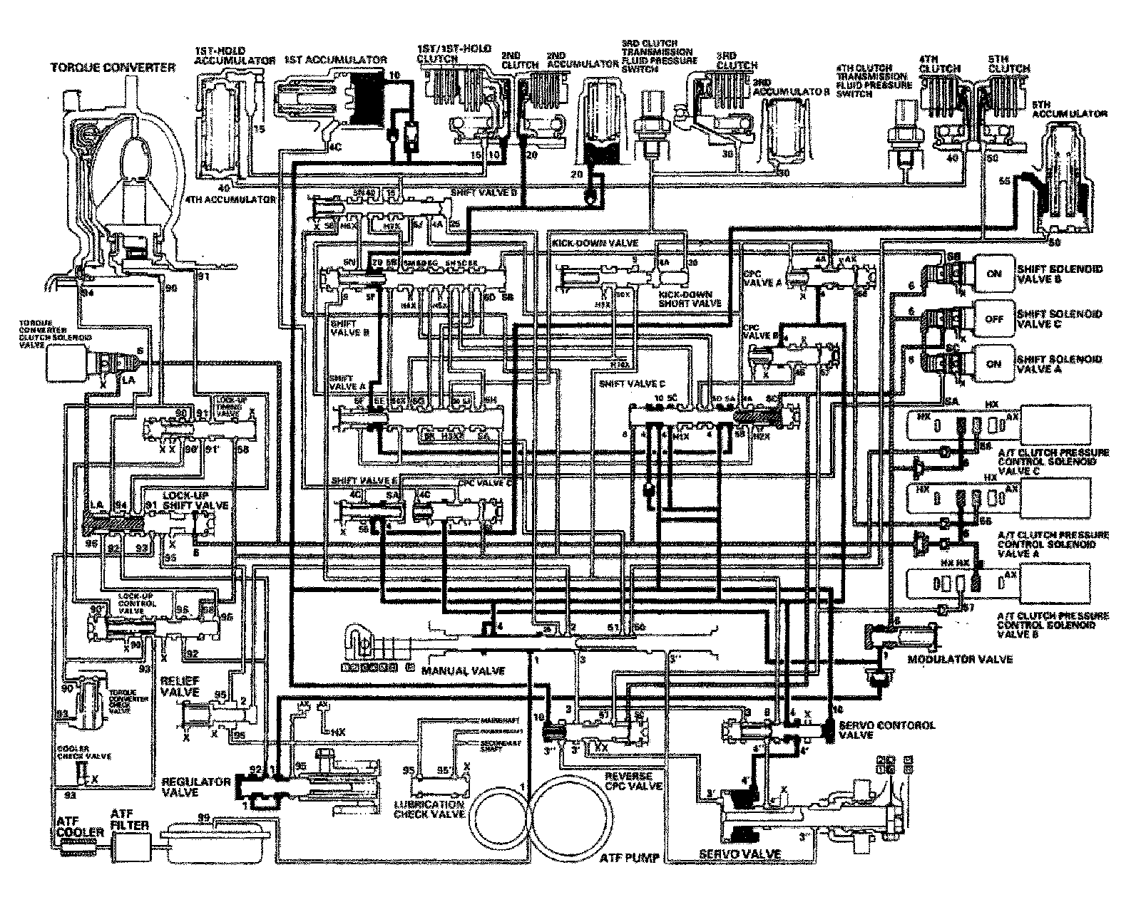
N Position





The PCM controls the shift solenoid valves. The conditions of the shift solenoid valve and positions of the shift valve are as follows:
^ Shift solenoid valve A is turned OFF, and shift valve A moves to the left side.
^ Shift solenoid valve B is turned ON, and shift valve B stays on the right side.
^ Shift solenoid valved is turned OFF, and shift valve C stays on the left side.
Line pressure (1) passes through the manual valve and becomes line pressure (25). Line pressure (25) stops at shift valve D. Line pressure (1) also flows to the modulator valve and becomes modulator pressure (6). Modulator pressure (6) flows to the shift solenoid valves and the A/T clutch pressure control solenoid valves. Under this condition, hydraulic pressure is not applied to the clutches.

NOTE: When used, "left" or "right" indicates direction on the hydraulic circuit.

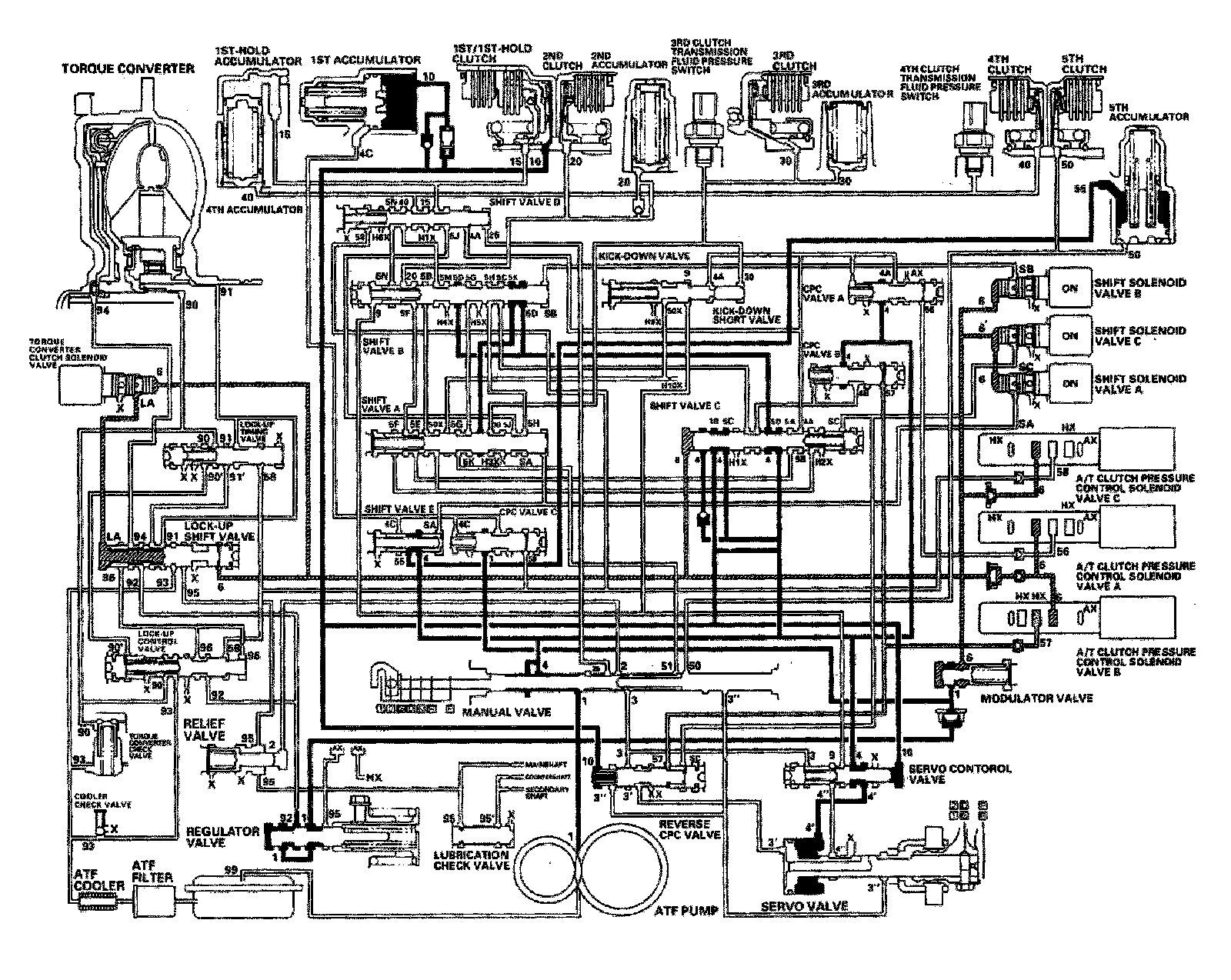
D Position: 1st gear shifting from the N position





Shift solenoid valves remain the same as in the N position when shifting to the D position from the N position. The manual valve is moved to the D position, and switches the port of line pressure (4) leading to shift valve C and CPC valve B. Line pressure (4) flows to the 1st clutch via the orifice. Line pressure (1) becomes CPC C pressure (4C) at CPC valve C, then goes to the 1st accumulator back side. Line pressure (4) also becomes the CPC B pressure (4B) at the CPC B valve. CPC B pressure goes to the 3rd clutch, via the shift valves C, B, and A, and the 3rd clutch is engaged. The 1st clutch is engaged gently when shifting to the D position from the N position.

NOTE: When used, "left" or "right" indicates direction on the hydraulic circuit.

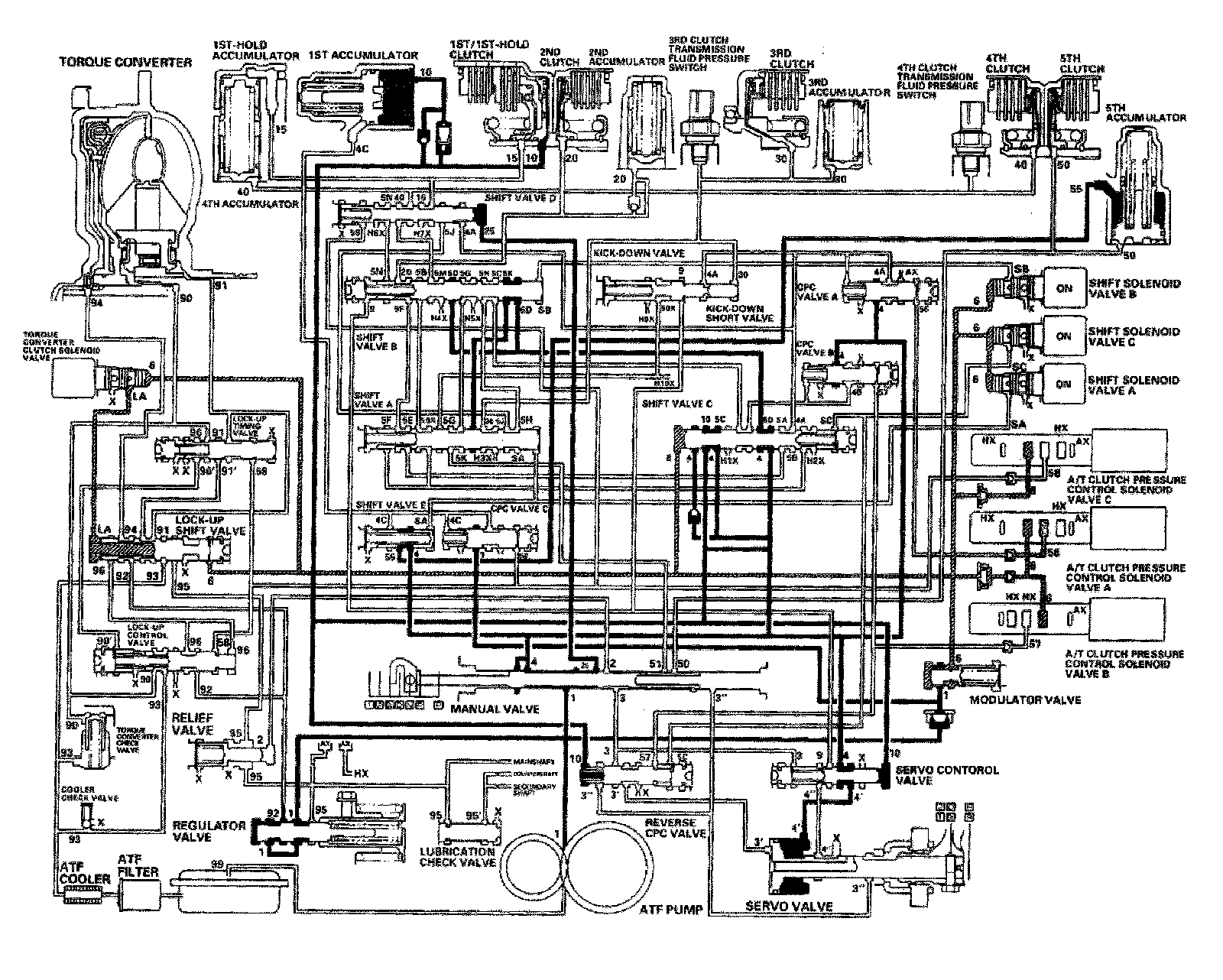
D Position: Driving in 1st gear





The PCM turns shift solenoid valves A and C ON, and shift solenoid valve B stays ON. SH A pressure (SA) in the right side of shift valves A and E is released, and shift valves A and E are moved to the right side. SH C pressure (SC) in the right side of shift valve C is released, and modulator pressure (6) is applied to the left side of shift valve C. Shift valve C is moved to the right side. These valve movements release CPC C pressure (4C) from the back of the 1st accumulator and the 3rd clutch, and the 1st clutch is engaged securely.

NOTE: When used, "left" or "right" indicates direction on the hydraulic circuit.

D Position: Shifting between 1st gear and 2nd gear





As the speed of the vehicle reaches the prescribed value, the PCM controls the A/T clutch pressure control solenoid valves. LS B pressure (57) in the right side of CPC valve B is released, and LS A pressure (56) is applied to the right side of CPC valve A. Line pressure (4) becomes CPC A pressure (4A) at CPC valve A, and CPC A pressure passes through shift valves C, A, and B, to become 2nd clutch pressure. The 2nd clutch is engaged with CPC pressure, and the 1st clutch is also engaged. No power is transmitted because of the one-way clutch.

NOTE: When used, "left" or "right" indicates direction on the hydraulic circuit.

D Position: Driving in 2nd gear





The PCM turns shift solenoid valve C OFF, and shift solenoid valves A and B stays ON. Shift solenoid valve C is turned OFF, and SH C pressure (SC) is applied to the right side of shift valve C. Then shift valve C is moved to the left side to switch the line pressure port and CPC pressure port. The 2nd clutch pressure is changed to line pressure mode, and the 2nd clutch is engaged securely. The 1st clutch is also engaged. No power is transmitted because of the one-way clutch.

NOTE: When used, "left" or "right" indicates direction on the hydraulic circuit.

D Position: Shining between 2nd gear and 3rd gear





As the speed of the vehicle reaches the prescribed value, the PCM turns shift solenoid valve A OFF. The PCM also controls the A/T clutch pressure control solenoid valve B to apply LS B pressure (57) to CPC valve B. Shift solenoid valve B stays ON, and C stays OFF. Shift solenoid valve A is turned OFF, and SH A pressure (SA) is applied to the right side of shift valves A and E. Then shift valves A and E are moved to the left side to switch the line pressure port and CPC pressure port. Line pressure (4) becomes CPC A pressure (4A) at CPC valve A, and becomes CPC B pressure (4B) at CPC valve B, CPC B pressure (4B) becomes 3rd clutch pressure (30) at shift valve A via shift valves C and B, and flows to the 3rd clutch. The 2nd clutch pressure is changed to CPC pressure mode by switching the position of shift valve A. The 1st clutch is also engaged. No power is transmitted because of the one-way clutch.

NOTE: When used, "left" or "right" indicates direction on the hydraulic circuit.

D Position: Driving in 3rd gear





The PCM turns shift solenoid valve C ON, and controls A/T clutch pressure control solenoid valve A to release LS A pressure (56) in CPC valve A. Shift solenoid valve A stays OFF, and B stays ON. Releasing LS A pressure (56) in CPC valve A releases CPC A pressure in the 2nd clutch pressure circuit. Shift solenoid valve C is turned ON, and SH C pressure (SC) in the right side of shift valve C is released. Then shift valve C is moved to the right side to switch the line pressure port and CPC pressure port. The 3rd clutch pressure is changed to line pressure mode, and the 3rd clutch is engaged securely. The 1st clutch is also engaged. No power is transmitted because of the one-way clutch.

NOTE: When used, "left" or "right" indicates direction on the hydraulic circuit.

D Position: Shifting between 3rd gear and 4th gear





As the speed of the vehicle reaches the prescribed value, the PCM turns shift solenoid valve B OFF. The PCM also controls the A/T clutch pressure control solenoid valve A to apply LS A pressure (56) to CPC valve A. Shift solenoid valve A stays OFF, and C stays ON. Shift solenoid valve B is turned OFF, and SH B pressure (SB) is applied to the right side of shift valve B. Then shift valve B is moved to the left side to switch the line pressure port and CPC pressure port. Line pressure (4) becomes CPC A pressure (4A) at CPC valve A, and becomes CPC B pressure (4B) at CPC valve B. CPC A pressure (4A) becomes 4th clutch pressure (40) at shift valve D via shift valves C, A, and B, and flows to the 4th clutch. The 3rd clutch pressure is changed to CPC pressure mode by switching the position of shift valve B. The 1st clutch is also engaged. No power is transmitted because of the one-way clutch.

NOTE: When used, "left" or "right" indicates direction on the hydraulic circuit.

D Position: Driving in 4th gear





The PCM turns shift solenoid valve C OFF, and controls A/T clutch pressure control solenoid valve B to release LS B pressure (57) in CPC valve B. Shift solenoid valves A and B stay OFF. Releasing LS B pressure (57) in CPC valve B releases CPC B pressure in the 3rd clutch pressure circuit. Shift solenoid valve C is turned OFF, and SH C pressure (SC) is applied to the right side of shift valve C. Then shift valve C is moved to the left side to switch the line pressure port and CPC pressure port. Line pressure (4) from the manual valve becomes 4th clutch pressure (40) at shift valve D via shift valves C, A, and B, and flows to the 4th clutch. The 4th clutch pressure is changed to line pressure mode by switching the position of shift valve C, and the 4th clutch is engaged securely. The 1st clutch is also engaged. No power is transmitted because of the one-way clutch.

NOTE: When used, "left" or "right" indicates direction on the hydraulic circuit.

D Position: Shifting between 4th gear and 5th gear





As the speed of the vehicle reaches the prescribed value, the PCM turns shift solenoid valve A ON. The PCM also controls the A/T clutch pressure control solenoid valve B to apply LS B pressure (57) to CPC valve B. Shift solenoid valve B and C stay OFF. Shift solenoid valve A is turned ON, and SH A pressure (SA) in the right side of shift valves A and E is released. Then shift valves A and E are moved to the left side to switch the line pressure port and CPC pressure port. Line pressure (4) becomes CPC A pressure (4A) at CPC valve A, and becomes CPC B pressure (4B) at CPC valve B, CPC B pressure (4B) becomes 5th clutch pressure (50) at shift valve C, and flows to the 5th clutch via shift valves B and A and the manual valve. The 4th clutch pressure is changed to CPC pressure mode by switching the position of shift valve A. The 1st clutch is also engaged. No power is transmitted because of the one-way clutch.

NOTE: When used, "left" or "right" indicates direction on the hydraulic circuit.

D Position: Driving in 5th gear





The PCM turns shift solenoid valve C ON, and controls A/T clutch pressure control solenoid valve A to release LS A pressure (56) in CPC valve A. Shift solenoid valve A stays ON, and B stays OFF. Releasing LS A pressure (56) in CPC valve A releases CPC A pressure in the 4th clutch pressure circuit. Shift solenoid valve C is turned ON, and SH C pressure (SC) in the right side of shift valve C is released. Then shift valve C is moved to the right side to switch the line pressure port and CPC pressure port. Line pressure (4) from the manual valve becomes 5th clutch pressure (50) at the manual valve, via shift valves C, B, and A, and flows to the 5th clutch. The 5th clutch pressure is changed to line pressure mode by switching the position of shift valve C. The 5th clutch is engaged securely, and the 1st clutch is also engaged. No power is transmitted because of the one-way clutch.

NOTE: When used, "left" or "right" indicates direction on the hydraulic circuit.

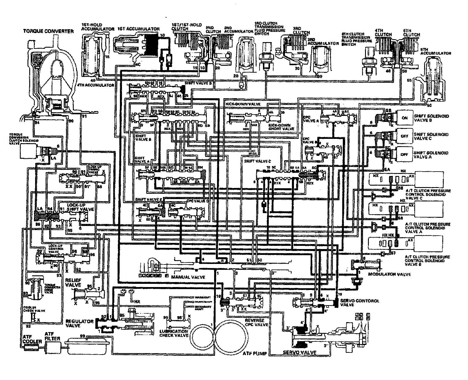
2 Position





The PCM controls the shift solenoid valves and the A/T clutch pressure control solenoid valves. The conditions of the shift solenoid valves and the positions of shift valves are as follows:
^ Shift solenoid valve A is turned ON, and shift valve A stays on the right side.
^ Shift solenoid valve B is turned ON, and shift valve B stays on the right side.
^ Shift solenoid valve C is turned OFF, and shift valve C stays on the left side.
The PCM also controls A/T clutch pressure control solenoid valve A to apply LS A pressure (56) to CPC valve A. Line pressure (4) from the manual valve becomes 2nd clutch pressure (20) at shift valve B, via shift valves C and A. 2nd clutch pressure (20) is applied to the 2nd clutch, and the 2nd clutch is engaged. The 1st clutch is also engaged. No power is transmitted because of the one-way clutch.

NOTE: When used, "left" or "right" indicates direction on the hydraulic circuit.

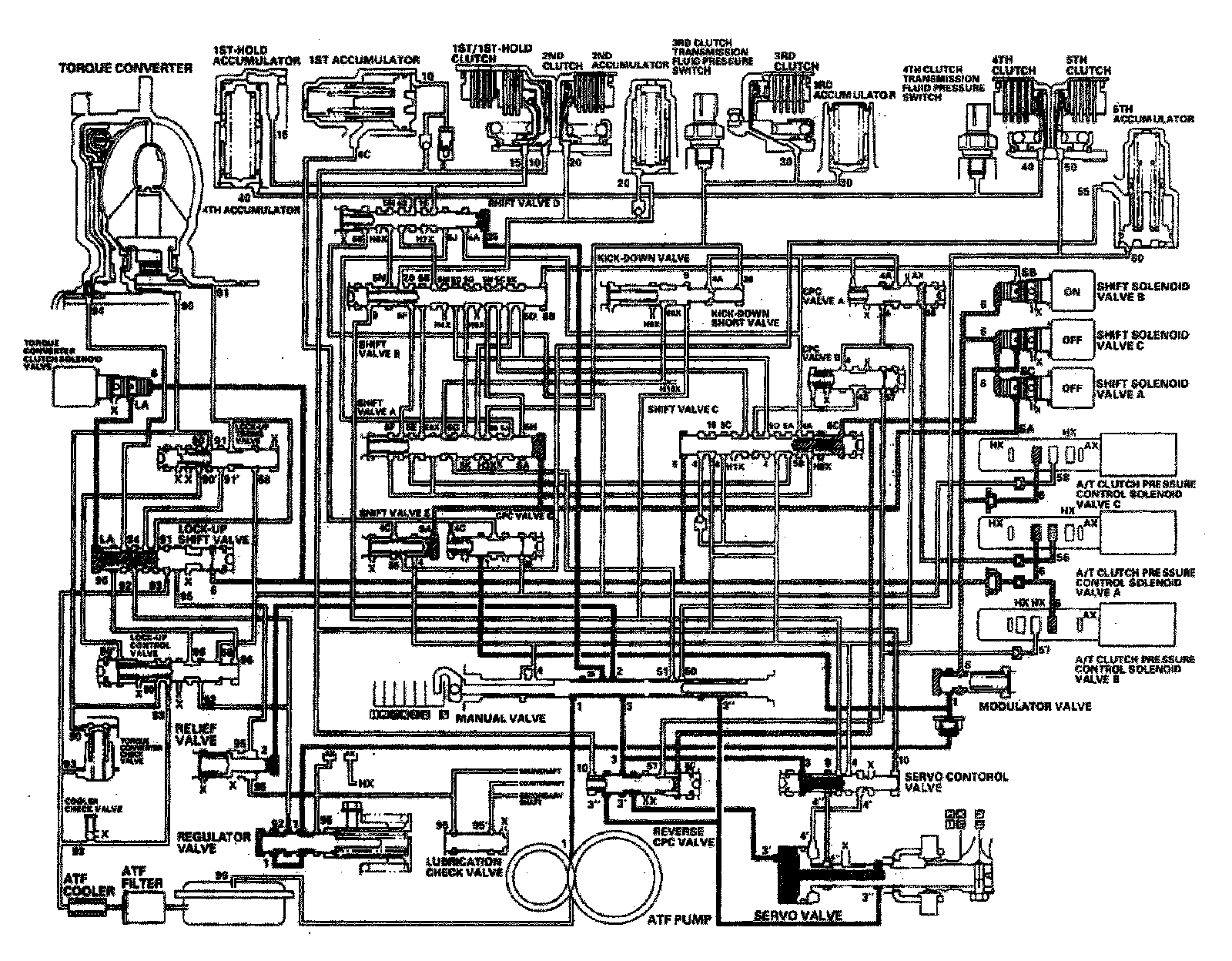
1 Position





The PCM controls the shift solenoid valves and the A/T clutch pressure control solenoid valves. The conditions of the shift solenoid valves and the positions of shift valves are as follows:
^ Shift solenoid valve A is turned ON, and shift valve A stays on the right side.
^ Shift solenoid valve B is turned ON, and shift valve B stays on the right side.
^ Shift solenoid valve C is turned ON, and shift valve C moves to the right side by modulator pressure (6).
The PCM also controls A/T clutch pressure control solenoid valve B to apply LS B pressure (57) to CPC valve B. Line pressure (4) from the manual valve becomes 1st clutch pressure (10) at shift valve C. 1st clutch pressure (10) is applied to the 1st clutch, and the 1st clutch is engaged. Line pressure (4) also flows to CPC valve B, and becomes CPC B pressure (4B). CPC B pressure (4B) becomes 1st-hold clutch pressure (15) at shift valve D, via shift valves C, B, and A. 1st-hold clutch pressure (15) is applied to the 1st-hold clutch, and the 1st-hold clutch is engaged.

NOTE: When used, "left" or "right" indicates direction on the hydraulic circuit.

R Position: Shifting to the R position from the P or N position





Line pressure (1) becomes line pressure (3) at the manual valve, and flows to the reverse CPC valve. Line pressure (3) is regulated by the reverse CPC valve and becomes line pressure (3'). Line pressure (3') pushes the servo valve to the reverse position, passes through the servo valve, and flows to the manual valve. Line pressure (3") becomes 5th clutch pressure (50). The 5th clutch pressure (50) is applied to the 5th clutch, and 5th clutch is engaged with the reverse CPC pressure mode.

NOTE: When used, "left" or "right" indicates direction on the hydraulic circuit.

R Position: Driving in reverse gear
The PCM turns shift solenoid valve C OFF. Shift solenoid valve A stays OFF and B stays ON. Shift solenoid valve C is turned OFF, and SH C pressure (SC) is applied to the right side of the reverse CPC valve. Then the reverse CPC valve moves to the left side, creating full line pressure. Line pressure to the 5th clutch is the same as when shifting to the R position, and 5th clutch pressure increases. The 5th clutch is engaged with line pressure mode.

Reverse Inhibitor Control





When the R position is selected while the vehicle is moving forward at speeds over 6 mph (10 km/h), the PCM outputs to turn shift solenoid valves A and C ON; and shift solenoid valve B remains ON. The reverse CPC valve is moved to right side and covers the port to stop the line pressure (3') to the servo valve. The line pressure (3') is not applied to the servo valve, and the 5th clutch pressure (50) is not applied to the 5th clutch. As a result, power is not transmitted to the reverse position.

NOTE: When used. "left" or "right" indicates direction on the hydraulic circuit.

P Position





Shift solenoid valve C is turned OFF by the PCM, and SH C pressure (SC) is applied to the right side of the reverse CPC valve. Then the reverse CPC valve is moved to the left side to uncover the port leading line pressure (3) to the servo valve. Line pressure (3') passes through the servo valve and flows to the manual valve. Line pressure (3") is intercepted at the manual valve, and is not applied to the clutches.

NOTE: When used, "left" or "right" indicates direction on the hydraulic circuit.