Operation CHARM: Car repair manuals for everyone.
Manuals through 2025 now available!

Our trusted friends have launched a new website named LEMON, which has newer manuals. It also contains all the CHARM manuals.

LEMON is the spiritual successor to CHARM, I recommend you try it!

Link: lemon-manuals.la or lemon-manuals.org.ua

(Some people have issue connecting. LEMON is investigating. For now, use Firefox or change your DNS server)

Or, hide this message: temporarily or permanently

Engine Removal

Engine Removal

Special Tools Required
^ Front subframe adapter VSB02C000016
^ Engine support hanger, A and Reds AAR-T-12566 (available through Honda Tool and Equipment program, 888-424-6857)
^ Engine hanger balance bar VSB02000019

NOTE:
^ Use fender covers to avoid damaging painted surfaces.
^ To avoid damage, unplug the wiring connectors carefully while holding the connector portion.
^ Mark all wiring and hoses to avoid misconnection. Also; be sure that they do not contact other wiring, hoses, or interfere with other parts.

1. Make sure you have the anti-theft codes for the radio and navigation system, then write down the customer's audio presets. Make sure the ignition switch is OFF.
2. Remove the windshield wiper arms, then remove the cowl cover.
3. Remove the bulkhead cover.





4. Remove the support struts from the engine hood. Move the engine hood to a vertical position, then reinstall the right side support strut as shown.

NOTE: Do not attempt to close the hood with the support strut in the vertical position, as it will damage the support strut and hood.

5. Relieve the fuel pressure.
6. Drain the power steering system fluid, then plug the fluid reservoir and return hose.
7. Disconnect the negative cable from the battery first, then disconnect the positive cable.
8. Remove the battery.
9. Remove the air cleaner housing.





10. Remove the harness clamp (A).
11. Remove the two bolts (B), and loosen the two bolts (C) securing the battery base, then remove the battery base (D).





12. Remove the battery cables (A) from the under-hood fuse/relay box, then disconnect the harness connector (B).
13. Remove the ground cable (C).





14. Remove the brake booster vacuum hose (A), evaporative emission (EVAP) canister hose (B) and vacuum hose (C).





15. Remove the harness clamp (A), and disconnect the engine wire harness connectors (B) on the left side of the engine compartment.
16. Remove the drive belt.
17. Remove the fuel line.





18. Remove the power steering (P/S) pump outlet line (A) from the P/S pump, then plug the outlet line and the P/S pump.
19. Remove the P/S hose (B) from the clamp (C).
20. Remove the power steering system fluid reservoir (D) from the clamp.





21. Remove the steering joint cover (A).
22. Lock the steering wheel. Make a reference mark (B) across the steering joint and steering gearbox pinion shaft. Remove the steering joint bolt (C), and disconnect the steering joint from the steering gearbox pinion shaft (D). To prevent damage to the cable reel, do not turn the steering wheel once the steering joint has been removed.





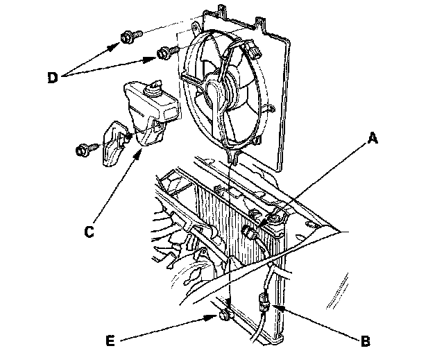
23. Disconnect the fan motor connector (A) and compressor clutch connector (B), then remove the reserve tank (C).
24. Remove the two bolts (D), and loosen the bolt (E), then remove the condenser fan shroud.





25. Remove the four bolts securing the A/C compressor.





26. M/T model: Remove the ground cable (A) from the shift cable holder, then remove the three bolts securing the shift cable holder (B).
27. M/T model: Remove the shift cable (C) and select cable (D). Do not bend the cables excessively.





28. M/T model: Remove the clutch slave cylinder (A), and clutch line bracket mounting bolt (B). Do not operate the clutch pedal once the slave cylinder has been removed.
29. Remove the radiator cap.
30. Raise the vehicle on the hoist to full height.
31. Remove the front wheels.





32. Remove the splash shield.
33. Loosen the drain plug in the radiator, and drain the engine coolant.
34. Drain the transmission fluid.
35. Drain the engine oil.
36. Disconnect the stabilizer links.
37. Remove the damper fork.
38. Separate the tie-rod end ball joints from the knuckles.
39. Separate the knuckles from the lower arms.
40. Remove the driveshafts. Coat all precision-finished surfaces with clean engine oil. Tie plastic bags over the driveshaft ends.





41. Remove exhaust pipe A.





42. A/T model: Remove the bolts (A) securing the shift cable holder (B), then remove the shift cable cover (C). To prevent damage to the control lever joint, be sure to remove the bolts securing the shift cable holder before removing the bolts securing the shift cable cover.
43. A/T model: Remove the lock bolt (D) securing the control lever (E), then remove the shift cable (F) with the control lever. Do not bend the shift cable excessively.
44. A/T model: Remove the ATF cooler hoses from the radiator.





45. Remove the P/S hose, then plug the line and the hose.





46. Disconnect the power steering pressure switch connector.





47. Remove the nuts securing the transmission lower front mount and transmission lower rear mount.
48. Lower the vehicle on the hoist.





49. Remove the upper radiator hose (A) and lower radiator hose (B).





50. Remove the heater hoses.





51. Remove the connector bracket from the front cylinder head; use the bracket bolt to attach engine balancer bar front arm.





52. Remove the harness clamp bracket from the rear cylinder head; use the bracket bolt to attach engine balancer bar rear arm.





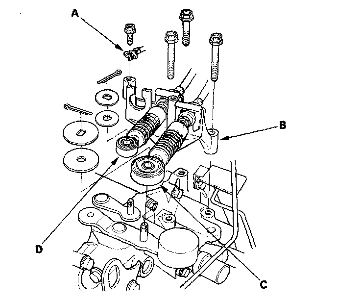
53. Lift and support the engine with engine hanger (A) and engine balancer bar (B).
Attach the front arm (C) to the front cylinder head with a spacer (D) and the connector bracket bolt (10 x 1.25 mm) (E). Attach the rear arm (F) to the rear cylinder head with the harness clamp bracket bolt (8 x 1.25 mm) (G).





54. M/T model: Remove the ground cable (A).
55. Remove the transmission upper mount bracket (B), and remove the vacuum hose (C).





56. Remove the front mount stop (A), then remove the front mount bolt (B).





57. Remove the rear mount stop (A), then remove the rear mount bolt (B).





58. M/T model: Remove the two bolts securing the shift cable bracket.
59. Raise the vehicle on the hoist to full height.





60. Make the appropriate lines (A) at the subframe that line up with the edge of the subframe stiffer (B).





61. Attach the special tool to the subframe by hanging the belt (A) over the front of the subframe (B), then secure the belt with its stop (C).
62. Raise the jack, then line up the slots in the special tool arms with the bolt holes on the corner of the jack base, then securely attach them with four bolts.





63. Remove the subframe mid mounts (A), then remove the subframe (B).





64. Lower the vehicle and attach a chain hoist (A) to the engine hook (B) and transmission hook (C). Lift up on the engine/transmission assembly until it's securely supported by the chain hoist, and remove the engine support hanger from the engine and vehicle.





65. Remove the two bolts securing the side engine mount bracket.
66. Check that the engine/transmission is completely free of vacuum hoses, fuel and coolant hoses, and electrical wiring.
67. Slowly lower the engine/transmission assembly about 150 mm (6 inch). Check once again that all hoses and electrical wiring are disconnected and free from the engine/transmission, then lower it all the way.
68. Disconnect the chain hoist from the engine/transmission assembly.
69. Raise the vehicle all the way, and remove the engine/transmission assembly from under the vehicle.

Note: Carefully reposition the A/C compressor.