Operation CHARM: Car repair manuals for everyone.
Manuals through 2025 now available!

Our trusted friends have launched a new website named LEMON, which has newer manuals. It also contains all the CHARM manuals.

LEMON is the spiritual successor to CHARM, I recommend you try it!

Link: lemon-manuals.la or lemon-manuals.org.ua

(Some people have issue connecting. LEMON is investigating. For now, use Firefox or change your DNS server)

Or, hide this message: temporarily or permanently

Timing Belt Installation

Timing Belt Installation

NOTE: The following procedure is for installation of a used belt. If you are installing a new belt, refer to the timing belt replacement procedure.

1. Clean the timing belt pulleys, timing belt guide plate, and the upper and lower covers.





2. Set the timing belt drive pulley to top dead center (TDC) by aligning the TDC mark (A) on the tooth of the timing belt drive pulley with the pointer (B) on the oil pump.





3. Set the camshaft pulleys to TDC by aligning the TDC marks (A) on the camshaft pulleys with the pointers (B) on the back covers.
4. Apply liquid thread lock (P/N 08713-0001) to the idler pulley bolt, then loosely install the idler pulley.
5. If the auto-tensioner has extended and the timing belt cannot be installed, perform the timing belt replacement procedure.





6. Install the timing belt in a counterclockwise sequence starting with the drive pulley. Take care not to damage the timing belt when installing it.





7. Tighten the idler pulley bolt.





8. Remove the battery clamp bolt from the back cover.





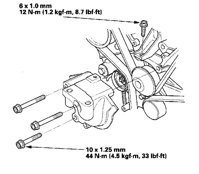
9. Install the engine mount bracket.





10. Install the timing belt guide plate as shown.





11. Install the lower cover.
12. Install the crankshaft pulley.





13. Install the front upper cover (A) and rear upper cover (B).
14. Rotate the crankshaft pulley about five or six turns clockwise so the timing belt positions itself on the pulleys.





15. Turn the crankshaft pulley so its white mark (A) lines up with the pointer (B).





16. Check the camshaft pulley marks.
- If the camshaft pulley marks are at TDC, go to step 17.
- If the camshaft pulley marks are not at TDC, remove the timing belt and repeat steps 2 through 16.





17. Install the side engine mount bracket (A), then tighten the bolts in the numbered sequence shown.
18. Install the ground cable (B).
19. Install the drive belt auto-tensioner.
20. Install the drive belt.
21. Install the splash shield.
22. Install the right front tire/wheel.
23. Do the crankshaft position (CKP) pattern clear/CKP pattern learn procedure.