Operation CHARM: Car repair manuals for everyone.
Manuals through 2025 now available!

Our trusted friends have launched a new website named LEMON, which has newer manuals. It also contains all the CHARM manuals.

LEMON is the spiritual successor to CHARM, I recommend you try it!

Link: lemon-manuals.la or lemon-manuals.org.ua

(Some people have issue connecting. LEMON is investigating. For now, use Firefox or change your DNS server)

Or, hide this message: temporarily or permanently

ECM/PCM Circuit Diagrams

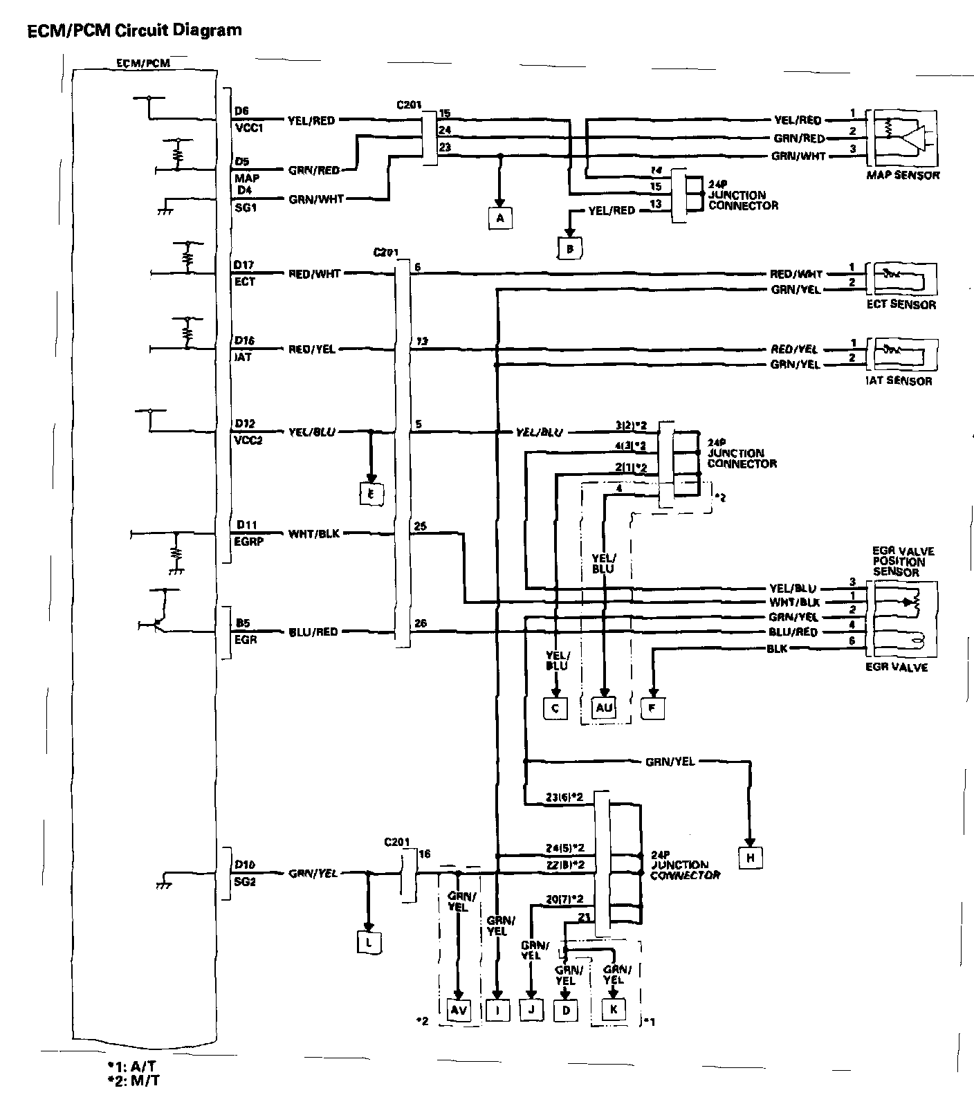
ECM/PCM Circuit Diagram 11-39:




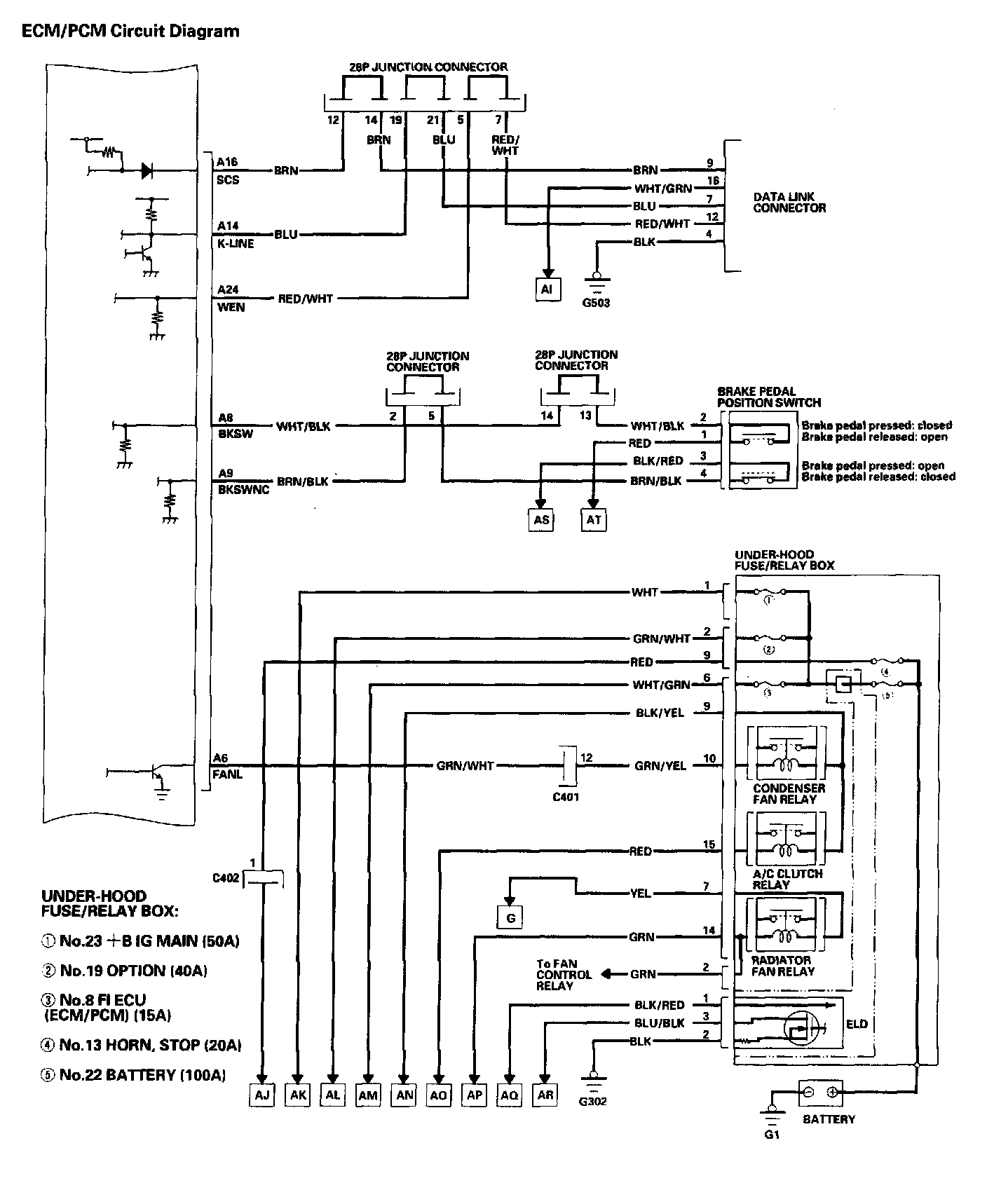
ECM/PCM Circuit Diagram 11-40:




ECM/PCM Circuit Diagram 11-41:




ECM/PCM Circuit Diagram 11-42:




ECM/PCM Circuit Diagram 11-43:




ECM/PCM Circuit Diagram 11-44:




ECM/PCM Circuit Diagram 11-45:




ECM/PCM Circuit Diagram 11-46:




ECM/PCM Circuit Diagram 11-47:




ECM/PCM Circuit Diagram 11-48:




ECM/PCM Circuit Diagram 11-49: