Operation CHARM: Car repair manuals for everyone.
Manuals through 2025 now available!

Our trusted friends have launched a new website named LEMON, which has newer manuals. It also contains all the CHARM manuals.

LEMON is the spiritual successor to CHARM, I recommend you try it!

Link: lemon-manuals.la or lemon-manuals.org.ua

(Some people have issue connecting. LEMON is investigating. For now, use Firefox or change your DNS server)

Or, hide this message: temporarily or permanently

Transmission Installation

Transmission Installation

Special Tools Required
^ Engine support hanger, A and Reds AAR-T-12566
^ Engine hanger balancer bar VSB02C000019
^ Front subframe adapter VSB02C000016

These special tools are available through the Honda Tool and Equipment Program 1-888-424-6857.

NOTE:
^ Use fender covers to avoid damaging painted surfaces.
^ Replace the [1][2]ATF warmer with a new one whenever the transmission assembly is replaced.





1. Install the vacuum line on the transmission.





2. Install the torque converter assembly (A) on the mainshaft (B) with the new O-ring (C).
3. Install the 14 x 20 mm dowel pin (D) and 10 x 20 mm dowel pin (E) in the torque converter housing.
4. Place the transmission on the jack, and raise the transmission to the engine level.





5. Attach the transmission to the engine, then install the rear transmission housing mounting bolts.





6. Install the upper and front transmission housing mounting bolts.
7. Remove the jack from the transmission.





8. Install the front mount bracket with the new bolts, and install the harness clamp on the mount bracket.





9. Install the engine-to-torque converter housing mounting bolts.
10. Attach the torque converter to the drive plate (A) with eight bolts (B). Rotate the crankshaft pulley as necessary to tighten the bolts to 1/2 of the specified torque, then to the final torque, in a crisscross pattern. After tightening the last bolt, check that the crankshaft rotates freely.
11. Install the torque converter cover (C).





12. Install the new set ring (A) on the intermediate shaft (B).
13. Install the exhaust manifold bracket (C) and heat shield (D).
14. Install the new set ring on the left driveshaft, then install the left driveshaft in the differential. While installing the driveshaft in the differential, be sure not to allow dust or other foreign particles to enter the transmission. Install the left driveshaft over the intermediate shaft.

NOTE:
^ Clean the areas where the driveshaft and intermediate shaft contact the transmission (differential) with solvent or carburetor cleaner, and dry with compressed air.
^ Turn the right and left steering knuckle fully outward, and slide the driveshaft and intermediate shaft into the differential and intermediate shaft until you feel its set ring engage the side gear.





15. Install the transmission lower mounts.





16. Support the front subframe (A) with the special tool and a jack, and lift it up to body.





17. Loosely install the new subframe mounting bolts (D), stiffener mounting bolts (E), and new stiffener mounting bolts (F).





18. Loosely install both of the new middle-mount mounting bolts.





19. Align the reference marks (A) with edge (B) of both rear stiffener (C), and tighten the rear subframe mounting bolts, then front bolts, and tighten the stiffener bolts to the specified torque.
20. Tighten the mid-mount mounting bolts.





21. Install the transmission lower mount nuts.





22. Install control lever (A) on the selector control shaft (B). Do not bend the shift cable excessively.
23. Install the lock bolt (C) with a new lock washer (D), then bend the lock washer tab against the bolt head.
24. Install the shift cable cover (E), then secure the shift cable holder (F) on the cover with the bolts.

NOTE: To prevent damage to the control lever joint, be sure install the shift cable holder after installing the shift cable cover to the torque converter housing.





25. Connect the power steering pressure switch connector.





26. Connect the power steering fluid hose to the power steering line on the front subframe.





27. Install the exhaust pipe A with the new self-locking nuts, its mount (B), and new gaskets (C) (D).





28. Install the damper forks (A) with damper pinch bolts (B) and the new self-locking nuts (C), then install the ball joints on the lower arms (D) with the castle nuts (E) and new cotter pins (F).
29. Install the tie-rod end ball joints (G) to each knuckle with the nuts (H) and new cotter pins (I).
30. Install the stabilizer links (J) to the lower arms, and install the nuts (K). Insert a 6 mm Allen wrench (L) in the ball joint pin (M), and tighten the nuts.





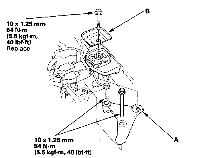
31. Install the new front mount bolt (A).
32. Install the front mount stop (B).





33. Install the new rear mount bolt (A).
34. Install the rear mount stop (B).
35. Remove the engine hanger and engine balancer bar.





36. Install the harness clamp bracket to the engine rear cylinder head.





37. Install the connector bracket to the engine front cylinder head.





38. Install the [1][2]ATF warmer (A) with new O-rings (B) and the bracket (C) on the transmission housing. Do not pinch the O-rings.
39. Install the transmission ground cable (D), and connect the breather tube (E).





40. Install the harness clamp bracket (A), and install the harness cover (B) on the bracket (C).
41. Install the harness clamps (D) on the clamp brackets.





42. Connect the output shaft (countershaft) speed sensor connector (A), and install the harness clamps (B) on the brackets. Connect the vacuum hose (C) to the vacuum line (D).
43. Connect the transmission range switch connector (E), then install it on its bracket (F).





44. Connect the connectors to the torque converter clutch solenoid valve (A) and shift solenoid valve B.





45. Connect the A/T clutch pressure control solenoid valve A connector, and solenoid valve B connector, and install the harness clamp (C) on the clamp bracket (D).





46. Connect shift solenoid valve A connector, solenoid valve C connector, and A/T clutch pressure control solenoid valve C connector (B), and install the harness clamps (D) on the clamp brackets (E).





47. Connect the input shaft (mainshaft) speed sensor connector (A) and 4th clutch transmission fluid pressure switch connector (B), and connect the vacuum hose (C) to the vacuum line (D).
48. Connect the transmission subharness connector (E), then install it on its bracket (F).





49. Install the transmission upper mount bracket (A) on the transmission with two bolts.
50. Install the new upper mount bolt and bracket plate (B).





51. Install the starter (A) on the torque converter housing. Connect the starter cables (B) to the starter, and install the harness clamp on the clamp bracket.





52. Install the power steering pump outlet line (A) with a new O-ring (B) to the pump (C), and install the hose (D) in its clamp (E).
53. Refill the power steering system with fluid.
54. Refill the transmission with [1][2]ATF.





55. Connect the steering joint to the steering gearbox pinion shaft (A) by aligning the reference mark (B), and remove the wire (C) from the joint yoke (D).
56. Install the steering joint cover (E).
57. Remove the steering wheel.
58. Center the SRS cable reel and install the steering wheel.
59. Install the battery base.
60. Install the air cleaner housing and intake air duct.
61. Install the battery tray, battery, and battery cover, then secure the battery with its hold-down bracket.
62. Clean the battery posts and cable terminals with sandpaper, then assemble them and apply grease to prevent corrosion.





63. Reinstall the support strut bracket with the bolts to proper locations on both sides hood.
64. Set the parking brake. Start the engine, and shift the transmission through all gears three times.
65. Check the shift lever operation, A/T gear position indicator operation, and shift cable adjustment.
66, Check and adjust the front wheel alignment.
67. Install the splash shield.
68. Start the engine in the P or N position, and warm it up to normal operating temperature (the radiator fan comes on).
69. Turn off the engine, and check the [1][2]ATF level.
70. Do the power window control unit reset procedure.
71. Do the road test.
72. Enter the audio and navigation anti-theft codes, then enter the presets, and set the clock.