Operation CHARM: Car repair manuals for everyone.
Manuals through 2025 now available!

Our trusted friends have launched a new website named LEMON, which has newer manuals. It also contains all the CHARM manuals.

LEMON is the spiritual successor to CHARM, I recommend you try it!

Link: lemon-manuals.la or lemon-manuals.org.ua

(Some people have issue connecting. LEMON is investigating. For now, use Firefox or change your DNS server)

Or, hide this message: temporarily or permanently

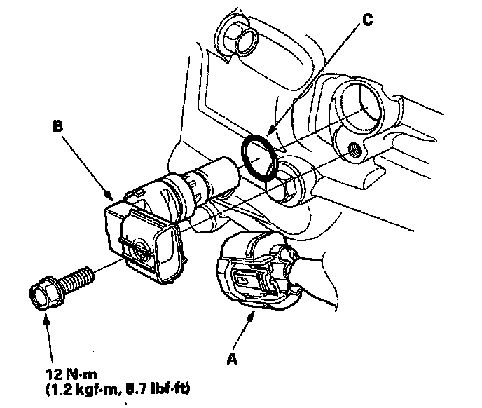
Output Shaft Speed Sensor

Output Shaft (Countershaft) Speed Sensor Replacement




1. Disconnect the output shaft (countershaft) speed sensor 3P connector (A).
2. Remove the output shaft (countershaft) speed sensor (B).
3. Install the sensor in the reverse order of removal with a new O-ring (C).