Operation CHARM: Car repair manuals for everyone.
Manuals through 2025 now available!

Our trusted friends have launched a new website named LEMON, which has newer manuals. It also contains all the CHARM manuals.

LEMON is the spiritual successor to CHARM, I recommend you try it!

Link: lemon-manuals.la or lemon-manuals.org.ua

(Some people have issue connecting. LEMON is investigating. For now, use Firefox or change your DNS server)

Or, hide this message: temporarily or permanently

Intake Manifold: Service and Repair






Removal:





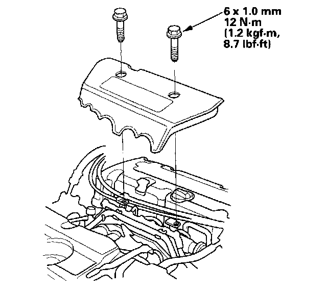
1. Removal the intake manifold cover.





2. Disconnect the intake air temperature (IAT) sensor connector (A), remove the breather hose (B), then remove the air cleaner housing (C).





3. Remove the throttle cover (A). Fully open the throttle link and cruise control link by hand, then remove the throttle cable (B) and cruise control cable (C) from the links. Loosen the locknuts (D), and remove the cables from the bracket.





4. Remove the Evaporative Emission (EVAP) canister hose (A) and brake booster vacuum hose (B).





5. Remove the water bypass hoses, then plug the water bypass hoses.





6. Disconnect the Intake Manifold Runner Control (IMRC) valve actuator control solenoid valve connector (A), then remove the Positive Crankcase Ventilation (PCV) hose (B) and IMRC valve control solenoid valve mounting bolt (C).





7. Removal the bolt (A) securing the battery clamp, then remove the bulkhead cover (B).





8. Remove the harness clamps.





9. Remove the intake air duct mounting bolts (A) and upper bracket and cushion (B), then remove the bulkhead (c).
10. Remove the engine wire harness connectors and wire harness clamps from the intake manifold.
- Idle Air Control (IAC) valve connector
- Throttle position sensor connector
- Manifold Absolute Pressure (MAP) sensor connector
- Evaporative Emission (EVAP) canister purge valve connector
- IMRC valve position sensor connector





11. Remove the intake manifold.

Installation:





1. Install the intake manifold (A), and tighten the bolts/nuts in a crisscross pattern in two or three steps, beginning with the inner bolt. Use the new O-rings (B).





2. Install the bulkhead (A), then install the upper bracket and cushion (B) and intake air duct mounting bolts (C). Apply body paint to the bulkhead mounting bolts.





3. Connect the harness clamps.





4. Install the bulkhead cover (A), then install the battery clamp bolt (B).





5. Connect Intake Manifold Runner Control (IMRC) valve actuator control solenoid valve connector (A), then install the Positive Crankcase Ventilation (PCV) hose (B) and IMRC valve actuator control solenoid valve mounting bolt (C).





6. Install the water bypass hoses.





7. Install the Evaporative Emission (EVAP) canister hose (A) and brake booster vacuum hose (B).
8. Install the throttle cable, then adjust the cable.
9. Install the cruise control cable, then adjust the cable.





10. Install the air cleaner housing (A), and connect the Intake Air Temperature (IAT) sensor connector (B).
11. Install the breather hose (c).





12. Install the intake manifold cover.
13. Clean up any spilled engine coolant.
14. After installation, check that all tubes, hoses and connectors are installed correctly.
15. Refill the radiator with engine coolant, and bleed air from the cooling system with the heater valve open.