Operation CHARM: Car repair manuals for everyone.
Manuals through 2025 now available!

Our trusted friends have launched a new website named LEMON, which has newer manuals. It also contains all the CHARM manuals.

LEMON is the spiritual successor to CHARM, I recommend you try it!

Link: lemon-manuals.la or lemon-manuals.org.ua

(Some people have issue connecting. LEMON is investigating. For now, use Firefox or change your DNS server)

Or, hide this message: temporarily or permanently

Removal and Installation

Blower Unit Removal and Installation

1. Remove the passenger's dashboard lower cover, the right kick panel, and the glove box.




2. Cut the plastic cross brace in the glove box opening with diagonal cutters in the area shown. Remove and discard the plastic cross brace.




3. Remove the relays (A), then remove the bolts and the glove box frame (B).
4. Remove the ECM/PCM.




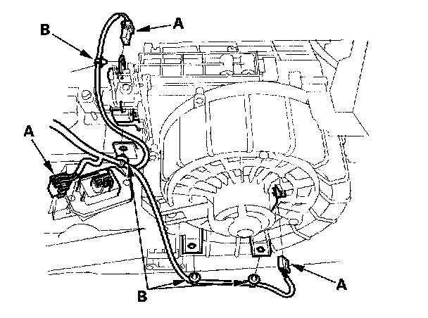
5. Disconnect the connectors (A) from the blower motor, the power transistor, and the recirculation control motor, then remove the wire harness clips (B).




6. Fold the carpet and pad back toward you. Remove the mounting bolts, the mounting nut, and the blower unit.
7. Install the unit in the reverse order of removal. Make sure that there is no air leakage.