Operation CHARM: Car repair manuals for everyone.
Manuals through 2025 now available!

Our trusted friends have launched a new website named LEMON, which has newer manuals. It also contains all the CHARM manuals.

LEMON is the spiritual successor to CHARM, I recommend you try it!

Link: lemon-manuals.la or lemon-manuals.org.ua

(Some people have issue connecting. LEMON is investigating. For now, use Firefox or change your DNS server)

Or, hide this message: temporarily or permanently

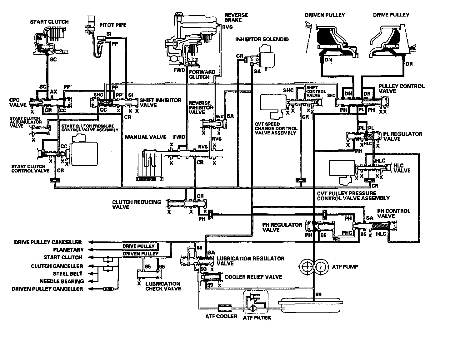
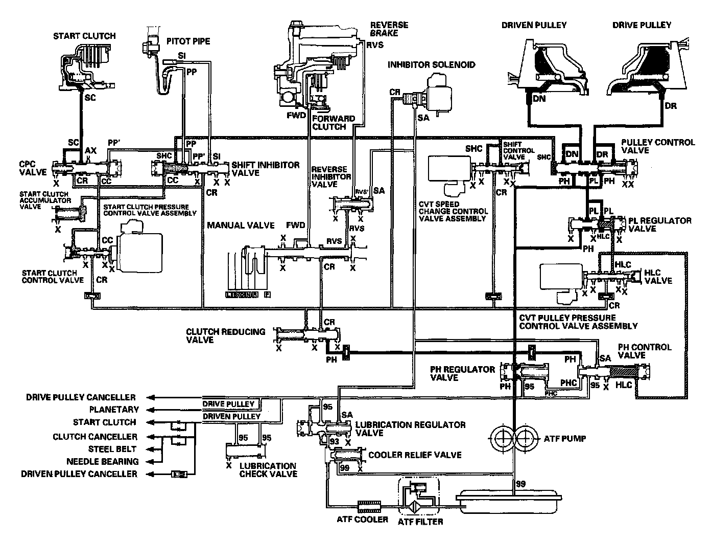
Continuously Variable Transmission/Transaxle, CVT

Hydraulic Flow





As the engine turns, the ATF pump starts to operate. Automatic transmission fluid (ATF) is drawn though the ATF strainer and discharged into the hydraulic circuit. Then, ATF flowing from the ATF pump flows the PH regulator valve and becomes the PH pressure. The PH pressure flows to the pulley control valve and then to the pulleys. The PCM actuates the solenoids to control hydraulic pressure shifting pulley ratios and engaging start clutch.





General Chart of Hydraulic Pressure

N Position





Fluid from the ATF pump regulates high pressure (PH) at the PH regulator valve, and flows to the movable face of the driven pulley via the pulley control valve. The high pressure (PH) also flows to the PL regulator valve, and becomes to low pressure (PL). The low pressure (PL) flows to the movable face of the drive pulley via the pulley control valve. At this time, the pulley ratio remains low.
The start clutch receives very low pressure from the CPC valve. The manual valve intercepts the FWD pressure to the forward clutch. Under this condition, hydraulic pressure is not applied to the forward clutch and reverse brake.

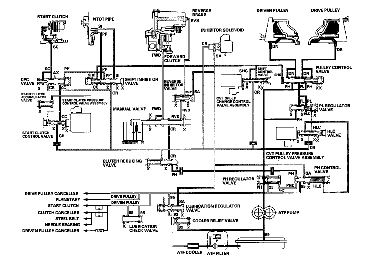
D Position, at low speed range





The manual valve is shifted into the D position, and uncovers the port leading forward clutch pressure (FWD) to the forward clutch. The forward clutch pressure (FWD) flows to the forward clutch, the forward clutch is engaged, and drives the input shaft and drive pulley. The drive pulley receives low pressure, and driven pulley receives high pressure. So, the pulley ratio is low at this time. The PCM actuates the start clutch pressure control valve assembly to control start clutch pressure. The start clutch control pressure (SC) from the start clutch pressure control valve assembly becomes the start clutch pressure (SC) at the CPC valve, and flows to the start clutch. The start clutch is engaged, and the vehicle moves.

D Position, at middle speed range





As the speed of the vehicle reaches the prescribed value, the CVT speed change control valve assembly is activated by the PCM. The CVT speed change control valve assembly controls the pulley control valve to activate shift control pressure (SHC). Clutch reducing pressure (CR) from the clutch reducing valve becomes shift control pressure (SHC) at the SHC valve, and shift control pressure (SHC) flows to the left end of the pulley control valve. The pulley control valve is moved to the right side positioning it in the middle of its travel, and covers the port to stop high pressure (PH) to the pulleys, and uncovers the port leading low pressure (PL) to the pulleys. The drive pulley and the driven pulley receive low pressure (PL), and the pulley ratio is in the middle. Hydraulic pressure remains to apply the forward clutch and the start clutch.

NOTE: When used, "left" or "right" indicates direction on the hydraulic circuit.

D Position, at high speed range





Vehicle speed is further increased, the CVT speed change control valve assembly moves the SHC valve to increase shift control pressure (SHC) at the left end of the pulley control valve. The pulley control valve is moved to right side compared to its position at middle pulley ratio. The pulley control valve uncovers the port leading high pressure (PH) to the drive pulley and uncovers the port leading low pressure (PL) to the driven pulley. The drive pulley receives high pressure (PH) and the driven pulley receives low pressure (PL), and the pulley ratio is in the high. Hydraulic pressure remains to apply the forward clutch and the start clutch.

NOTE: When used, "left" or "right" indicates direction on the hydraulic circuit.

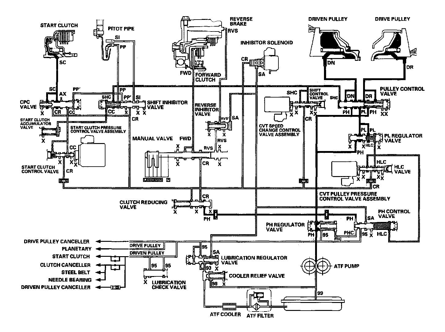
R Position





The manual valve is shifted in the R position, and uncovers the port leading reverse brake pressure (RVS) to the reverse inhibitor valve. The inhibitor solenoid is turned OFF by the PCM, and SH-A pressure (SA) is applied to the right end of the reverse inhibitor valve. The reverse inhibitor valve is moved to the left side, and uncovers the port leading reverse brake pressure (RVS') to the reverse brake. Clutch reducing pressure (CR) becomes reverse brake pressure (RVS), and flows to the reverse brake via the reverse inhibitor valve. The reverse brake is engaged, and it locks the planetary carrier.

NOTE: When used, "left" or "right" indicates direction on the hydraulic circuit.

R Position
Reverse Inhibitor Control





If the R position is selected while the vehicle is moving forward at speeds over 6 mph (10 km/h), the PCM outputs the signal to turn ON the inhibitor solenoid, and the SH-A pressure (SA) in the right end of the reverse inhibitor valve is released. The reverse inhibitor valve is moved to the left side, and covers the port to stop reverse brake pressure to the reverse brake from the manual valve. Reverse brake pressure (RVS) is not applied to the reverse brake, and power is not transmitted to the reverse direction.

NOTE: When used, "left" or "right" indicates direction on the hydraulic circuit.

P Position





The manual valve is the shifted in the P position, clutch reducing pressure (CR) is intercepted at the manual valve. Hydraulic pressure is not applied to the forward clutch, and power is not transmitted to the drive pulley shaft.

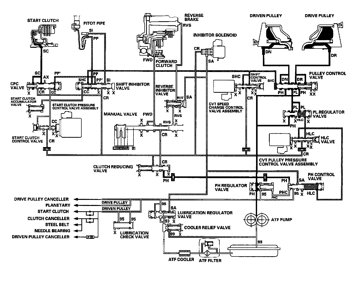
D Position
Pulley pressure control when decelerating with applying brake





When the vehicle needs to accelerate after the vehicle decelerated with applying the brakes, the PCM turns inhibitor solenoid ON. The inhibitor solenoid is turned ON, and SH-A pressure (SA) in the PH control valve is released. Then high pressure (PH) increases at the PH regulator valve, and higher pressure flows to the driven pulley. The driven pulley receives high pressure, and the pulley ratio is in low. The vehicle can accelerate in low pulley ratio.

D Position, when an electronic control system breakdown occurs.





When an electronic control system breakdown occurs, the transmission uses the pilot pipe pressure (PP) to allow the vehicle to drive.
When all solenoids and sensors are off because of an electronic control system breakdown, shift inhibitor valve is moved to left side and uncovers the port leading shift inhibitor pressure (SI) to the pilot lubrication pipe. The pilot lubrication pipe discharges fluid inside of the pilot flange, and discharged fluid enters into the pilot pipe and it is applied to the right end of the CPC valve via the shift inhibitor valve. The pilot pressure (PP) is increased, the CPC valve is moved to left side, and the start clutch pressure (SC) is increased. The start clutch pressure (SC) is applied to the start clutch, and the start clutch is engaged. At this time, the drive pulley receives high pressure, and the driven pulley receives low pressure, the pulley ration is in high.

NOTE: When used, "left" or "right" indicates direction on the hydraulic circuit.

R Position, when an electronic control system breakdown occurs.





The manual valve is shifted in the R position, and uncovers the port leading reverse brake pressure (RVS) to the reverse inhibitor valve. All solenoids and sensors are off because of an electronic control system breakdown the inhibitor solenoid is faulty OFF, and SH-A pressure (SA) is applied to the right end of the reverse inhibitor valve. The reverse inhibitor valve is moved to the left side, and uncovers the port leading reverse brake pressure (RVS') to the reverse brake. The reverse brake pressure (RVS) flows to the reverse brake, and the reverse brake is engaged to drive in reverse. The shift inhibitor valve is moved by the electronic control system breakdown to left side and uncovers the port leading shift inhibitor pressure (SI) to the pilot lubrication pipe. The pilot lubrication pipe discharges fluid inside of the pilot flange, and discharged fluid enters into the pilot pipe and it is applied to the right end of the CPC valve via the shift inhibitor valve. The pilot pressure (PP) is increased, the CPC valve is moved to left side, and the start clutch pressure (SC) is increased. The start clutch pressure (SC) is applied to the start clutch, and the start clutch is engaged. At this time, the drive pulley receives high pressure, and the driven pulley receives low pressure, the pulley ration is in high.

NOTE: When used, "left" or "right" indicates direction on the hydraulic circuit.

Park Mechanism





The park mechanism locks the transmission by engaging the park pawl with the park gear which is integral with the secondary drive gear. The secondary drive gear engages with the secondary driven gear which is integral with the final drive gear, and the final drive gear engages the final driven gear.
Shifting to the P position causes the park cone (installed at the end of the park rod) to press the park pawl onto the park gear. Even if the end of the park pawl rides on the top of the park gear teeth, slight movement of the vehicle will cause the park pawl and park gear to mesh with each other completely because the park cone receives the tension from the park rod spring. The park pawl receives the tension (which acts to separate the park pawl from the park gear) from the park pawl spring.