Operation CHARM: Car repair manuals for everyone.
Manuals through 2025 now available!

Our trusted friends have launched a new website named LEMON, which has newer manuals. It also contains all the CHARM manuals.

LEMON is the spiritual successor to CHARM, I recommend you try it!

Link: lemon-manuals.la or lemon-manuals.org.ua

(Some people have issue connecting. LEMON is investigating. For now, use Firefox or change your DNS server)

Or, hide this message: temporarily or permanently

Transmission Installation

Transmission Installation
1. Flush the ATF cooler.
2. Remove the used grease in the flywheel hub cap and flywheel splines.





3. Fill the inside of the flywheel hub cap (A) and coat the flywheel bud splines (B) with about 1.5 to 2.5 grams (0.05 to 0.09 oz) of Super High Temp Urea Grease (P/N 08798-9002). Do not overfill the flywheel hub cap with grease.





4. Install the front mount on the flywheel housing.





5. Install the starter (A) on the flywheel housing (B).
6. Install a new rubber sealing ring (c) on the input shaft (D), and install the 14 mm dowel pins (E) in the flywheel housing.
7. Install the flywheel (F) on the input shaft.
8. Place the transmission on a jack, and raise it to engine level.





9. Attach the transmission to the engine, then install the rear mount/bracket (A) with the mount bracket bolts (B) and the transmission housing mounting bolt (C).





10. Install the transmission housing mounting bolts.





11. Install the transmission mount bracket (A). Tighten the bolt (B) loosely, and tighten the nuts (C) to the specified torque, then tighten the bolt to the specified torque.





12. Install new set rings (A) on the left and right driveshafts (B).
13. Install the right and left driveshafts. While installing the driveshafts in the differential, be sure not to allow dust or other foreign particles to enter the transmission.

NOTE:
^ Clean the areas where the driveshafts contact the transmission (differential) with solvent or carburetor cleaner, and dry with compressed air.
^ Turn the right and left steering knuckle fully outward, and slide the driveshafts into the differential until you feel its set ring engage the side gear.





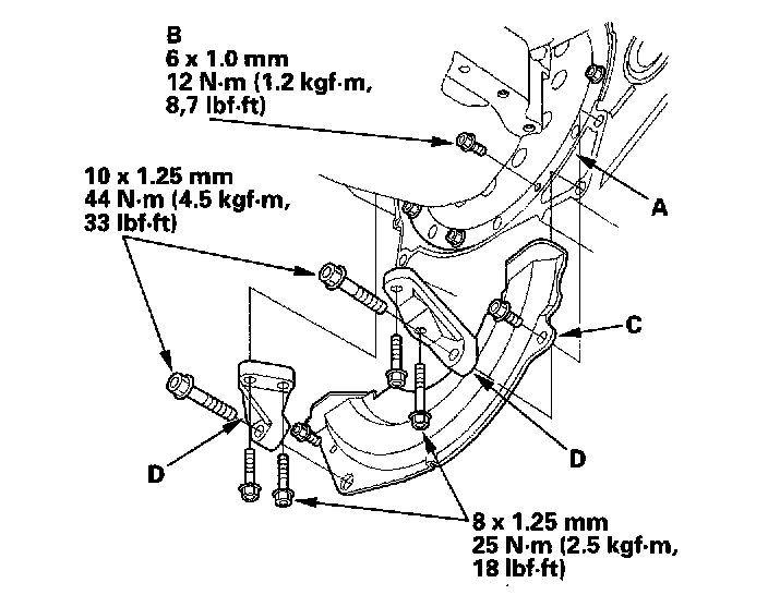
14. Support the subframe (A) with the special tool, and lift it up to the body.





15. Loosely install the four subframe mounting bolts (A) and the 10 x 1.25 mm bolts (B).





16. Align the reference marks (A) with the center of the bolts heads (B), then tighten the bolts to the specified torque.





17. Install the rear mount bolts.
18. Remove the transmission jack from the transmission.





19. Attach the flywheel to the drive plate (A) with eight bolts (B). Rotate the crankshaft pulley as necessary to tighten the bolts to 1/2 of the specified torque, then to the final torque, in a crisscross pattern. After installing the last bolt, check that the crankshaft rotates freely.
20. Install the flywheel cover (c) and engine stiffeners (D).
21. Tighten the crankshaft pulley bolt as necessary.





22. Connect the ball joints (A) to the lower arms (B), and install the castle nuts (C) and spring clips (D).
23. Connect the ball joint pins (E) to the lower arms, and install the nuts (F). Insert a 5 mm Allen wrench (G) in the top of the ball joint pins, and tighten the nuts.





24. Install the exhaust pipe A.





25. Connect the third HO2S connector (A), and install the harness (B) on its clamps (C).





26. Install the splash shield.





27. Install the front mount bolt.
28. Remove the engine hanger and the special tool from the engine.





29. Connect the secondary H02S connector (A), and install the harness (B) on its clamps (C).





30. Connect the ATF cooler hoses (A) to the ATF cooler lines (B).





31. Connect the connectors to the CVT speed sensor connector (A), CVT speed sensor 2 (B), CVT driven pulley speed sensor (C), and transmission range switch (D).





32. Install the shift cable end (A) on the control lever (B), and install the shift cable bracket (C) on the transmission. Do not bend the shift cable excessively.
33. Install the plastic washer (D) then the steel washer (E), and install the spring clip (F) in the direction shown.





34. Connect the CVT drive pulley speed sensor connector (A) and solenoid harness connector (8P) (B), and install the harness clamp (C) on the transmission hanger (D).
35. Install the transmission ground cable (E) on the transmission hanger.





36. Connect the starter cable (A) to the starter (B), and install the harness clamp (C) on the clamp bracket (D). Make sure the crimped side of the starter cable ring terminal is facing out.
37. Install the battery base, then install the harness clamp on the battery base.
38. Install the resonator and intake air duct.
39. Refill the transmission with ATF.
40. Install the battery tray and battery, then secure the battery with its hold-down bracket.
41. Connect the battery positive terminal, then connect the negative terminal.
42. Set the parking brake. Start the engine, and shift the transmission through all gears three times.
43. Check the shift lever operation, A/T gear position indicator operation, and shift cable adjustment.
44. Check and adjust the front wheel alignment.
45. Start the engine and let it reach normal operating temperature (the radiator fan comes on) with the transmission in the P or N position, then turn if off and check the ATF level.
46. Do the PCM idle learn procedure.
47. Perform the start clutch calibration procedure.
48. Perform a road test.
49. Enter the anti-theft code for the radio, then enter the radio station presets, and set the clock.