Operation CHARM: Car repair manuals for everyone.
Manuals through 2025 now available!

Our trusted friends have launched a new website named LEMON, which has newer manuals. It also contains all the CHARM manuals.

LEMON is the spiritual successor to CHARM, I recommend you try it!

Link: lemon-manuals.la or lemon-manuals.org.ua

(Some people have issue connecting. LEMON is investigating. For now, use Firefox or change your DNS server)

Or, hide this message: temporarily or permanently

Valve Body: Service and Repair

CVT

Lower Valve Body Assembly Removal

1. Raise the front of the vehicle, and make sure it is securely supported.

2. Set the parking brake, and block rear wheels securely.

3. Disconnect the solenoid harness connector (8P).





4. Remove the drain plug (A), and drain the automatic transmission fluid (ATF). Reinstall the drain plug with a new sealing washer (B).





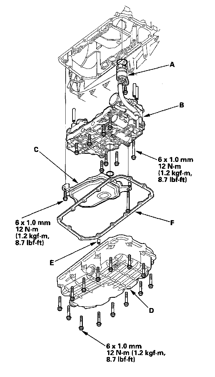
5. Remove the ATF pan (A) (14 bolts).

6. Remove the ATF strainer (B) (two bolts).

7. Remove the lower valve body assembly (C) (eight bolts).

8. Remove the bolt securing the solenoid harness connector (D) with holding the lower valve body assembly, and remove the connector and valve body assembly.


Lower Valve Body Assemble Installation





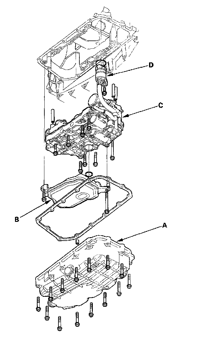
1. Install the solenoid harness connector (A) with holding the lower valve body assembly (B).

2. Install the lower valve body assembly (eight bolts).

3. Install the ATF strainer (C) (two bolts).

4. Install the ATF pan (D) with the two dowel pins (E) and new gasket (F).

5. Check the solenoid harness connector for rust, dirt, or oil, then connect the connector securely.

6. Refill the transmission with ATF.

7. Perform the start clutch calibration procedure.