Operation CHARM: Car repair manuals for everyone.
Manuals through 2025 now available!

Our trusted friends have launched a new website named LEMON, which has newer manuals. It also contains all the CHARM manuals.

LEMON is the spiritual successor to CHARM, I recommend you try it!

Link: lemon-manuals.la or lemon-manuals.org.ua

(Some people have issue connecting. LEMON is investigating. For now, use Firefox or change your DNS server)

Or, hide this message: temporarily or permanently

Brake Master Cylinder: Service and Repair

Replacement

NOTE: Do not spill brake fluid on the vehicle; it may damage the paint; if brake fluid does contact the paint, wash it off immediately with water.





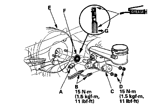
1. Release the engine wire harness clips on the strut brace (A), and remove the strut brace. With M/T: Remove the clutch reservoir bracket from the vehicle, and move it aside. Do not disconnect the clutch hose from the reservoir.
2. Remove the reservoir cap and brake fluid from the master cylinder reservoir.





3. Remove the brake fluid level sensor connector (A).
4. Disconnect the brake lines (B) from the master cylinder (C). To prevent spills, cover the hose joints with rags or shop towels.
5. Remove the master cylinder mounting nuts (D) and washers.
6. Remove the master cylinder from the brake booster (E). Be careful not to bend or damage the brake lines when removing the master cylinder.
7. Remove the rod seal (F) from the master cylinder.
8. Install the master cylinder in the reverse order of removal, and note these items:
^ Replace all the rubber parts with new ones whenever the master cylinder is removed.
^ Check the pushrod clearance before installing the master cylinder, and adjust it if necessary.
^ Use a new rod seal on reassembly.
^ Coat the inner bore lip and outer circumference of the new rod seal with the recommended seal grease in the master cylinder set.
^ Install the rod seal onto the master cylinder with its grooved side (G) toward the master cylinder.
^ Check the brake pedal height and free play after installing the master cylinder, and adjust it if necessary.