Operation CHARM: Car repair manuals for everyone.
Manuals through 2025 now available!

Our trusted friends have launched a new website named LEMON, which has newer manuals. It also contains all the CHARM manuals.

LEMON is the spiritual successor to CHARM, I recommend you try it!

Link: lemon-manuals.la or lemon-manuals.org.ua

(Some people have issue connecting. LEMON is investigating. For now, use Firefox or change your DNS server)

Or, hide this message: temporarily or permanently

Fuel Filter: Service and Repair

Fuel Filter Replacement

M/T model:


The fuel filter should be replaced whenever the fuel pressure drops below the specified value (270 - 320 kPa, 2.8 - 3.3 kgf/sq.cm, 40 - 47 psi with the fuel pressure regulator vacuum hose disconnected and pinched) after making sure that the fuel pump and the fuel pressure regulator are OK.

1. Remove the fuel pump.




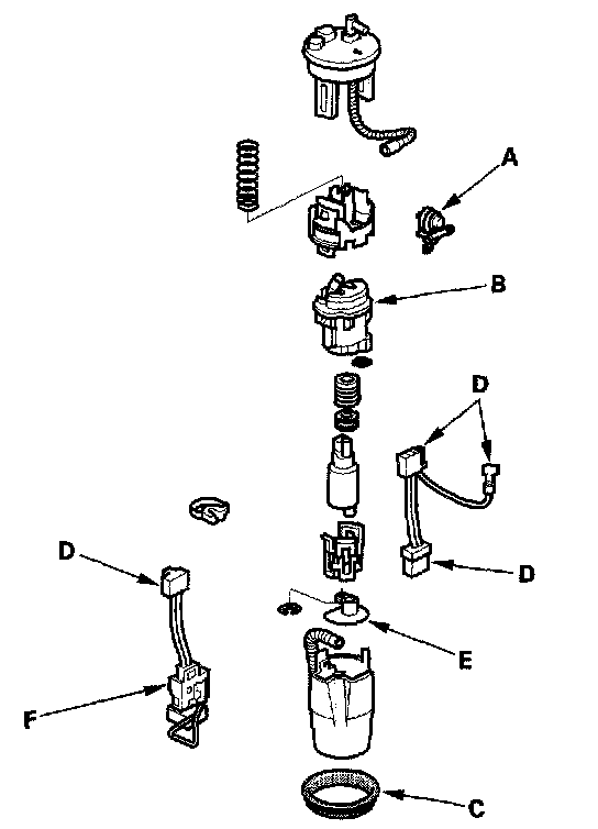
2. Remove the fuel filter (A).
3. Install the part in the reverse order of removal with a new base gasket, then check these items:
- When connecting the wire harness, make sure the connection is secure and the connector (B) is firmly locked into the place.
- Do not push the lower part of the suction filter (C).
- When installing the fuel gauge sending unit (D), make sure the connection is secure and the connector is firmly locked into place. Be careful not to bend or twist it excessively.

CVT model:

After making sure that the fuel pump and the fuel pressure regulator are OK, replace the fuel filter whenever fuel pressure drops below the specified value (270 - 320 kPa, 2.8 - 3.3 kgf/sq.cm, 40 - 47 psi) after making sure that the fuel pump and the fuel pressure regulator are OK.

1. Remove the fuel pump.
2. Remove the fuel pressure regulator assembly (A).




3. Remove the fuel filter (B).
4. Install the parts in the reverse order of removal with a new base gasket (C) then check these items:
- When connecting the wire harness, make sure the connection is secure and the connector (D) is firmly locked into place.
- Do not push the lower part of the suction filter (E).
- When installing the fuel gauge sending unit (F), make sure the connection is secure and the connector is firmly locked into place. Be careful not to bend or twist it excessively.