Operation CHARM: Car repair manuals for everyone.
Manuals through 2025 now available!

Our trusted friends have launched a new website named LEMON, which has newer manuals. It also contains all the CHARM manuals.

LEMON is the spiritual successor to CHARM, I recommend you try it!

Link: lemon-manuals.la or lemon-manuals.org.ua

(Some people have issue connecting. LEMON is investigating. For now, use Firefox or change your DNS server)

Or, hide this message: temporarily or permanently

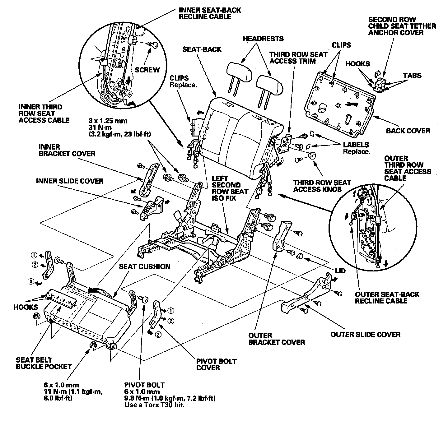
Left Second Row Seat Disassembly/Reassembly

Left Second Row Seat Disassembly/Reassembly

'03 Model






NOTE:
- Take care not to bend the seat-back recline cables and third row seat access cables.
- Replace any damaged clips with new ones.
- Make sure the seat-back recline cables and third row seat access cables are connected securely. If necessary, adjust the seat-back recline cable.
- To prevent wrinkles in the seat-back cover, stretch the material evenly over the pad.