Operation CHARM: Car repair manuals for everyone.
Manuals through 2025 now available!

Our trusted friends have launched a new website named LEMON, which has newer manuals. It also contains all the CHARM manuals.

LEMON is the spiritual successor to CHARM, I recommend you try it!

Link: lemon-manuals.la or lemon-manuals.org.ua

(Some people have issue connecting. LEMON is investigating. For now, use Firefox or change your DNS server)

Or, hide this message: temporarily or permanently

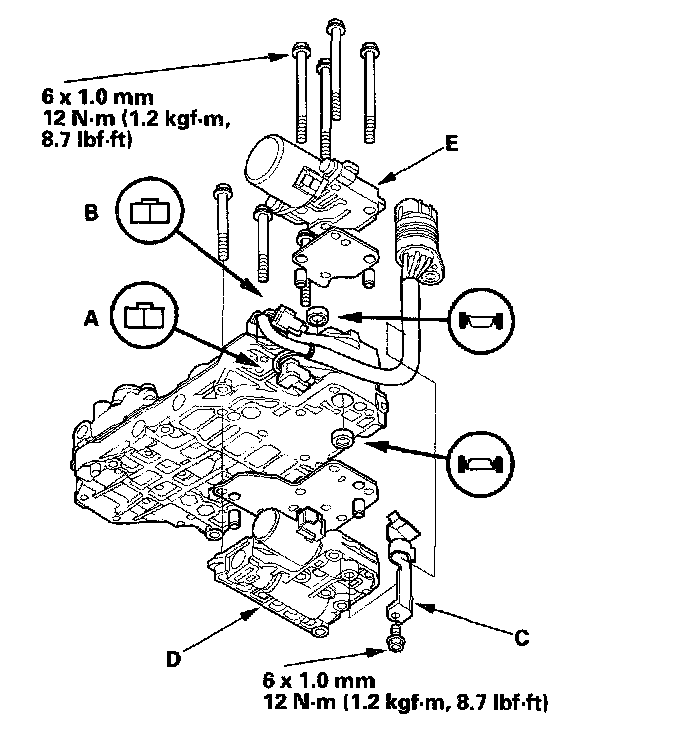
CVT Speed Change Control Valve Assembly Replacement

CVT Speed Change Control Valve Assembly Replacement
1. Remove the lower valve body assembly.





2. Disconnect CVT speed change control valve assembly connector (A) and CVT start clutch pressure control valve assembly connector (B).
3. Remove the solenoid harness clamp (c).
4. Remove the seven bolts, and remove the CVT speed change control valve assembly (D).
5. Install the new valve assembly with the CVT start clutch pressure control valve assembly (E) (seven bolts). Replace the CVT start clutch pressure control valve assembly, when replacing the valve assemblies at a same time.
6. Install the solenoid harness clamp, and route the harness in it.
7. Connect CVT speed change control valve assembly connector and CVT start clutch pressure control valve assembly connector, be sure to connect them correctly.
8. Install the lower valve body assembly to the transmission.