Operation CHARM: Car repair manuals for everyone.
Manuals through 2025 now available!

Our trusted friends have launched a new website named LEMON, which has newer manuals. It also contains all the CHARM manuals.

LEMON is the spiritual successor to CHARM, I recommend you try it!

Link: lemon-manuals.la or lemon-manuals.org.ua

(Some people have issue connecting. LEMON is investigating. For now, use Firefox or change your DNS server)

Or, hide this message: temporarily or permanently

Engine: Service and Repair

Removal

NOTE:
^ Use fender covers to avoid damaging painted surfaces.
^ To avoid damage, unplug the wiring connectors carefully while holding the connector portion.
^ Mark all wiring and hoses to avoid disconnection. Also, be sure that they do not contact other wiring or hoses, or interfere with other parts.

1. Secure the hood in the wide open position (support rod in the lower hole).
2. Make sure you have the anti-theft code for the radio, then write down the frequencies for the radio's preset buttons.
3. Disconnect the negative cable from the battery first, then disconnect the positive cable.





4. Remove the intake resonator.
5. Remove the battery and battery base.





6. Remove the battery cables (A) from the fuse box, and remove the harness clamps (B).





7. Remove the intake air duct (A) and ground cable (B).





8. Remove the clutch slave cylinder (A) and clutch line bracket mounting bolt (B) (M/T).





9. Remove the shift cable (A) and select cable (B) (M/T).





10. Remove the shift cable (CVT).
11. Relieve fuel pressure.





12. Remove the evaporative emission (EVAP) canister hose.





13. Remove the brake booster vacuum hose.
14. Remove the glove box stops, then open the glove box.





15. Disconnect the engine control module (ECM)/powertrain control module (PCM) connectors.





16. Remove the harness clamps (A) and grommet (B), then pull the engine wire harness through the bulkhead.
17. Remove the throttle cable (A) and cruise control cable (B) by loosening the locknuts (C), then slipping the cable ends out of the accelerator linkage. Take care not to bend the cables when removing them. Always replace any kinked cable with a new one.





Except 2-door D17A1, D17A2 engines





2-door D17A1, D17A2 engines





18. Remove the adjusting plate mounting bolt (A), locknut (B) and mounting bolt (C), then remove the power steering (P/S) pump belt (D) and pump without disconnecting the P/S hoses.
19. Remove the alternator.





20. Remove the A/C hose bracket (A) and P/S hose bracket (B).





21. Remove the alternator lower bracket (A), then remove the A/C compressor (B) without disconnecting the A/C hoses.
22. Remove the radiator cap.
23. Raise the hoist to full height.
24. Remove the front tires/wheels.





25. Remove the splash shield.
26. Loosen the drain plug in the radiator, drain the engine coolant.
27. Drain the transmission fluid:
^ Manual Transmission.
^ Automatic transmission.
^ CVT.
28. Drain the engine oil. Reinstall the drain bolt using a new washer.





29. Disconnect the primary heated oxygen sensor (primary HO2S) connector (A) and secondary heated oxygen sensor (secondary HO2S) connector (B), then remove the exhaust pipe A/three way catalytic converter (TWC) (C) (D17A2 engine).





30. Disconnect the third heated oxygen sensor (third HO2S) connector (A), remove the exhaust pipe A/TWC assembly (B) (D17A6 engine).





31. Remove the exhaust pipe/muffler assembly (D17A1 engine).





32. Remove the shift cable covers (A), then remove the shift control cable (B) (A/T).
33. Disconnect the suspension lower arm ball joints and stabilizer links.
34. Remove the driveshafts. Coat all precision finished surfaces with clean engine oil. Tie plastic bags over the driveshaft ends.
35. Lower the hoist.





36. Remove the ground cable (A), upper radiator hose (B), lower radiator hose (C) and heater hose (D).





37. Remove the heater hose.





38. Remove the automatic transmission fluid (ATF) cooler hoses, then plug the ATF cooler hoses and lines (A/T, CVT).





39. Attach the chain hoist to the engine as shown.





40. Remove the front mount mounting bolt.





41. Remove the side engine mount bracket mounting nuts.











42. Remove the transmission mount bracket mounting bolt/nuts.
43. Make sure the hoist brackets are positioned properly. Raise the hoist to full height.





44. Remove the rear mount mounting bolts.





45. Use a marker to make alignment marks on the reference lines (A) that align with the centers of the rear subframe mounting bolts (B).
46. Remove the front subframe.
47. Check that the engine/transmission is completely free of vacuum hoses, fuel and coolant hoses, and electrical wiring.
48. Slowly lower the engine about 150 mm (6 inch). Check once again that all hoses and wires are disconnected from the engine/transmission.
49. Lower the engine all the way. Remove the chain hoist from the engine.
50. Remove the engine from under the vehicle.

Installation





1. Install the accessory brackets and tighten their bolts and nuts to the specified torques.
2. Position the engine under the vehicle. Attach the chain hoist to the engine, then lift the engine into position in the vehicle.

NOTICE: Reinstall the mounting bolts/support nuts in the sequence given. Failure to follow this sequence may cause excessive noise and vibration, and reduce bushing life.





3. Install the subframe (A). Align the reference lines (B) on the subframe with the bolt head center, then tighten the bolts.





4. Tighten the rear mount mounting bolts.
5. Lower the hoist.





6. Tighten the side engine mount bracket mounting nuts.











7. Tighten the transmission mount bracket mounting bolt/nuts.





8. Tighten the front mount mounting bolt.
9. Remove the chain hoist from the engine.
10. Raise the hoist to full height.
11. Install a new spring clip on the end of each driveshaft, then install the driveshafts. Make sure each clip "clicks" into place in the differential and intermediate shaft.
12. Connect the suspension lower arm ball joints, and stabilizer links.





13. Install the shift control cable (A), then install the shift cable covers (B) (A/T).





14. Install the exhaust pipe A/three way catalytic converter (TWC) assembly (A); use new gaskets (B) and new self locking nuts (C). Connect the primary heated oxygen sensor (primary H02S) connector (D) and secondary heated oxygen sensor (secondary H02S) connector (E) (D17A2 engine).





15. Install exhaust pipe A/TWC assembly (A); use new gaskets (B) and new self locking nuts (C). Connect the third H02S connector (D) (D17A6 engine).





16. Install the exhaust pipe/muffler assembly (A); use a new gasket (B) (D17A1 engine).





17. Install the splash shield.
18. Install the front tires/wheels.
19. Lower the hoist.





20. Install the automatic transmission fluid (ATF) cooler hoses (A/T, CVT).





21. Install the heater hose.





22. Install the upper radiator hose (A), lower radiator hose (B), heater hose (C) and ground cable (D).





23. Install the A/C compressor (A), then install the alternator lower bracket (B).





24. Install the A/C hose bracket (A) and power steering (P/S) hose bracket (B).
25. Loosely install the alternator.
26. Adjust the alternator belt tension or the alternator-compressor belt tension.
27. Loosely install the P/S pump belt and pump.
28. Adjust the P/S pump belt.





29. Push the engine control module (ECM)/powertrain control module (PCM) connectors through the bulkhead, then install the grommet (A).
30. Install the harness clamps (B).





31. Connect the ECM/PCM connectors.
32. Install the glove box stops.
33. Install the cruise control cable, then adjust the cable.
34. Install the throttle cable, then adjust the cable.





35. Install the brake booster vacuum hose.





36. Install the evaporative emission (EVAP) canister hose.





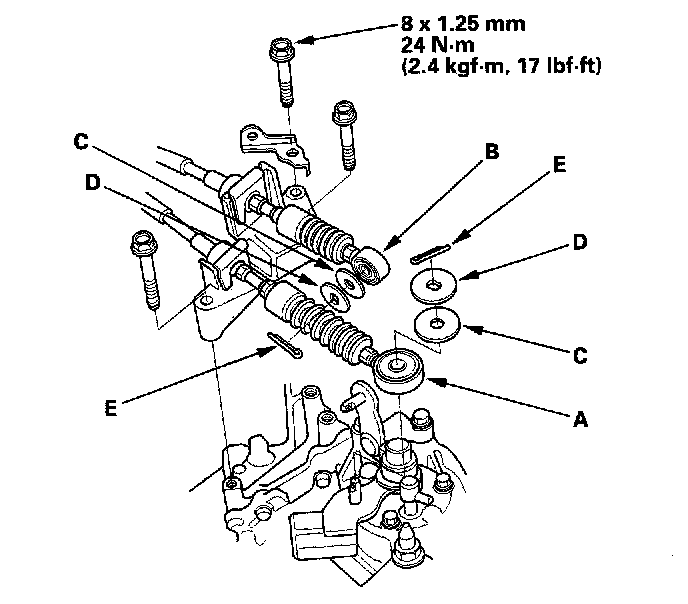
37. Install the shift cable (A) using the plastic washer (B), washer (C) and spring pin (D) (CVT).





38. Install the select cable (A) and shift cable (B) using the plastic washers (C), washers (D) and new cotter pins (E) (M/T).





39. Install the clutch slave cylinder (A) and clutch line bracket mounting bolt (B) (M/T).
40. Install the battery base.





41. Install the intake air duct (A) and ground cable (B).





42. Install the battery cable (A) on the under-hood fuse/relay box, then install the harness clamps (B).





43. Install the intake resonator.
44. Clean the battery posts and cable terminals with sandpaper. Connect the negative cable, then positive cable and apply grease to prevent
corrosion.
45. Move the shift lever to each gear, and verity that the A/T gear position indicator follows the transmission range switch (A/T, CVT).
46. Check that the transmission shifts into gear smoothly (M/T).
47. Inspect for fuel leaks. Turn the ignition switch ON (II) (do not operate the starter) so that the fuel pump runs for about 2 seconds and pressurizes the fuel line. Repeat this operation two or three times, then check for fuel leakage at any point in the fuel line.
48. Refill the engine with engine oil.
49. Refill the transmission fluid:
^ Manual Transmission.
^ Automatic transmission.
^ CVT.
50. Refill the radiator with engine coolant, and bleed air from the cooling system with the heater valve open.
51. Check the wheel alignment.
52. Enter the anti-theft code for the radio, then enter the customer's radio station presets.