Operation CHARM: Car repair manuals for everyone.
Manuals through 2025 now available!

Our trusted friends have launched a new website named LEMON, which has newer manuals. It also contains all the CHARM manuals.

LEMON is the spiritual successor to CHARM, I recommend you try it!

Link: lemon-manuals.la or lemon-manuals.org.ua

(Some people have issue connecting. LEMON is investigating. For now, use Firefox or change your DNS server)

Or, hide this message: temporarily or permanently

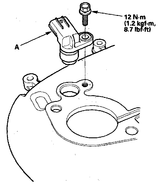
Camshaft Position Sensor: Service and Repair

CMP Sensor Replacement

1. Set the No. 1 piston at top dead center.
2. Remove the upper covers from the engine.
3. To hold the timing belt adjuster in its current position, thread in the battery clamp bolt hand-tight.
4. Loosen the idler pulley bolt about five or six turns, then remove the timing belt from the front camshaft pulley.




5. Remove the front camshaft pulley (A).
6. Disconnect the CMP sensor connector (B), then remove the back cover (C).




7. Remove the CMP sensor (A) from the back cover.
8. Install the sensor in the reverse order of removal. Reinstall the timing belt and other removed parts.
9. Do the CKP pattern clear/CKP pattern learn procedure.