Operation CHARM: Car repair manuals for everyone.
Manuals through 2025 now available!

Our trusted friends have launched a new website named LEMON, which has newer manuals. It also contains all the CHARM manuals.

LEMON is the spiritual successor to CHARM, I recommend you try it!

Link: lemon-manuals.la or lemon-manuals.org.ua

(Some people have issue connecting. LEMON is investigating. For now, use Firefox or change your DNS server)

Or, hide this message: temporarily or permanently

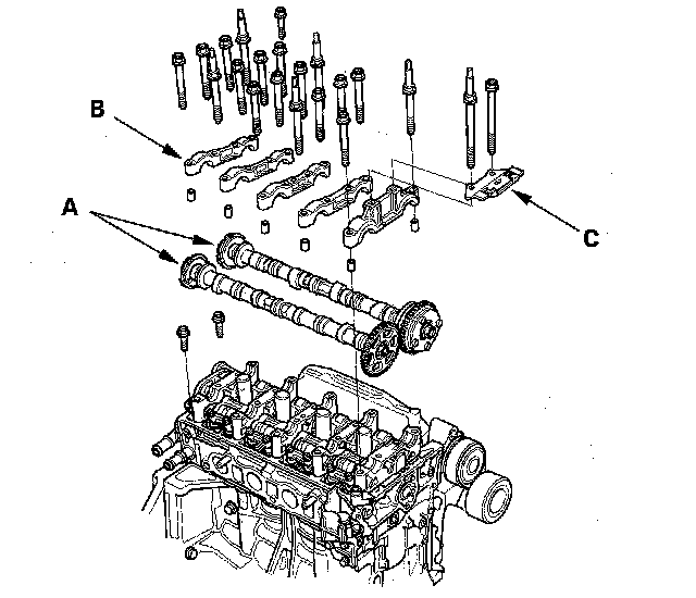
Rocker Arm Assembly Installation

Rocker Arm Assembly Installation
1. Clean and dry the No. 5 rocker shaft holder mating surface.





2. Apply liquid gasket, P/N 08717-0004, 08718-0001, 08718-0002, 08718-0003, or 08718-0009, evenly to the cylinder head mating surface of the No. 5 rocker shaft holder.

NOTE: Do not install components if too much time has passed after applying the liquid gasket (for P/N 08718-0002, no more than 4 minutes, for all others, no more than 5 minutes). Instead, remove the old residue and reapply the liquid gasket.

3. Reassemble the rocker arm assembly.





4. Insert the bolts (A) into the rocker shaft holder, then install the rocker arm assembly (B) on the cylinder head.
5. Remove the bolts from the rocker shaft holder.





6. Make sure the punch marks on the variable valve timing control (VTC) actuator and exhaust camshaft sprocket are facing up, then set the camshafts (A) in the holder. Apply new engine oil to the camshaft lobes and journals.
7. Set the camshaft holders (B) and cam chain guide B (C) in place.





8. Tighten the bolts to the specified torque.

NOTE: If the engine does not have bolt 9, skip it and continue the torque sequence.

9. Install the cam chain, and adjust the valve clearance.