Operation CHARM: Car repair manuals for everyone.
Manuals through 2025 now available!

Our trusted friends have launched a new website named LEMON, which has newer manuals. It also contains all the CHARM manuals.

LEMON is the spiritual successor to CHARM, I recommend you try it!

Link: lemon-manuals.la or lemon-manuals.org.ua

(Some people have issue connecting. LEMON is investigating. For now, use Firefox or change your DNS server)

Or, hide this message: temporarily or permanently

Engine Installation

Engine Installation





1. Install the accessory brackets, and tighten their bolts to the specified torques.
2. Position the engine under the vehicle. Attach the chain hoist to the engine, then lift the engine into position in the vehicle.

NOTE: Reinstall the mounting bolts/support nuts in the sequence given. Failure to follow this sequence may cause excessive noise and vibration, and reduce bushing life.





3. Install the A/C compressor (A), and connect the compressor clutch connector (B).





4. Support the subframe (A) with the special tool and a jack, and lift it up to the body.
5. Loosely install the new subframe mounting bolts. Remove the special tool.





6. Align the reference marks (A) with the center of the subframe mounting bolts (B), then tighten the bolts to the specified torque.





7. Tighten the rear mount mounting bolts.





8. Loosely tighten the new front mount bracket mounting bolt.
9. Lower the vehicle on the hoist.





10. Tighten the upper bracket mounting bolt and nut.





11. Tighten the transmission mount bracket support bolt/nuts.
12. Raise the vehicle on the hoist to full height.





13. Loosen the front engine mount bracket mounting bolt, then tighten it to the specified torque.
14. Lower the vehicle on the hoist.
15. Remove the chain hoist from the engine.
16. Raise the vehicle on the hoist to full height.
17. Install a new set ring on the end of each driveshaft, then install the driveshafts. Make sure each ring "clicks" into place in the differential and intermediate shaft.
18. Connect the suspension lower arm ball joints.
19. Connect the stabilizer links.
20. Install the propeller shaft on the transfer assembly (4WD).
21. Install the shift cable (A/T).





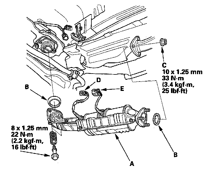
22. Install the three way catalytic converter (TWC) assembly (A); use new gaskets (B) and new self locking nuts (C).
23. Connect the air fuel ratio (A/F) sensor connector (D) and secondary heated oxygen sensor (secondary HO2S) connector (E).





24. Install the lower radiator hose.





25. Tighten the automatic transmission fluid (ATF) filter mounting bolt (A), and install the ATF cooler hoses (B) (A/T).





26. Install the splash shield.
27. Lower the vehicle on the hoist.





28. Install the upper radiator hose (A) and heater hoses (B).





29. Install the power steering (P/S) pump.
30. Install the drive belt.
31. Install the throttle cable, then adjust the cable.





32. Push the engine control module (ECM)/powertrain control module (PCM) connectors through the bulkhead, then install the grommet (A), and harness clamps (B).
33. Connect the accelerator pedal position (APP) sensor connector (C).





34. Connect the ECM/PCM connectors (A) and main wire harness connector (B). Attach the main wire harness connector to the connector holder (C).





35. Install the brake booster vacuum hose (A) and the evaporative emission (EVAP) canister hose (B).
36. Connect the fuel line.
37. Install the select cable and shift cable (M/T).
38. Install the clutch slave cylinder and clutch line bracket (M/T).





39. Install the battery cables (A) on the under-hood fuse/relay box, then install the harness clamps (B).
40. Connect the auxiliary under-hood fuse/relay box connector (C), and install the ground cable (D).





41. Install the air intake duct.





42. Install the air cleaner housing (A) and connect the intake air temperature (IAT) sensor connector (B).
43. Install the breather hose (C) and intake air bypass control thermal valve tube (D).





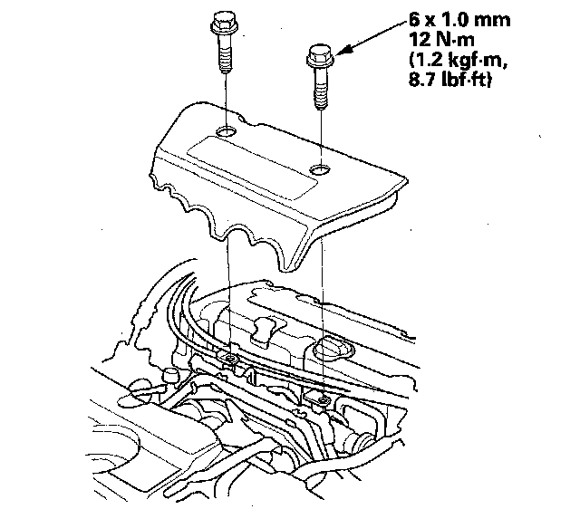
44. Install the intake manifold cover.
45. Install the battery. Clean the battery posts and cable terminals with sandpaper, then assemble them and apply grease to prevent corrosion.
46. Move the shift lever to each gear, and verify that the A/T gear position indicator follows the transmission range switch (A/T).
47. Check that the transmission shifts into gear smoothly (M/T).
48. Inspect for fuel leaks. Turn the ignition switch ON (II) (do not operate the starter) so that the fuel pump runs for about 2 seconds and pressurizes the fuel line. Repeat this operation two or three times, then check for fuel leakage at any point in the fuel line.
49. Refill the engine with engine oil.
50. Refill the transmission with fluid.
51. Refill the radiator with engine coolant, and bleed air from the cooling system with the heater valve open.
52. Do the ECM/PCM reset procedure.
53. Do the crankshaft position (CKP) pattern clear/CKP pattern learn procedure.
54. Do the engine control module (ECM)/powertrain control module (PCM) idle learn procedure.
55. Inspect the idle speed.
56. Inspect the ignition timing.
57. Check the wheel alignment.
58. Enter the anti-theft codes for the radio, then enter the customer's audio presets.
59. Do the power window control unit reset procedure.
60. Set the clock.