Operation CHARM: Car repair manuals for everyone.
Manuals through 2025 now available!

Our trusted friends have launched a new website named LEMON, which has newer manuals. It also contains all the CHARM manuals.

LEMON is the spiritual successor to CHARM, I recommend you try it!

Link: lemon-manuals.la or lemon-manuals.org.ua

(Some people have issue connecting. LEMON is investigating. For now, use Firefox or change your DNS server)

Or, hide this message: temporarily or permanently

Cam Chain Removal

Cam Chain Removal

NOTE: Keep the cam chain away from magnetic fields.





1. Turn the crankshaft pulley so its top dead Center (TDC) mark (A) lines up with the pointer (B).
2. Remove the front wheels.





3. Remove the splash shield.
4. Remove the drive belt.
5. Remove the cylinder head cover.
6. Remove the crankshaft pulley.





7. Disconnect the crankshaft position (CKP) sensor connector (A) and variable valve timing control (VTC) oil control solenoid valve connector (B).
8. Remove the VTC oil control solenoid valve.
9. Support the engine with a jack and wood block under the oil pan.





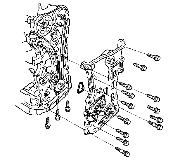
10. Remove the ground cable (A), and remove the upper bracket (B).





11. Remove the side engine mount bracket.





12. Remove the chain ease.
13. Loosely install the crankshaft pulley.





14. Turn the crankshaft counterclockwise to compress the auto-tensioner.





15. Align the holes on the lock (A) and the auto-tensioner (B), then insert a 1.5 mm (0.06 inch) diameter pin (C) into the holes. Turn the crankshaft clockwise to secure the pin.





16. Remove the auto-tensioner.





17. Remove the cam chain guide B.





18. Remove the cam chain guide A (A) and tensioner arm (B).
19. Remove the cam chain.