Operation CHARM: Car repair manuals for everyone.
Manuals through 2025 now available!

Our trusted friends have launched a new website named LEMON, which has newer manuals. It also contains all the CHARM manuals.

LEMON is the spiritual successor to CHARM, I recommend you try it!

Link: lemon-manuals.la or lemon-manuals.org.ua

(Some people have issue connecting. LEMON is investigating. For now, use Firefox or change your DNS server)

Or, hide this message: temporarily or permanently

Thermal Limiting Fuse: Service and Repair

A/C Compressor Thermal Protector Replacement




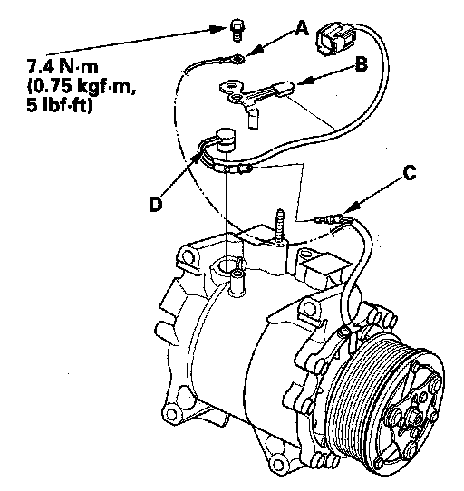
1. Remove the bolt, the ground terminal (A), and the holder (B). Disconnect the field coil connector (C), then remove the thermal protector (D).




2. Replace the thermal protector (A) with a new one, and apply silicone sealant (B) to the bottom of the thermal protector.
3. Install the thermal protector in the reverse order of removal.