Variable Valve Timing Solenoid: Service and Repair
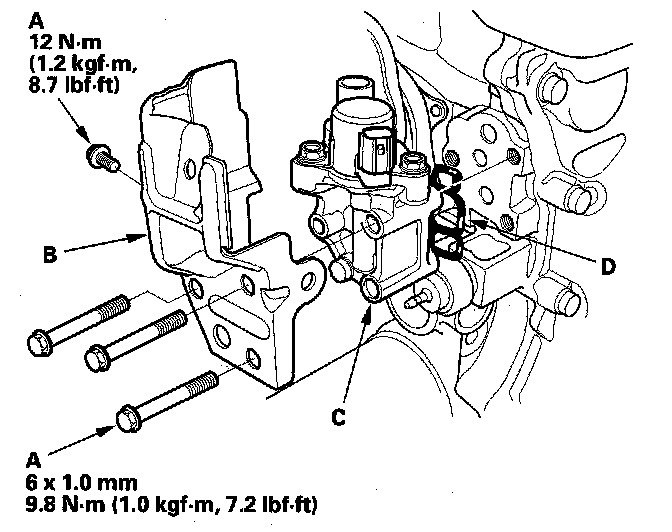
Rocker Arm Oil Control Solenoid (VTEC Solenoid Valve) Assembly Removal/Installation1. Disconnect the rocker arm oil control solenoid (VTEC solenoid valve) connector, rocker arm oil pressure switch (VTEC oil pressure switch), and the bolts (A).
2. Remove the cover (B) and the rocker arm oil control solenoid (VTEC solenoid valve) assembly (C).
3. Install the valve in the reverse order of removal with a new rocker arm oil control solenoid (VTEC solenoid valve) filter (D)