Operation CHARM: Car repair manuals for everyone.
Manuals through 2025 now available!

Our trusted friends have launched a new website named LEMON, which has newer manuals. It also contains all the CHARM manuals.

LEMON is the spiritual successor to CHARM, I recommend you try it!

Link: lemon-manuals.la or lemon-manuals.org.ua

(Some people have issue connecting. LEMON is investigating. For now, use Firefox or change your DNS server)

Or, hide this message: temporarily or permanently

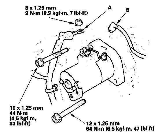
Removal And Installation

Starter Removal and Installation

Removal

1. Make sure you have the anti-theft codes for the radio, then write down the customer's audio presets. Make sure the ignition switch is OFF.
2. Disconnect the negative cable from the battery first, then disconnect the positive cable.
3. Disconnect the knock sensor connector.




4. Disconnect the bolt securing the harness bracket.




5. Disconnect the starter cable (A) from the B terminal on the solenoid, then disconnect the BLK/WHT wire (B) from the S terminal.
6. Remove the two bolts holding the starter, then remove the starter.

Installation

1. Install the two bolts holding the starter, then Install the starter.




2. Connect the starter cable (A) from the B terminal on the solenoid, then connect the BLK/WHT wire (B) from the S terminal. Make sure the crimped side of the ring terminal is facing out.




3. Connect the bolt securing the harness bracket.
4. Connect the knock sensor connector.
5. Connect the positive cable to the battery first, then connect the negative cable.
6. Start the engine to make sure the starter operates properly.
7. Enter the anti-theft codes for the radio, then enter the customer's audio presets.
8. Do the power window control unit rest procedure.
9. Set the clock.